电脑桌面
添加小米粒文库到电脑桌面
安装后可以在桌面快捷访问

网络设备配置清单VIP免费

网络设备配置清单_第1页
1/6
网络设备配置清单_第2页
2/6
网络设备配置清单_第3页
3/6
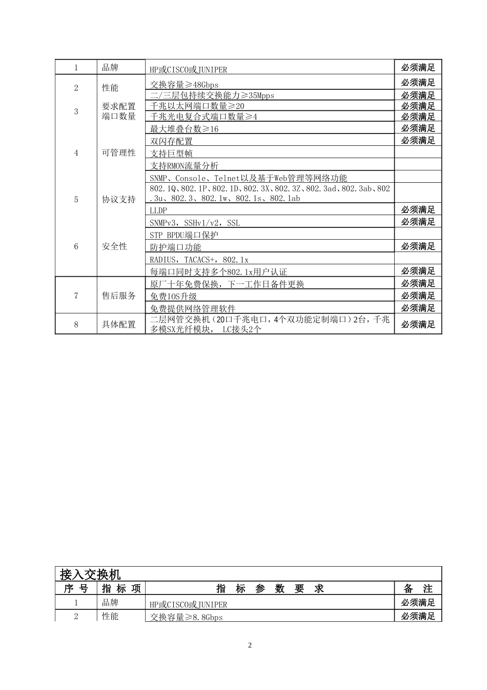
网络设备配置清单设备名称品牌型号数量核心交换机HP或CISCO或JUNIPER三层机箱式交换机:6x业务插槽,含346G引擎,20x千兆PoE电口,4xminiGBIC端口模块,875w冗余电源,十年免费保换服务,具体参数及要求详见附件1台光纤模块千兆多模SX光纤模块,LC接头(与交换机同一品牌,原厂原装产品)8个汇聚交换机HP或CISCO或JUNIPER二层网管交换机:20口千兆电口,4个双功能定制端口,十年免费保换服务,具体参数及要求详见附件2台接入交换机HP或CISCO或JUNIPER二层网管交换机:24口百兆电口,2个双功能定制端口,十年免费保换服务,具体参数及要求详见附件2台上网行为管理设备金山或安达通或网康机架式上网行为管理设备:网络接口5电口:1000Mx4,100Mx1,电源150W,数据库更新URL数据库在线更新/离线更新/应用协议数据库在线更新/每周更新,支持BYPASS,产品升级在线/离线,三年免费保修服务,具体参数及要求详见附件1台路由器CISCOASA5510-BUN-K8或H3CSOHOER5100-CN或HPPROCURESECUREROUTER7102DI1台机柜LINKBASICMCCB42U-610豪华型1只理线架GCI(美国)19MMC-1U8付机架式光纤配线架GCI(美国)JFBX-2410244个ST适配器GCI(美国)FTC-2420-ST32只光纤尾纤GCI(美国)5MLC-ST多模跳线10对数据点GCI或AVAYA或LINKBASIC(¢0.51MM)超五类网线、多模光纤、模块、各种规格波达线槽、地下管路需暗埋施工等,视工程需要285个附件PVC管、86明盒、扎带、护套、机柜附件等1批其它安装、调试等(中标方在工程完工时需向学校提供所有办公室、教室、教师宿舍数据点的测试报告,把布线原始资料及施工图纸移交网络主管老师)要求:1、所有设备、线材等必须是厂家原装生产,原厂原包装到校,经学校验收合格后再安装。2、中标方须提供交换机设备整机十年保换服务,上网行为管理设备整机一年保换、三年质保服务。根据学校设计方案和具体施工要求把新增加的网络设备与学校现有的设备合并,并重新综合布线(每个数据点布线至学校指定位置,两端标明相应位置编号),组建整个校园网络系统。为保证学校正常的教学秩序不受影响,整个工程必须在中标后5天内安装、调试完毕。3、学校保留在开标后三天内对中标单位所投设备进行局部范围内的整体技术方案测试,厂家应积极配合测试。4、为确保系统兼容性,要求提供的所有网络设备及模块必须属同一品牌的产品。0附件:学勉中学网络设备主要设备参数核心交换机序号指标项指标参数要求备注1品牌HP或CISCO或JUNIPER必须满足2性能交换容量≥346Gbps必须满足二/三层包持续交换能力≥214Mpps必须满足3要求配置端口数量千兆以太网端口数量≥20必须满足千兆光纤插槽数量≥4必须满足4可扩展性业务模块插槽数(不含管理模块插槽)≥6必须满足千兆以太网端口支持数量≥144必须满足万兆以太网端口支持数量≥24必须满足千兆电口支持以太网供电必须满足超大帧(JumboFrames)支持,iSCSI必须满足支持POE+,向下兼容POE,提供单端口30W电源必须满足IPv6就绪,双堆栈(v4,v6),IPv6ACL/Qos支持服务器分布式汇,负载均衡必须满足5可管理性支持Sflowv5(RFC3176)流量统计功能必须满足SNMP、Console、Telnet以及基于Web管理等网络功能双闪存,多配置文件必须满足6协议支持802.1Q、802.1P、802.1D、802.3X、802.3Z、802.1ad、802.3ad、802.3ab、802.3u、802.3、802.1w、802.1s、802.1abRIPv1/v2,OSPF,UDPHelper,VRRP,LLDP必须满足Cos,QosIP组播,IGMP/PIM-DM/PIM-SM支持交换机集群技术,多链路间动态负载均衡必须满足7安全性基于硬件的输入访问控制(inputACL)、基于硬件的输出访问控制(outputACL)基于硬件的线速过滤功能身份驱动ACL必须满足SNMPv3,SSHv1/v2,SSL,动态ARP攻击保护必须满足交换机CPU保护,ICMP扼制,STP根防护,检测攻击必须满足RADIUS,TACACS+,802.1x每端口同时支持多个802.1x用户认证必须满足根据TCP连接数抑制网络病毒传播必须满足8售后服务原厂十年免费保换,下一工作日备件更换必须满足免费IOS升级必须满足免费提供网络管理软件必须满足9具体配置三层机箱式交换机1只,6x业务插槽、含346G引擎1块,20x千兆PoE电口、4xminiGBIC端口模块1块,875w冗余电源,千兆多...

1、当您付费下载文档后,您只拥有了使用权限,并不意味着购买了版权,文档只能用于自身使用,不得用于其他商业用途(如 [转卖]进行直接盈利或[编辑后售卖]进行间接盈利)。
2、本站所有内容均由合作方或网友上传,本站不对文档的完整性、权威性及其观点立场正确性做任何保证或承诺!文档内容仅供研究参考,付费前请自行鉴别。
3、如文档内容存在违规,或者侵犯商业秘密、侵犯著作权等,请点击“违规举报”。

碎片内容

网络设备配置清单

书海行舟+ 关注
实名认证
内容提供者

热爱教学事业,对互联网知识分享很感兴趣

确认删除?
VIP
微信客服
  • 扫码咨询
会员Q群
  • 会员专属群点击这里加入QQ群
客服邮箱
回到顶部