电脑桌面
添加小米粒文库到电脑桌面
安装后可以在桌面快捷访问

洁净室施工及验收规范VIP免费

洁净室施工及验收规范_第1页
1/17
洁净室施工及验收规范_第2页
2/17
洁净室施工及验收规范_第3页
3/17
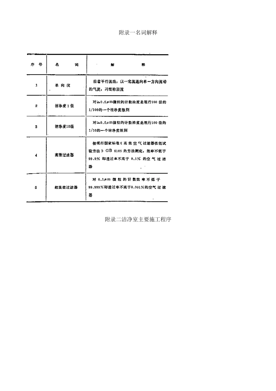
附录一名词解释附录二洁净室主要施工程序附录三风管漏风检查法一、漏光试验法对一定长度的风管,在漆黑的周围环境下,用一个电压不高于36V,功率100W以上带保护罩的灯泡,在风管内从风管的一端缓缓移向另一端(见附图31),若在风管外能观察到光线射出,说明有较严重的漏风。应对风管进行修补后再查。附图31漏光试验法检查系统1�保护罩;2�灯泡;3�电线二、漏风试验法1试验前准备工作将连接风口的支管取下,并将开口处密封。2试验方法利用试验风机向风管内鼓风,使风管内静压上升到700Pa并保持,此时该进风量即等于漏风量。该进风量用在风机与风管之间设置的孔板和压差计来测量。风管内的静压则由另一台压差计测量(见附图32和33)。3试验装置:见附图32(亦可采用附录四的装置)试验风机:最大额定风量1600m3燉h:最大额定风压2400Pa。连接管:100mm孔板(2个):当漏风量Q≥130m3燉h时,直径00707m,孔板常数C为0697;当漏风量Q<130m3燉h时,直径00316m,孔板常数C为0603;压差计:测孔板压差0~2000Pa;测风管静压0~2000Pa。4试验步骤本试验主要针对金属风管进行。整个试验过程应作详细记录,包括漏风部位、漏风量、漏风的原因及其他情况等。附图32风管漏风试验装置孔板1:x=45mm;孔板2:x=71mm1进风挡板;2风机;3钢风管100;4孔板;5软管100;6软管8;7、8压差计(1)漏风声音试验本试验在漏风量测量之前进行。将支管取下,用盲板和胶带密封开口处,将试验装置的软管连接到被试风管上。关闭进风挡板,启动风机。逐步打开进风挡板,直到风管内静压值上升并保持在700Pa为止。注意听风管所有接缝和孔洞处的漏风声音,将每个漏风点作出记号并进行修补。(2)漏风量测量试验本试验在有漏风声音点密封之后进行。启动风机,逐步打开进风挡板,直到风管内静压值上升并保持在700Pa时,读取孔板两侧的压差,按公式(附31~附33)计算漏风量和漏风率。5漏风量计算漏风量,即通过孔板的风量按下式进行计算:6漏风率计算附图33风管漏风试验系统连接示范1.风口;2�被试风管;3�盲板;4�胶带密封;5�试验装置附录四空调器漏风率检测法一、检测装置见附图41。附图41空调器漏风率检测装置1�试验风机;2�出气风管;3�多孔整流栅;4�测量孔;5�连接软管;6�压差计;7�连接胶管;8�空调器;9�进气风管;10�节流器1试验风机:额定风量:700~2000m3燉h;额定风压:2400~1400Pa。2进气风管:根据风管内风速为5~15m燉s选定管径;出气风管:根据风管内风速为5~15m燉s选定管径;风管闭合缝及连接缝必须密封不漏气。3仪器:热球风速仪;毕托管及倾斜式微压计;U形压差计;干、湿球温度计。4节流器、多孔整流栅:应符合现行国家标准《通风机空气动力性能试验方法》GB1236中的有关规定。5连接软管:管径同出气风管。二、检测方法用盲板封堵空调器的各开口,关闭检查门。将检测装置的出气风管和空调设备连接,利用试验风机向该空调器内鼓风,调节节流器使内部静压上升并保持在1000Pa。测量出气风管断面风速,计算出进风量。进风量即等于该空调器的漏风量。设备内的静压用U形压差计测量。三、漏风量计算四、漏风率计算附录五施工检查记录表(略)附录六洁净室综合性能检测方法一、过滤器检漏1对于安装于送、排风末端的高效过滤器,应用扫描法进行过滤器安装边框和全断面检漏。扫描法有检漏仪法(光度计法)和采样量最小为1L燉min的粒子计数器法两种。对于超高效过滤器,扫描法有凝结核计数器法和激光粒子计数器法两种。2检漏仪法检漏(1)被检漏过滤器必须已测过风量,在设计风速的80%~120%之间运行。(2)在同一送风面上安有多台过滤器时,在结构上允许的情况下,宜用每次只暴露1台过滤器的方法进行测定。(3)当几台或全部过...

1、当您付费下载文档后,您只拥有了使用权限,并不意味着购买了版权,文档只能用于自身使用,不得用于其他商业用途(如 [转卖]进行直接盈利或[编辑后售卖]进行间接盈利)。
2、本站所有内容均由合作方或网友上传,本站不对文档的完整性、权威性及其观点立场正确性做任何保证或承诺!文档内容仅供研究参考,付费前请自行鉴别。
3、如文档内容存在违规,或者侵犯商业秘密、侵犯著作权等,请点击“违规举报”。

碎片内容

洁净室施工及验收规范

书海行舟+ 关注
实名认证
内容提供者

热爱教学事业,对互联网知识分享很感兴趣

确认删除?
VIP
微信客服
  • 扫码咨询
会员Q群
  • 会员专属群点击这里加入QQ群
客服邮箱
回到顶部