电脑桌面
添加小米粒文库到电脑桌面
安装后可以在桌面快捷访问

空心板预制方案.VIP免费

空心板预制方案._第1页
1/12
空心板预制方案._第2页
2/12
空心板预制方案._第3页
3/12
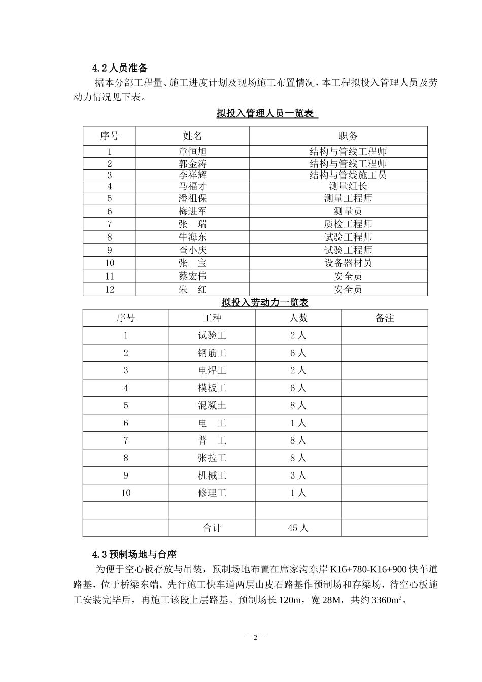
目录一、工程概况..........................................1二、编制依据....................................1三、施工进度计划..............................1四、施工准备....................................1五、施工工艺流程..............................4六、主要工序施工方法.........................4七、工程质量保证措施.........................9八、施工安全保证措施......................10九、环境保护和文明施工措施..............12十、附图.......................................14-1-一、工程概况本标段全长为4.71公里,桩号范围:K14+470~K19+180,其中K14+470~K15+450段按城市主干路建设标准,道路红线宽45m;K15+450~K19+180段按城市快速路兼一级公路建设标准实施,道路红线宽80m。本标段设置席家沟中桥1座,桥梁中心桩号K16+927.5,上部结构采用3孔16m预应力混凝土空心板,空心板梁高0.8m,下部结构采用桩柱式桥墩,桩接盖梁桥台,桥梁全长53.04m,桥梁全宽57m。席家沟中桥共计132片预应力空心板,预应力空心板断面为1.24×0.8m。本桥处于圆曲线段中,采用径向布梁原则,空心板长15.786~16.214m不等。上下壁厚均为12cm,内孔断面为76cm×56cm。有中板、边板两种形式,中板108片,边板24片。中板每块含C50砼8.4m3,C40封端砼0.33m3,钢绞线333kg,锚具8套,钢筋1.5T;边板每块含C50砼9.6m3,C40封端砼0.33m3,钢绞线333kg,锚具8套,钢筋2.1t。二、编制依据1、招标文件、设计图纸、施工组织设计;2、《公路工程质量检验评定标准》JTGF80/1-2004;3、《公路桥涵施工技术规范》JTG/TF50-2011;4、施工现场气候、地质、地形等实际情况;5、我公司类似工程施工经验。三、施工进度计划1、预制场建设:3月12日至3月15日;2、钢筋、钢绞线、锚具、波纹管等原材料进场:3月10日;3、钢模、充气胶囊芯模进场:3月15日;4、空心板预制:3月20日至5月31日(按正常施工平均每天浇筑两片,考虑下雨、机械故障等影响因素,全部132片共72天完成)。空心板预制要考虑安装顺序,第三跨的先预制,第一跨最后预制。四、施工准备4.1技术准备1、工程技术人员要熟悉技术规范,认真审核设计图纸和说明,做好图纸会审和施工方案,并经上级批准。2、对各施工班组进行技术、质量、安全交底。3、做好原材料检验工作和商品混凝土配合比验证工作。-1-4.2人员准备据本分部工程量、施工进度计划及现场施工布置情况,本工程拟投入管理人员及劳动力情况见下表。拟投入管理人员一览表拟投入劳动力一览表序号工种人数备注1试验工2人2钢筋工6人3电焊工2人4模板工6人5混凝土8人6电工1人7普工8人8张拉工8人9机械工3人10修理工1人合计45人4.3预制场地与台座为便于空心板存放与吊装,预制场地布置在席家沟东岸K16+780-K16+900快车道路基,位于桥梁东端。先行施工快车道两层山皮石路基作预制场和存梁场,待空心板施工安装完毕后,再施工该段上层路基。预制场长120m,宽28M,共约3360m2。-2-序号姓名职务1章恒旭结构与管线工程师2郭金涛结构与管线工程师3李祥辉结构与管线施工员4马福才测量组长5潘祖保测量工程师6梅进军测量员7张瑞质检工程师8牛海东试验工程师9查小庆试验工程师10张宝设备器材员11蔡宏伟安全员12朱红安全员预制场共设预制台座20个,每10-14天周转一次,三条施工通道。存板区设置2档,每档存20片,3层存放,可存120片空心板。预制场四周设置排水沟。台座宽度严格按照设计梁板底宽减少0.5cm,施工为1.235m,底模长度为16.60m(因梁长最长为16.214m,偏角为20度),预制台座采用整体浇筑20cm厚C25砼。台座表面采用水磨石地面,光滑平整,四周用角钢包边,端头设枕梁。台座下部设置模板对拉杆预留孔,预留孔的位置应与侧模的卡槽相对应。在台座两侧贴1cm厚的橡胶条,使空心板侧模挤压固定于台座上后浇注砼时不至漏浆。台座两侧通道采用C15砼硬化,并设置排水沟。预制场西侧设置200m2钢筋、钢绞线、锚具、波纹管堆场。西北角设置300m2钢筋加工厂。材料堆场及加工厂均采用C15砼硬化、搭设防雨棚,钢材原材料与加工成品贮存于地面以上0.5m的砖砌平台上。预制...

1、当您付费下载文档后,您只拥有了使用权限,并不意味着购买了版权,文档只能用于自身使用,不得用于其他商业用途(如 [转卖]进行直接盈利或[编辑后售卖]进行间接盈利)。
2、本站所有内容均由合作方或网友上传,本站不对文档的完整性、权威性及其观点立场正确性做任何保证或承诺!文档内容仅供研究参考,付费前请自行鉴别。
3、如文档内容存在违规,或者侵犯商业秘密、侵犯著作权等,请点击“违规举报”。

碎片内容

空心板预制方案.

您可能关注的文档

确认删除?
VIP
微信客服
  • 扫码咨询
会员Q群
  • 会员专属群点击这里加入QQ群
客服邮箱
回到顶部