电脑桌面
添加小米粒文库到电脑桌面
安装后可以在桌面快捷访问

太阳能水位检测VIP免费

太阳能水位检测_第1页
1/6
太阳能水位检测_第2页
2/6
太阳能水位检测_第3页
3/6
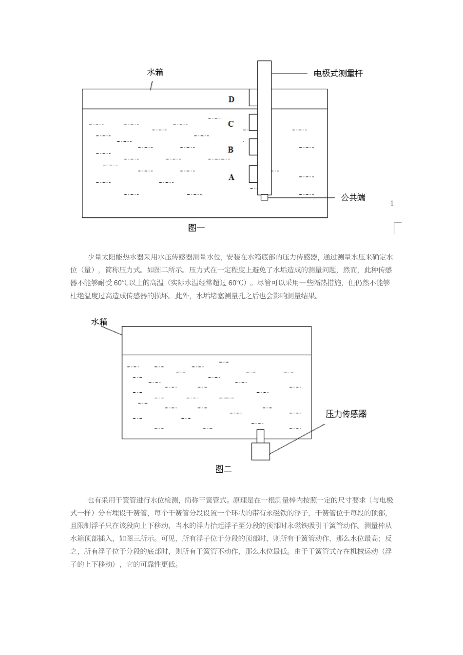
一、太阳能热水器水位检测的作用由于太阳能热水器及水箱安装在室外,随着注水和放水,水箱里面的水量随之发生变化,因此水位检测有其特殊的作用。首先,用户在使用热水时需要知道水箱里的水量。防止在使用过程中出现缺水情况,特别是在沐浴过程。太阳能热水器与蓄水承压式电热水器不同,在通常情况下不宜在用水的过程中往水箱里注水,否则会造水温下降,影响正常使用。当然,目前大多数太阳能热水器具有电辅助加热功能,但除了特殊情况之外用户应当尽量发挥太阳能加热的作用,少用电加热。其次,自动注水控制。如果没有水位检测就无法实现对水箱注水的自动化,水箱是否要注水和水满之后停止注水的控制,防止水箱溢水都离不开对水箱内水位的检测。二、太阳能热水器水位检测的现状受太阳能热水器水箱的结构和形状的限制,水位检测不得改变或破坏箱体的尺寸及隔热部件。水位检测部件只能从上部或底部预留的一个Ф20mm左右的圆孔伸入箱内。目前大部分太阳能热水器采用电极片检测水位(简称电极式),原理是利用水的导电性能。电极片按照一定的尺寸要求分布在一根绝缘棒上,构成测量棒,从水箱顶部插入。如图一所示,其中A、B、C、D包括公共端为电极片。当A、B、C、D电极片被水浸没时,就会与公共端产生电流。实际检测是根据电极片上是否有电流,判别其是否浸没在水中。由于电极式的控制及检测电路比较简单、成本较低,因而得到广泛应用,是目前的主流技术。然而,当电极片结垢(钠镁离子的附着)之后,导致测量错误的问题一直未能从根本上得到解决。因为电极片结垢之后,或者水垢的厚度达到一定的程度,就不能正常测量水位。在水质较差的地方情况更加严重,为了保证测量的准确,必须定期更换测量杆。少量太阳能热水器采用水压传感器测量水位,安装在水箱底部的压力传感器,通过测量水压来确定水位(量),简称压力式。如图二所示。压力式在一定程度上避免了水垢造成的测量问题,然而,此种传感器不能够耐受60℃以上的高温(实际水温经常超过60℃)。尽管可以采用一些隔热措施,但仍然不能够杜绝温度过高造成传感器的损坏。此外,水垢堵塞测量孔之后也会影响测量结果。也有采用干簧管进行水位检测,简称干簧管式。原理是在一根测量棒内按照一定的尺寸要求(与电极式一样)分布埋设干簧管,每个干簧管分段设置一个环状的带有永磁铁的浮子,干簧管位于每段的顶部,且限制浮子只在该段向上下移动,当水的浮力抬起浮子至分段的顶部时永磁铁吸引干簧管动作。测量棒从水箱顶部插入,如图三所示。可见,所有浮子位于分段的顶部时,则所有干簧管动作,那么水位最高;反之,所有浮子位于分段的底部时,则所有干簧管不动作,那么水位最低。由于干簧管式存在机械运动(浮子的上下移动),它的可靠性更低。图三三、NTC水位检测的优势NTC是一种广泛使用的热敏电阻器,它的主要特征是随(感应)温度的变化其电阻值呈显著的变化,当温度升高时阻值呈下降变化。NTC的全称为负温度系数热敏电阻器。NTC具有价格低廉、电路构成简单、性能稳定等特点,而广泛用于温度测量。事实上,NTC还可以用于液位测量。笔者认为,NTC用于太阳能热水器的水位测量已经具备了取代电极式的技术条件,它除了具有电极式体积小、结构简单等优点之外,还具有它自身的一些其它优点。当NTC用于水位检测时,不仅保留了它在测量温度时的一些优势,而且还显示了目前水位检测方式中不具备的一些优势。首先,NTC属于半导体器件,固体器件的特点是没有机械运动且寿命长;其次,除了电路结构的简单之外,还可以兼顾测量水温的功能;最为重要的是它完全摆脱了因水垢造成的困扰。客观地说,电极式水位检测技术,如果没有的水垢困扰应当是一个比较现实的水位检测的解决方案(仍然需要解决不对称电镀问题),然而,电极上的水垢造成了电控系统的失效,是太阳能热水器长时间稳定可靠运行未能克服的障碍。其实,仅仅是消除水垢困扰并不困难,在表面附着铁氟龙(聚四氟乙烯,PTFE)涂层(例如,类似的如不粘锅的表面涂层)就可以十分有效地防止水垢,关键是这类涂层都是绝缘的。电极式的电极片上恰巧不能使用这类涂层,因为它需要导电才可以工作。...

1、当您付费下载文档后,您只拥有了使用权限,并不意味着购买了版权,文档只能用于自身使用,不得用于其他商业用途(如 [转卖]进行直接盈利或[编辑后售卖]进行间接盈利)。
2、本站所有内容均由合作方或网友上传,本站不对文档的完整性、权威性及其观点立场正确性做任何保证或承诺!文档内容仅供研究参考,付费前请自行鉴别。
3、如文档内容存在违规,或者侵犯商业秘密、侵犯著作权等,请点击“违规举报”。

碎片内容

太阳能水位检测

您可能关注的文档

书海行舟+ 关注
实名认证
内容提供者

热爱教学事业,对互联网知识分享很感兴趣

确认删除?
VIP
微信客服
  • 扫码咨询
会员Q群
  • 会员专属群点击这里加入QQ群
客服邮箱
回到顶部