电脑桌面
添加小米粒文库到电脑桌面
安装后可以在桌面快捷访问

土力学试卷及答案(B)开卷 (1)VIP专享VIP免费

土力学试卷及答案(B)开卷 (1)_第1页
1/6
土力学试卷及答案(B)开卷 (1)_第2页
2/6
土力学试卷及答案(B)开卷 (1)_第3页
3/6
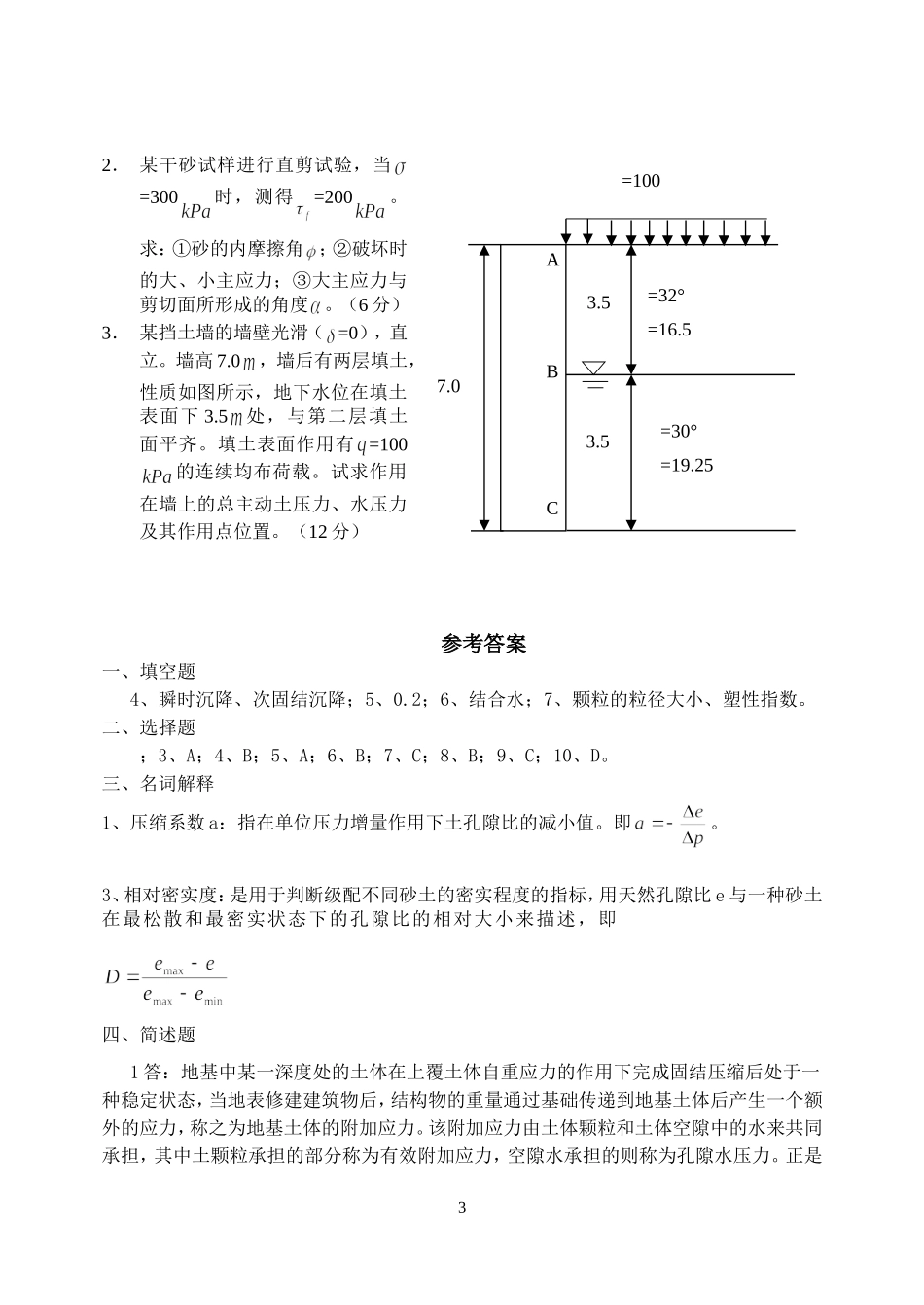
一、填空题(每空1分,共10分)1.地基的总沉降为__________沉降、__________沉降和__________沉降三者之和。2.地基沉降计算深度下限,一般可取地基附加应力等于自重应力的σc。3.土中的液态水可分为自由水和__________两大类。4.砂土和粘性土的工程分类分别按和进行。二、选择题(每小题1分,共10分)3.地下水位长时间下降,会使()A、地基中原水位以下的自重应力增加B、地基中原水位以上的自重应力增加C、地基土的抗剪强度减小D、土中孔隙水压力增大4.室内压缩试验的排水条件为()A、单面排水B、双面排水C、不排水D、先固结,后不排水5.设条形基础的宽度B,沉降量S,若基底单位面积平均附加压力相同,则()A、B大S大B、B大S小C、B对S无影响D、无法确定6.土中一点发生剪切破坏时,破裂面与小主应力作用方向的夹角为()1A、B、C、D、7.在外荷载作用下地基中局部剪切破坏时,基础底面单位面积上所承受的荷载为()A、临塑荷载B、临界荷载C、极限荷载D、以上均不是8.在地面上修建一座梯形土坝,则坝基的压力分布形状为何种形式()A、矩形B、梯形C、马鞍形D、抛物线形9.基底附加应力及埋深相同,但基底面积不同的两个基础,它们的沉降量有何不同()A、面积大的沉降量大B、面积小的沉降量大C、两基础沉降量相同D、面积大的沉降量小10.下列三个土样,液性指数均为0.25,其、如下,不属于粘性土的是()A、=35%,=30%B、=30%,=26%C、=25%,=22%D、=35%,=33%三、名词解释(每小题3分,共15分)1.压缩系数2.相对密实度四、简述题(每小题10分,共30分)1.为什么把土中应力分为自重应力、附加应力、有效应力和孔隙水压力?并由此简述土固结的过程。2.简述分层总和法计算地基沉降的步骤。3.何谓液、塑限含水率?分别说明它们的测定方法及意义。五、计算题(共35分)1.某矩形基础,长2,宽1,相关参数如图所示。计算此矩形基础底面中心点及长边中点下,深度=1.0处的附加应力值。(基底水平面处的附加应力系数请查表)(9分)l/bz/b1.02.03.04.05.01.00.17520.19990.20340.20420.20442.00.08400.12020.13140.13500.13633.00.04470.07320.08700.09310.09594.00.02700.04740.06030.06740.07122=144013/16mkN2.某干砂试样进行直剪试验,当=300时,测得=200。求:①砂的内摩擦角;②破坏时的大、小主应力;③大主应力与剪切面所形成的角度。(6分)3.某挡土墙的墙壁光滑(=0),直立。墙高7.0,墙后有两层填土,性质如图所示,地下水位在填土表面下3.5处,与第二层填土面平齐。填土表面作用有=100的连续均布荷载。试求作用在墙上的总主动土压力、水压力及其作用点位置。(12分)参考答案一、填空题4、瞬时沉降、次固结沉降;5、0.2;6、结合水;7、颗粒的粒径大小、塑性指数。二、选择题;3、A;4、B;5、A;6、B;7、C;8、B;9、C;10、D。三、名词解释1、压缩系数a:指在单位压力增量作用下土孔隙比的减小值。即。3、相对密实度:是用于判断级配不同砂土的密实程度的指标,用天然孔隙比e与一种砂土在最松散和最密实状态下的孔隙比的相对大小来描述,即四、简述题1答:地基中某一深度处的土体在上覆土体自重应力的作用下完成固结压缩后处于一种稳定状态,当地表修建建筑物后,结构物的重量通过基础传递到地基土体后产生一个额外的应力,称之为地基土体的附加应力。该附加应力由土体颗粒和土体空隙中的水来共同承担,其中土颗粒承担的部分称为有效附加应力,空隙水承担的则称为孔隙水压力。正是3=32°=16.5=30°=19.253.57.0=100ABC3.5由于有效附加应力的作用才导致土体的压缩变形,结果使土体孔隙体积减小,孔隙中多余的水被挤压排除,孔隙水压力逐渐消散降低。因此土体固结的过程就是土体有效应力不断增大而孔隙水压力不断消散的过程,只有区分出土体的自重应力、附加应力、有效应力和孔隙水压力,才能真正把握住土体固结的本质。2答:分层总和法计算地基沉降的步骤为:(1)、按比例绘制地基土层分布剖面图和基础剖面图;(2)、计算地基土的自重应力,并将计算结果按比例绘制于基础中心线的左侧;(3)、计算基础底面的接触压力;(4)、对地基土体进行分层,...

1、当您付费下载文档后,您只拥有了使用权限,并不意味着购买了版权,文档只能用于自身使用,不得用于其他商业用途(如 [转卖]进行直接盈利或[编辑后售卖]进行间接盈利)。
2、本站所有内容均由合作方或网友上传,本站不对文档的完整性、权威性及其观点立场正确性做任何保证或承诺!文档内容仅供研究参考,付费前请自行鉴别。
3、如文档内容存在违规,或者侵犯商业秘密、侵犯著作权等,请点击“违规举报”。

碎片内容

土力学试卷及答案(B)开卷 (1)

确认删除?
VIP
微信客服
  • 扫码咨询
会员Q群
  • 会员专属群点击这里加入QQ群
客服邮箱
回到顶部