电脑桌面
添加小米粒文库到电脑桌面
安装后可以在桌面快捷访问

起重工器具清单、检查和试验周期表(大言)VIP免费

起重工器具清单、检查和试验周期表(大言)_第1页
1/13
起重工器具清单、检查和试验周期表(大言)_第2页
2/13
起重工器具清单、检查和试验周期表(大言)_第3页
3/13
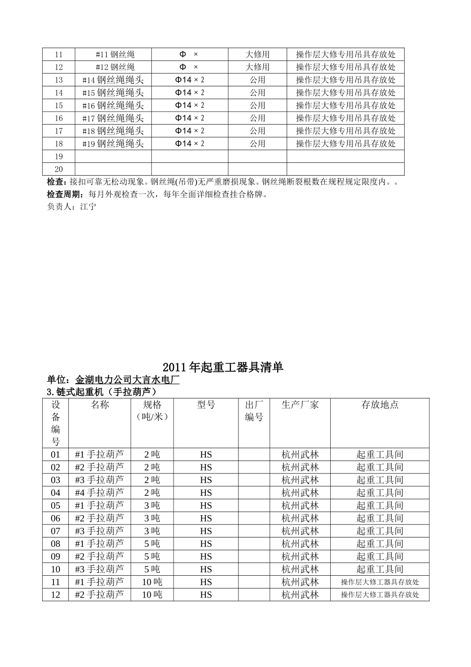
金湖公司大言水电厂起重工器具检查记录编制:江宁、邹德仁审核:饶海盛批准:林建森金湖电力公司大言水电厂机械班2011年06月2011年起重工器具清单单位:金湖电力公司大言水电厂1.起重用尼龙绳序号名称型号出厂日期存放地点1#1尼龙编织绳20米2009年4月起重工具间检查:绳子光滑、干燥无磨损、断股现象。检查周期:每月外观检查一次,每年全面详细检查并贴合格标签。负责人:邹德仁2011年起重工器具清单单位:金湖电力公司大言水电厂2.钢丝绳、吊带序号名称规格(直径φmm×长度m)用途存放地点1#1钢丝绳Φ18×8日常起重用起重工器具间2#2钢丝绳Φ16×8日常起重用起重工器具间3#3钢丝绳Φ×吊定子专用操作层大修专用吊具存放处4#4钢丝绳Φ×吊转子专用操作层大修专用吊具存放处5#5钢丝绳Φ×大修用操作层大修专用吊具存放处6#6钢丝绳Φ×大修用操作层大修专用吊具存放处7#7钢丝绳Φ×大修用操作层大修专用吊具存放处8#8钢丝绳Φ×大修用操作层大修专用吊具存放处9#9钢丝绳Φ×大修用操作层大修专用吊具存放处10#10钢丝绳Φ×大修用操作层大修专用吊具存放处11#11钢丝绳Φ×大修用操作层大修专用吊具存放处12#12钢丝绳Φ×大修用操作层大修专用吊具存放处13#14钢丝绳绳头Φ14×2公用操作层大修专用吊具存放处14#15钢丝绳绳头Φ14×2公用操作层大修专用吊具存放处15#16钢丝绳绳头Φ14×2公用操作层大修专用吊具存放处16#17钢丝绳绳头Φ14×2公用操作层大修专用吊具存放处17#18钢丝绳绳头Φ14×2公用操作层大修专用吊具存放处18#19钢丝绳绳头Φ14×2公用操作层大修专用吊具存放处1920检查:接扣可靠无松动现象。钢丝绳(吊带)无严重磨损现象。钢丝绳断裂根数在规程规定限度内。。检查周期:每月外观检查一次,每年全面详细检查挂合格牌。负责人:江宁2011年起重工器具清单单位:金湖电力公司大言水电厂3.链式起重机(手拉葫芦)设备编号名称规格(吨/米)型号出厂编号生产厂家存放地点01#1手拉葫芦2吨HS杭州武林起重工具间02#2手拉葫芦2吨HS杭州武林起重工具间03#3手拉葫芦2吨HS杭州武林起重工具间04#4手拉葫芦2吨HS杭州武林起重工具间05#1手拉葫芦3吨HS杭州武林起重工具间06#2手拉葫芦3吨HS杭州武林起重工具间07#3手拉葫芦3吨HS杭州武林起重工具间08#1手拉葫芦5吨HS杭州武林起重工具间09#2手拉葫芦5吨HS杭州武林起重工具间10#3手拉葫芦5吨HS杭州武林起重工具间11#1手拉葫芦10吨HS杭州武林操作层大修工器具存放处12#2手拉葫芦10吨HS杭州武林操作层大修工器具存放处1314151617检查:链节无严重锈蚀或裂纹,无打滑现象。齿轮完整,轮杆无磨损现象,开口销完整。撑牙灵活能起煞车作用。撑牙平面垫片有足够的厚度,加荷重后不会拉滑。吊钩无裂纹变形。润滑油充分。检查周期:每月外观检查一次,每年用20倍放大镜全面详细检查并贴合格标签。负责人:邹德仁2011年起重工器具清单单位:金湖电力公司大言水电厂4.卡扣、吊环序号名称规格(mm)数量(个)用途存放地点1卡扣Φ364公用起重工具间2卡扣Φ282公用起重工具间3卡扣Φ1810公用起重工具间序号名称规格(mm)数量(个)用途存放地点1吊环Φ484大修用起重工具间2吊环Φ384公用起重工具间3吊环Φ308公用起重工具间检查:丝扣良好,表面无裂纹,应用20倍放大镜全面详细检查。每年检查一次并记录检查情况。检查周期:每年检查一次并记录检查情况(6月份用20倍放大镜全面详细检查)。负责人:邹德仁2011年起重工器具清单单位:金湖电力公司大言水电厂5.千斤顶设备编号名称型号存放地点备注01#1液压千斤顶5T起重工具间自检02#1液压千斤顶50T起重工具间自检03#1螺旋千斤顶3.2T起重工具间自检04#1螺旋千斤顶5T起重工具间自检05#2螺旋千斤顶5T起重工具间自检06#3螺旋千斤顶5T起重工具间自检07#4螺旋千斤顶5T起重工具间自检08#5螺旋千斤顶5T起重工具间自检09#1螺旋千斤顶10T起重工具间自检10#2螺旋千斤顶10T起重工具间自检11#3螺旋千斤顶10T起重工具间自检12#4螺旋千斤顶10T起重工具间自检13#5螺旋千斤顶10T起重工具间自检14#6螺旋千斤顶10T起重工具间自检15#7螺旋千斤顶10T起重工具间自检16#8螺旋千斤顶10T起重工具间自检17#1螺旋千斤顶20T起重工具间自检18#2螺...

1、当您付费下载文档后,您只拥有了使用权限,并不意味着购买了版权,文档只能用于自身使用,不得用于其他商业用途(如 [转卖]进行直接盈利或[编辑后售卖]进行间接盈利)。
2、本站所有内容均由合作方或网友上传,本站不对文档的完整性、权威性及其观点立场正确性做任何保证或承诺!文档内容仅供研究参考,付费前请自行鉴别。
3、如文档内容存在违规,或者侵犯商业秘密、侵犯著作权等,请点击“违规举报”。

碎片内容

起重工器具清单、检查和试验周期表(大言)

您可能关注的文档

确认删除?
VIP
微信客服
  • 扫码咨询
会员Q群
  • 会员专属群点击这里加入QQ群
客服邮箱
回到顶部