电脑桌面
添加小米粒文库到电脑桌面
安装后可以在桌面快捷访问

土方开挖监理细则永安VIP免费

土方开挖监理细则永安_第1页
1/10
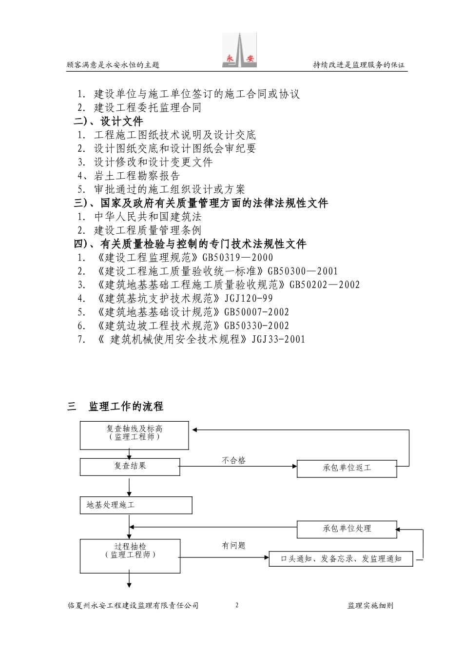
土方开挖监理细则永安_第2页
2/10
土方开挖监理细则永安_第3页
3/10
土方开挖监理细则临夏州永安工程建设监理有限责任公司年月日顾客满意是永安永恒的主题持续改进是监理服务的保证目录一、专业工程概况及特点…………………………………2二、监理工作的依据………………………………………2三、监理工作的流程………………………………………3四、监理工作的控制要点及目标值………………………4五、监理工作的方法及措施………………………………8一工程概况:简要描述本工程概况,主要突出描述本工程地基土质类别、情况、各层次地基土埋深、厚度、地下水埋深、开挖坡度、开挖方法,持力层标高、施工机械安排部署等。二监理工作的依据一)、工程合同文件临夏州永安工程建设监理有限责任公司监理实施细则1顾客满意是永安永恒的主题持续改进是监理服务的保证1.建设单位与施工单位签订的施工合同或协议2.建设工程委托监理合同二)、设计文件1.工程施工图纸技术说明及设计交底2.设计图纸交底和设计图纸会审纪要3.设计修改和设计变更文件4、岩土工程勘察报告5.审批通过的施工组织设计或方案三)、国家及政府有关质量管理方面的法律法规性文件1.中华人民共和国建筑法2.建设工程质量管理条例四)、有关质量检验与控制的专门技术法规性文件1.《建设工程监理规范》GB50319—20002.《建设工程施工质量验收统一标准》GB50300—20013.《建筑地基基础工程施工质量验收规范》GB50202—20024.《建筑基坑支护技术规范》JGJ120-995.《建筑地基基础设计规范》GB50007-20026.《建筑边坡工程技术规范》GB50330-20027.《建筑机械使用安全技术规程》JGJ33-2001三监理工作的流程不合格有问题临夏州永安工程建设监理有限责任公司监理实施细则2复查轴线及标高(监理工程师)复查结果地基处理施工过程抽检(监理工程师)承包单位返工承包单位处理口头通知、发备忘录、发监理通知顾客满意是永安永恒的主题持续改进是监理服务的保证不合格有问题不合格四监理工作控制要点及目标值第一节开工条件控制一、向施工单位进行监理工作交底,明确监理工作程序下发监理作业表格;明确工程质量、进度、投资监理签证的程序;明确监理与施工单位之间函件、文件、报表等公文手续;二、审批施工单位报送的施工组织设计督促施工单位按照设计文件、施工合同的要求及工地现场的实际情况提交施工组织设计,并从施工设备、施工方法、施工质量保证体系和保证措施、施工进度等方面检查其是否满足合同工程的技术安全和进度要求。三、施工质量保证体系的检查认可督促施工单位建立以项目经理、项目总工、质检负责人、专职质检员临夏州永安工程建设监理有限责任公司监理实施细则3填报地基处理质量验收签证(承包单位)监理工程师核验抽检检查结果监理工程师签认基础工程施工监理工程师过程检查填报基础工程质量验收签证(承包单位)监理工程师核验检查结果监理工程师签认承包单位返工承包单位处理口头通知、发备忘录、发监理通知承包单位返工顾客满意是永安永恒的主题持续改进是监理服务的保证组成的工程质量管理组织,配备质量检验和测量工程师,委托有相应资质、资格的检测单位进检测,建立班组自检、专职质检员复检和质检负责人终检的“三检”制度,建立健全施工质量保证体系,并报送监理检查认可。四、组织设计交底在工程开工之前,监理工程师应建议建设单位进行设计交底。使施工单位明确设计意图、技术标准和技术要求。五、测量控制网移交在开工前,监理工程师应及时向施工单位移交测量控制网点,并对施工单位的施工的施工控制网点成果进审查和校验。六、检查施工条件(1)施工设备进场检验施工单位必须按施工承包合同要求组织施工设备进场,并向监理报送进场设备报验单,监理工程师检查施工设备是否配套和完好、完整;检查进场设备数量、型号、技术性能、台班生产率是否满足施工技术和进度的要求,起重机械设备是否应主管部门备案登记,未经监理工程师审查批准的施工设备不得进场使用。(2)原材料进场检验在生产试验和施工使用前,施工单位应向监理报送材料进场报验单,监理工程师应检查原材料的质保资料,按照规定进行见证取样、送样或监理抽样检测,未经监理工程师验收批准的材料不得...

1、当您付费下载文档后,您只拥有了使用权限,并不意味着购买了版权,文档只能用于自身使用,不得用于其他商业用途(如 [转卖]进行直接盈利或[编辑后售卖]进行间接盈利)。
2、本站所有内容均由合作方或网友上传,本站不对文档的完整性、权威性及其观点立场正确性做任何保证或承诺!文档内容仅供研究参考,付费前请自行鉴别。
3、如文档内容存在违规,或者侵犯商业秘密、侵犯著作权等,请点击“违规举报”。

碎片内容

土方开挖监理细则永安

确认删除?
VIP
微信客服
  • 扫码咨询
会员Q群
  • 会员专属群点击这里加入QQ群
客服邮箱
回到顶部