电脑桌面
添加小米粒文库到电脑桌面
安装后可以在桌面快捷访问

天然砂砾底基层试验段施工总结VIP免费

天然砂砾底基层试验段施工总结_第1页
1/6
天然砂砾底基层试验段施工总结_第2页
2/6
天然砂砾底基层试验段施工总结_第3页
3/6
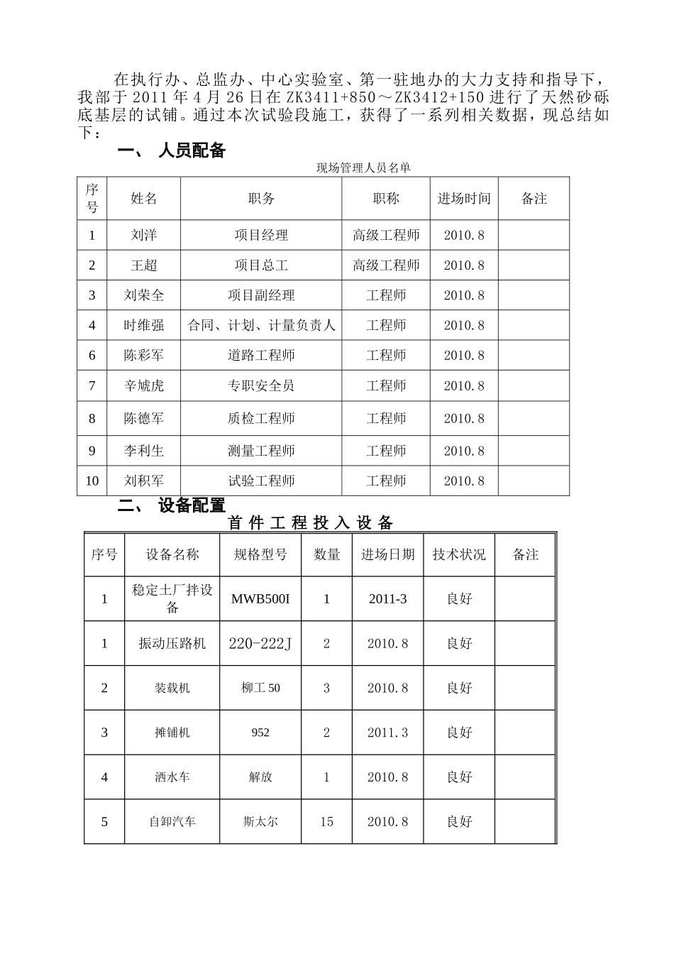
连云港—霍尔果斯高速公路星星峡—吐鲁番段公路工程第一合同段(K3395+315.72~K3432+000.00)天然砂砾底基层首件工程总结报告山东高速路桥山东省路桥集团有限公司连霍高速公路星星峡—吐鲁番公路工程第一合同段项目部天然砂砾底基层首件工程总结报告在执行办、总监办、中心实验室、第一驻地办的大力支持和指导下,我部于2011年4月26日在ZK3411+850~ZK3412+150进行了天然砂砾底基层的试铺。通过本次试验段施工,获得了一系列相关数据,现总结如下:一、人员配备现场管理人员名单序号姓名职务职称进场时间备注1刘洋项目经理高级工程师2010.82王超项目总工高级工程师2010.83刘荣全项目副经理工程师2010.84时维强合同、计划、计量负责人工程师2010.86陈彩军道路工程师工程师2010.87辛虓虎专职安全员工程师2010.88陈德军质检工程师工程师2010.89李利生测量工程师工程师2010.810刘积军试验工程师工程师2010.8二、设备配置首件工程投入设备序号设备名称规格型号数量进场日期技术状况备注1稳定土厂拌设备MWB500I12011-3良好1振动压路机220-222J22010.8良好2装载机柳工5032010.8良好3摊铺机95222011.3良好4洒水车解放12010.8良好5自卸汽车斯太尔152010.8良好6全站仪中纬12010.8良好7水准仪DSZ222010.8良好8大钢尺50M22010.8良好9钢卷尺5M52010.8良好三、配合比调试严格按照监理工程师批复的底基层配合比进行生产调试,调试完毕后取样进行级配范围、含水量的检验。经检验,级配在规范要求范围内,平均含水量5%,均满足规范及设计要求。天然砂砾底基层配合比序号材料名称材料规格配比(%)最佳含水量(%)最大干密度(g/cm3)1碎石20-30mm255.22.362碎石10-20mm103碎石5-10mm54天然砂砾0-31.5mm60四、施工方案工艺流程准备下承层→施工放样→厂拌混合料→运输→摊铺→碾压→养生1.准备下承层清扫下承层,做到表面洁净,无浮土、杂物,干燥路段提前进行洒水湿润,便于层与层之间的粘结,对局部松散的地方进行清理。2.施工放样放线;利用导线控制点恢复中边桩,按照每10m一断面标出中桩和边桩,按照拟定松铺系数(1.25)计算松铺厚度挂好基准线,基准线达到规定拉力以保证高程准确。基准线应平顺,发现个别基准桩处忽高忽低,则进行复查调试或做顺线处理。3.厂拌混合料3.1采用连续式水稳拌和机拌和,在料斗口顶部安装筛网过滤超粒径粒料,配备四个料斗且带有自动进料和计量装置。各种规格的集料分级进料且计量准确,拌和机产量可达500吨/小时。3.2严格按照监理工程师批复的底基层配合比进行拌和,拌和前先对原材料进行含水量测定,根据天气情况和施工现场的压实情况可对实际应加水量作适当调整。3.3混合料拌好后存入储料斗,待料斗储满后再装入运输车箱内,运输车前后移动装料以避免或减轻混合料离析。3.4拌和站设专人对混合料的含水量及是否存在粗细集料离析现象进行监测,发现异常情况,及时处理,以保证混合料的均匀性。3.5试验室检查a.含水量:安排专人专职不定时取样检测,并与施工现场保持联系,发现异常及时调整。b.混合料级配范围经常抽查,异常时随时处理,不合格材料不得使用。3.6拌和站水电设施完善,完全能满足生产生活要求,配好消防器材,做好防火、防电、安全保卫工作,避免环境污染。4.运输采用自卸运输车进行运输,运输车辆根据生产能力和运距确定,并有适当的余量。开始拌和前,机料科检查运输车辆车况是否良好,料斗内侧壁及底板是否干净,车况不好和料斗内侧壁及底板不干净的运输车不予装料。5.摊铺5.1采用两台摊铺机组成梯队联合摊铺,单幅一次成形,两台摊铺机前后相距10~20m,前后两台摊铺机轨道重叠50~100mm。保证摊铺速度一致、振捣频率一致、摊铺厚度一致、横坡度一致,摊铺接缝密实平整。5.2摊铺机位于摊铺起点,按松铺厚度采用宽20cm长60cm的硬质木板调整熨平板高度与松铺厚度一致。5.3第一辆料车在专人指挥下缓慢靠近摊铺机(严禁碰撞),停车起斗卸料,挂空档,待摊铺机螺旋布料器在熨平板前满布混合料后,摊铺机起步推动运料车前进,摊铺开始。5.4运料车在摊铺机前按一定间隔顺序停放,最靠近的一辆料车在摊铺机前10~30cm处停下,等待摊铺机靠近,空挡由摊铺机...

1、当您付费下载文档后,您只拥有了使用权限,并不意味着购买了版权,文档只能用于自身使用,不得用于其他商业用途(如 [转卖]进行直接盈利或[编辑后售卖]进行间接盈利)。
2、本站所有内容均由合作方或网友上传,本站不对文档的完整性、权威性及其观点立场正确性做任何保证或承诺!文档内容仅供研究参考,付费前请自行鉴别。
3、如文档内容存在违规,或者侵犯商业秘密、侵犯著作权等,请点击“违规举报”。

碎片内容

天然砂砾底基层试验段施工总结

确认删除?
VIP
微信客服
  • 扫码咨询
会员Q群
  • 会员专属群点击这里加入QQ群
客服邮箱
回到顶部