电脑桌面
添加小米粒文库到电脑桌面
安装后可以在桌面快捷访问

全过程工程咨询案例VIP免费

全过程工程咨询案例_第1页
1/10
全过程工程咨询案例_第2页
2/10
全过程工程咨询案例_第3页
3/10
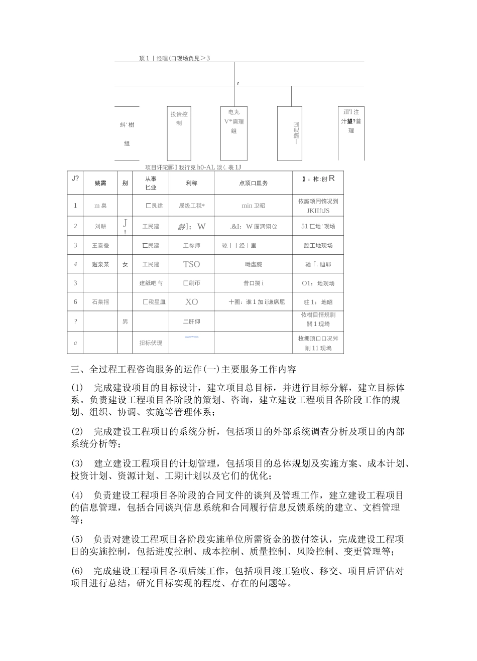
一、项目基本概况1.工程概况****物流园区建设地点位于**新区**新城**镇,西邻**铁路,东临**高速,南侧为**路,北侧为**(规划路)。项目占地面积281087m?(约合421.63亩),总建筑面积114790,总投资5.98亿元。项目主要建设有商贸中心、仓储区、金工配送区、停车服务区、公用辅助设施和总体工程六个部分。其中商贸中心地上18层,地下一层,建筑面积30936m;仓储区共8个库,6个6T库96m*105m,2个12T库98m*108m,仓库面积共86150m;金工配送区占地面积21147m,建筑面积24645m;停车服务区占地面积16778;公用辅助工程建筑面积400m;修建道路面积99701m;绿化面积55490mo2.项目特点(1)本项目为省“十三五”重点项目,背负着承接未来西北地区主要物流服务市场运行的使命,提高本区域供给能力和运输配送水平。与此同时,项目的建成可带动相关行业上下游产业的发展,推动当地经济发展,因此要确保项目如期按时交付运营;(2)施工环境复杂,因为处于城乡交叉地带,协调工作难度大,直接影响项目进度目标的实现;(3)本项目建设总体目标:西北地区一流的物流中心和国家储备物资调配中心二、咨询服务范围及组织模式1.全过程工程咨询服务业务范围前期建设阶段协助建设单位进行项目前期策划、经济分析与投资确定;协助建设单位办理土地征用、建设项目立项、规划许可及施工许可等建设手续;参与编制工程设计要求、组织评审工程设计方案、组织工程勘察设计招标、签订勘察设计合同并监督实施、组织设计单位进行工程设计优化、技术经济比选并进行投资控制;组织工程监理、施工、设备材料采购招标;协助建设单位与施工单位及建筑材料、设备、构配件供应等企业签订合同并监督实施;协助建设单位提出工程实施用款计划,进行工程竣工结算和工程决算,处理工程索赔,组织工程竣工验收和建设项目审计,向建设单位移交竣工档案资料;组织工程试运行,工程保修期管理,项目后评估;有关项目建设的其他工作。2.全过程工程咨询服务的组织模式为适应该项目咨询要求,公司成立了项目管理中心,组织了业务能力强、技术水平高的骨干人员成立了专业管理团队。组织架构如图(1)及表(1)顶1丨经哩(口现场负見>3r蚪'樹组投贵控制电丸V*需理组一詣走国ill'l注汁望?普理项目讦陀郦I我行克h0-AL淡(.表1JJ?姚需别从事匕业利称点顶口皿务】:柞:肘R1m臬匚艮建局级工稅*min卫昭依廝顼冃惰况到JKIIftJS2刘耕J!工民建齡l:W.&I:W厲洞翎(251匸地'现场3王秦蚕匸民建工祢师琼丨丨经」里腔工地现场4邂泉某女工民建TSO哋虛腕驰「.辿耶3建紙吧气匚刷帀昔口捌iO1:地现场6石臬揺匚稅星皿XO十圈:谁1加i|谦席屈驻1:地昭?男二肝仰依樹目情規剽關1现埼a扭标伏现WWWWWYk枚拥顶口口况舛削11现塢三、全过程工程咨询服务的运作(一)主要服务工作内容(1)完成建设项目的目标设计,建立项目总目标,并进行目标分解,建立目标体系。负责建设工程项目各阶段的策划、咨询,建立建设工程项目各阶段工作的规划、组织、协调、实施等管理体系;(2)完成建设工程项目的系统分析,包括项目的外部系统调查分析及项目的内部系统分析等;(3)建立建设工程项目的计划管理,包括项目的总体规划及实施方案、成本计划、投资计划、资源计划、工期计划以及它们的优化;(4)负责建设工程项目各阶段的合同文件的谈判及管理工作,建立建设工程项目的信息管理,包括合同谈判信息系统和合同履行信息反馈系统的建立、文档管理等;(5)负责对建设工程项目各阶段实施单位所需资金的拨付签认,完成建设工程项目的实施控制,包括进度控制、成本控制、质量控制、风险控制、变更管理等;(6)完成建设工程项目各项后续工作,包括项目竣工验收、移交、项目后评估对项目进行总结,研究目标实现的程度、存在的问题等。(二)具体工作1.项目建设前期工作(1)组织项目建议书、可行性研究报告、节能评估报告、环境影响评价报告、总体规划设计的编制及评审工作;(2)办理项目备案手续,土地证,用地规划许可证;(3)组织项目方案的比选,完成项目消防、人防的预审工作;(4)办理土地征用、建设规划许可等建设手续;(5)与供电局沟通完善项目供配电方案,与规划局沟通市政管网接口配合;(6)完成工程项目勘...

1、当您付费下载文档后,您只拥有了使用权限,并不意味着购买了版权,文档只能用于自身使用,不得用于其他商业用途(如 [转卖]进行直接盈利或[编辑后售卖]进行间接盈利)。
2、本站所有内容均由合作方或网友上传,本站不对文档的完整性、权威性及其观点立场正确性做任何保证或承诺!文档内容仅供研究参考,付费前请自行鉴别。
3、如文档内容存在违规,或者侵犯商业秘密、侵犯著作权等,请点击“违规举报”。

碎片内容

全过程工程咨询案例

确认删除?
VIP
微信客服
  • 扫码咨询
会员Q群
  • 会员专属群点击这里加入QQ群
客服邮箱
回到顶部