电脑桌面
添加小米粒文库到电脑桌面
安装后可以在桌面快捷访问

风险点统计表VIP免费

风险点统计表_第1页
1/13
风险点统计表_第2页
2/13
风险点统计表_第3页
3/13
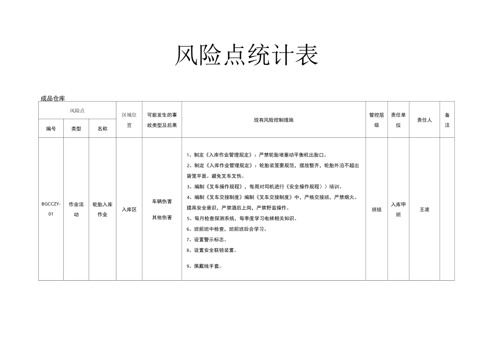
风险点统计表成品仓库风险点区域位置可能发生的事故类型及后果现有风险控制措施管控层级责任单位责任人备注编号类型名称BGCCZY-01作业活动轮胎入库作业入库区车辆伤害其他伤害1、制定《入库作业管理规定》:严禁轮胎堵塞动平衡机出胎口。2、制定《入库作业管理规定》:轮胎装笼要规范,摆放整齐,轮胎外沿不超出貨笼平面。避免叉车叉伤。3、编制《叉车操作规程》,每周对司机进行《安全操作规程〉〉培训。4、编制《叉车交接制度》编制《叉车交接制度》中,严格交接班,严禁烟火。提高安全意识,严禁酒后上岗,严禁野蛮操作。5、每月检查探测系统,每季度学习电梯相关知识。6、班前班中检查,班前班后会学习。7、设置警示标志。8、设置安全联锁装置。9、佩戴线手套。班组入库甲班王波BGCCZY-02作业活动高空作业高架库库区起重伤害高处坠落其他伤害1、设置安全距离与警示标志。2、一人操作一人监护。3、设置专人监督检查。4、编制《高空作业安全规范》。5、开会讲述安全注意事项。6、作业前安全强调。7、佩戴线手套、安全帽、安全带、劳保鞋。8、学习国家相关技术规范。9、发现人员受伤,立即送医院或拨打120。10、发生火灾时,先组织人员自救,同时拨打119报警。班组维保班卢增强BGCCZY-03作业活动动火焊接作业高架库触电火灾物体打击其他伤害1、设置安全距离。2、焊机外壳接地并张贴“必须接地”标识。3、焊接时对焊机进行固定。4、配备移动式焊接烟尘吸收装置、水、灭火器。5、制定有《电焊机安全管理制度》。6、每季度培训《电焊工安全操作规程》。7、佩戴焊工手套和焊工帽。8、学习国家相关技术规范。9、发现人员受伤,立即送医院或拨打120。班组维保班卢增强10、发生烫伤时用大量清水清洗,并及时就医。班组BGCCZY-04作业活动临时用电作业高架库触电物体打击其他伤害1、设置漏电保护器。2、作业中检查。3、上一级人员检查监督好,作业前强调。4、佩戴手套。5、发现人员触电立即切断电源,或用不导电物体将人员与电源线脱离,拨打120。维保班卢增强BGCCZY-05作业活动吊装作业环穿区起重伤害触电1、设置护栏,设置4米安全距离。2、设置漏电保护器。3、专人监督检查。4、班前班后会强调。5、佩戴手套。6、发现人员受伤,立即将伤者清理现场,进行简单包扎后拨打120就医。车间成品仓库王龙亭BGCCZY-06作业活动轮胎包装作业包装区火灾触电物体打击其他伤害1、包装机具有完好的防护(隔离)装置,包装机裸露接线柱设有漏电保护器。2、设置安全警示标志:防止跌伤。3、设置装卸平台。4、设置启动按钮。5、处理故障必须停机,处理故障挂“有人处理故障,请勿操作”的警示牌。6、制定有《包装机安全操作流程》,每年度培训。7、制定有《物资包装机管理制度》,每年度培训。8、班前会教育。9、佩戴手套、穿戴工作服。10、发现人员受伤,立即将伤者清理现场,进行简单包扎后拨打120就医。车间成品仓库王龙亭BGCCZY-07作业活动轮胎出库作业发货区触电火灾高处坠落其他伤害1、设置通风设施。2、设置安全警示标志:防止跌落、砸伤。3、处理故障必须停机,处理故障挂“有人处理故障,请勿操作”的警示牌。4、制定有《物资出库制度》每季度培训。5、制定有《物资装卸管理制度》每季度培训。6、制定有《设备维保管理制度》每年度培训。7、现场对容易造成扭伤、跌伤的包装废料清理干净,保证装卸平台无杂物后方可进行作业。8、班前会教育。9、佩戴手套、穿戴工作服,配备安全带。车间成品仓库王龙亭10、发现人员受伤,立即将伤者清理现场,进行简单包扎后拨打120就医。BGCCZY-08作业活动原材装卸作业原材库车辆伤害其他伤害1、设置通风设施。2、设置安全警示标志:防止跌落、砸伤。3、对气味、粉尘较大的材料设置安全警示标志。4、现场对容易造成扭伤、跌伤的包装废料清理干净,保证装卸平台无杂物后方可进行作业。5、制定有《物资装卸管理制度》:施工完毕,仔细检查施工区域、清理边角余料,打扫施工区域后方可离开。6、每季度培训《物资装卸管理制度》。冈位装卸刘树国7、班前会教育。8、佩戴线手套、口罩等防护用品。9、发现人员受伤,立即将伤者进行简单包扎后拨打120就医。BGCCSB-01设施包...

1、当您付费下载文档后,您只拥有了使用权限,并不意味着购买了版权,文档只能用于自身使用,不得用于其他商业用途(如 [转卖]进行直接盈利或[编辑后售卖]进行间接盈利)。
2、本站所有内容均由合作方或网友上传,本站不对文档的完整性、权威性及其观点立场正确性做任何保证或承诺!文档内容仅供研究参考,付费前请自行鉴别。
3、如文档内容存在违规,或者侵犯商业秘密、侵犯著作权等,请点击“违规举报”。

碎片内容

风险点统计表

确认删除?
VIP
微信客服
  • 扫码咨询
会员Q群
  • 会员专属群点击这里加入QQ群
客服邮箱
回到顶部