电脑桌面
添加小米粒文库到电脑桌面
安装后可以在桌面快捷访问

第二章 施工现场平面布置和临时设施、临时道路布置VIP免费

第二章  施工现场平面布置和临时设施、临时道路布置_第1页
1/5
第二章  施工现场平面布置和临时设施、临时道路布置_第2页
2/5
第二章  施工现场平面布置和临时设施、临时道路布置_第3页
3/5
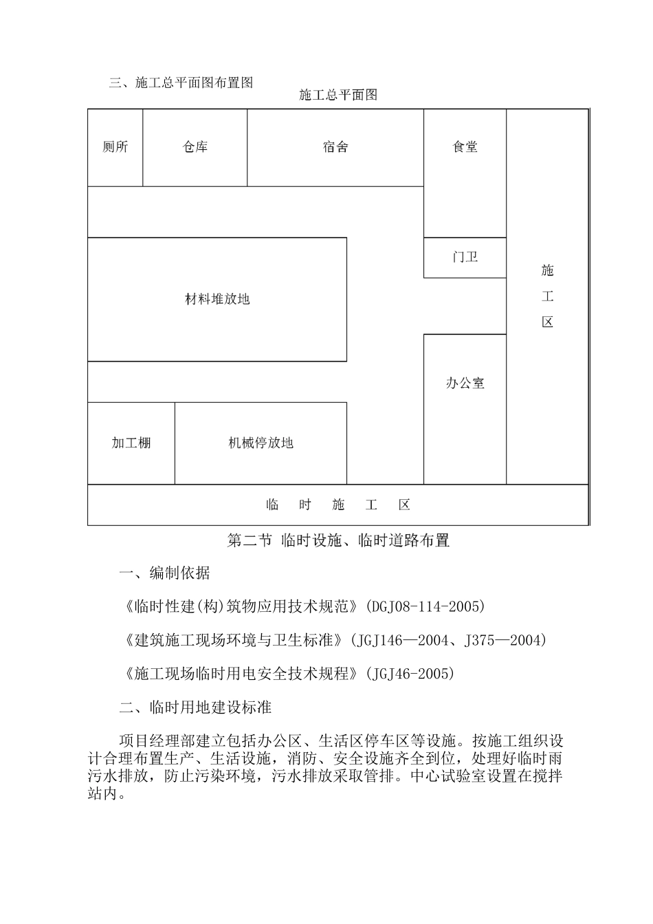
第二章施工现场平面布置和临时设施、临时道路布置第一节布置依据若我单位有幸中标,施工总平面布置图经审批后要严格执行,但随时间的推移和工程的进展实际情况,可对施工区进行调整。但要自行控制,不得扩大范围,不得损坏临近的工程设施,各项施工设施布置都要满足:有利生产、方便生活、安全防火、文明施工和环境保护要求,减少对周围群众生活的影响。各类废弃物必须运至指定地点,竣工时必须完成场地清理,所有临时设施必须拆除清理并恢复原状。一、布置依据1、招标文件有关要求。2、现场踏勘情况。3、施工图纸。4、总进度计划及资源需用量计划。5、总体部署和主要施工方案。6、安全文明施工及环境保护要求。二、布置原则1、全面满足业主要求、招标文件、施工规范和各项技术要求。2、严格按照ISO9001国际标准质量管理体系和项目法施工要求进行施工管理和质量控制。建立健全质量保证体系,强化施工安全技术组织措施,使各项工作落到实处,为本标段有序、高效地进行施工创造良好的条件。3、统筹安排,科学合理。根据现场勘察调查资料及本标段工程的工程特点,全面规划、统筹安排,突出重点难点及关键工序,采用科学合理的施工方法,确保施工组织设计满足业主招标文件要求。4、结合实际,经济可靠。优化方案,降低成本;方案的确定要充分论证,确保采取施工方案的可靠性,满足施工的总体安排。5、根据气候条件,采取得力措施,科学地安排施工。6、所需资源配备确保满足工程施工需要。7、注重环境保护。采取得力的水土保护及相关环保措施。8、注重安全生产,文明施工,采取有力的保证措施。9、实施项目法管理,通过对劳力、设备、材料、资金、技术、方案和信息的优化处置,实现造价、工期、质量目标效果。10、严守承诺,全面履行合同。三、施工总平面图布置图一、编制依据《临时性建(构)筑物应用技术规范》(DGJ08-114-2005)《建筑施工现场环境与卫生标准》(JGJ146—2004、J375—2004)《施工现场临时用电安全技术规程》(JGJ46-2005)二、临时用地建设标准项目经理部建立包括办公区、生活区停车区等设施。按施工组织设计合理布置生产、生活设施,消防、安全设施齐全到位,处理好临时雨污水排放,防止污染环境,污水排放采取管排。中心试验室设置在搅拌站内。办公区内设置的项目经理室、各业务科室和档案室、会议室等门口挂设名称牌。会议室内施工总平面布置平面图、项目经理部组织机构框图、质量自检体系框图、安全管理体系框图、环保管理体系框图、工程进度柱状图、工程管理曲线图、开展劳动立功竞赛活动有关图表、工程总体目标等张贴上墙;各部室内的各项规章制度、部门职责、工作计划、晴雨表等张贴上墙。生活区设置有:宿舍、食堂、卫生间等。在驻地宣传栏内设置鲜明工整的“五牌一图”和农民工工资发放公示牌,即:工程概况牌、安全生产活动记录牌、安全生产六大纪律和十项安全技术措施牌、现场防火责任牌和施工平面图、民工工资发放公示牌。三、临时道路布置根据现有道路布置四、临时用地安排用途面积(平方米)需用时间年月至—年—月用地位置菜地水田旱地荒地桩左侧(m)右侧(m)一、临时工程工期1•便道工期2.便桥工期3.……工期工期二、生产及生活临时设施工期1•临时住房300工期2.办公等公用房屋300工期3•料库工期4.预制场工期租用面积合计600

1、当您付费下载文档后,您只拥有了使用权限,并不意味着购买了版权,文档只能用于自身使用,不得用于其他商业用途(如 [转卖]进行直接盈利或[编辑后售卖]进行间接盈利)。
2、本站所有内容均由合作方或网友上传,本站不对文档的完整性、权威性及其观点立场正确性做任何保证或承诺!文档内容仅供研究参考,付费前请自行鉴别。
3、如文档内容存在违规,或者侵犯商业秘密、侵犯著作权等,请点击“违规举报”。

碎片内容

第二章 施工现场平面布置和临时设施、临时道路布置

确认删除?
VIP
微信客服
  • 扫码咨询
会员Q群
  • 会员专属群点击这里加入QQ群
客服邮箱
回到顶部