电脑桌面
添加小米粒文库到电脑桌面
安装后可以在桌面快捷访问

深孔注浆技术交底VIP免费

深孔注浆技术交底_第1页
1/8
深孔注浆技术交底_第2页
2/8
深孔注浆技术交底_第3页
3/8
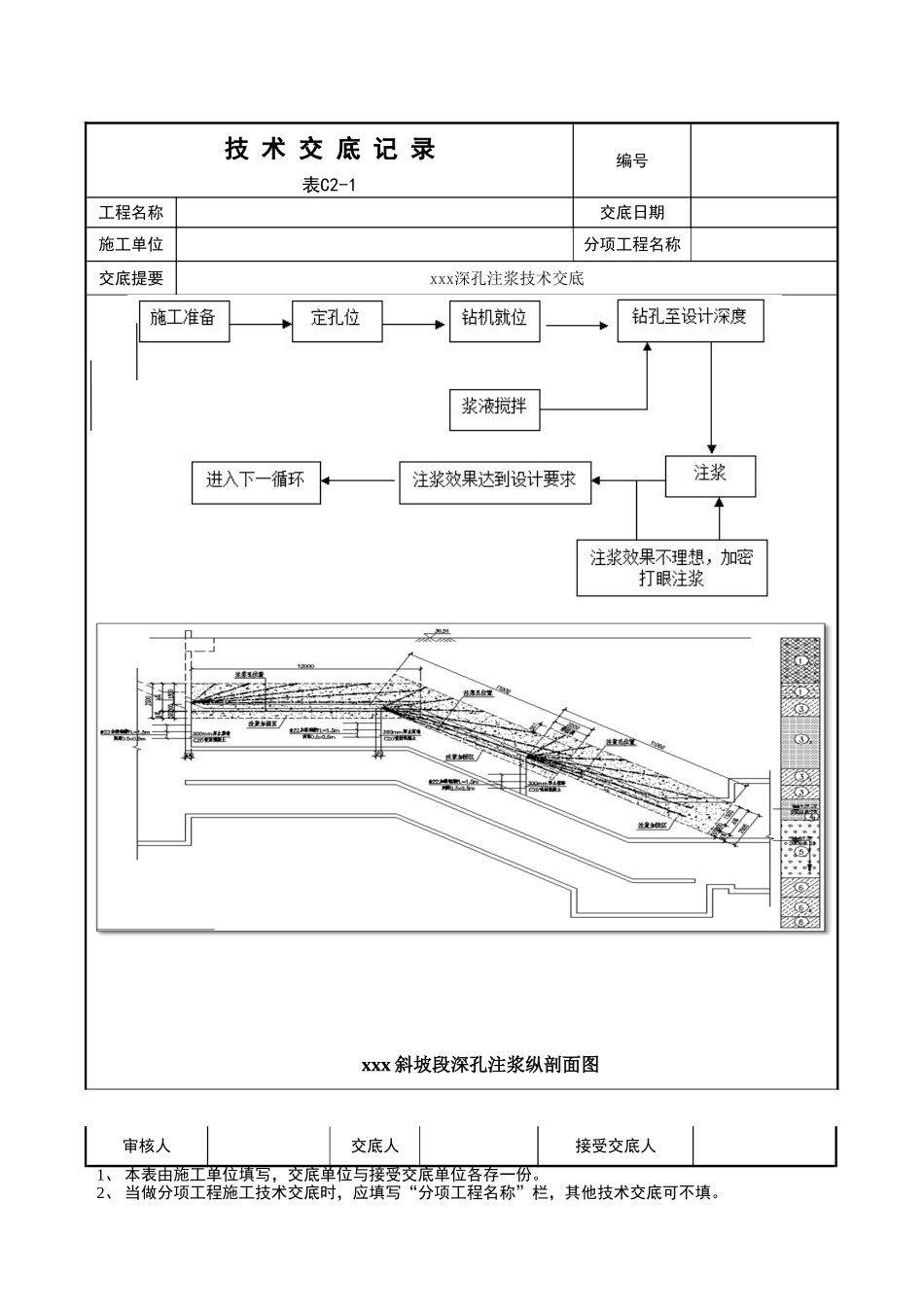
技术交底记录表C2-1编号工程名称交底日期施工单位分项工程名称交底提要xxx深孔注浆技术交底交底内容:一、材料准备普通硅酸盐水泥、水玻璃、浓硫酸、磷酸、固砂剂。二、主要机具YSB—60/50型注浆泵、MVT-400上下双筒搅拌机、YXU-100回转地质钻机、量杯、排水处理装备、凝胶时间测定仪、逆止阀、喷头、注浆液混合器、钻杆及钻头、高压注浆管。三、作业条件1、施工队伍具有专业承包资质,已经在项目部备案,施工人员已经通过三级安全教育,考试合格;2、水泥进场验收合格,可以使用;3、xxx目前竖井初支结构已施工完成,现已具备马头门破除施工阶段.4、测量放线已完成,且复核无误后对协作队交底完成;5、机械进场报验合格、特殊工种岗位证书验收合格。四、施工方法xxx深孔注浆施工工艺流程:审核人交底人接受交底人1、本表由施工单位填写,交底单位与接受交底单位各存一份。2、当做分项工程施工技术交底时,应填写“分项工程名称”栏,其他技术交底可不填。技术交底记录表C2-1编号工程名称交底日期施工单位分项工程名称交底提要xxx深孔注浆技术交底xxx斜坡段深孔注浆纵剖面图审核人交底人接受交底人1、本表由施工单位填写,交底单位与接受交底单位各存一份。2、当做分项工程施工技术交底时,应填写“分项工程名称”栏,其他技术交底可不填。技术交底记录表C2-1编号工程名称交底日期施工单位分项工程名称交底提要xxx深孔注浆技术交底xxx深孔注浆横剖面图1、出入口斜坡段通道深孔注浆施工方法出入口通道斜坡段采用六洞室CRD法开挖,注浆范围为通道拱部开挖轮廓线外1.5m至内0.5m间(A区)采用深孔注浆进行超前支护,开挖轮廓线内0.5~1.0m间(B区)采用深孔注浆进行土体加固,B区的填充系数为A区的50%,同时应保证注浆加固体连续均匀。深孔注浆前需要在上台阶核心土范围外的掌子面设置止浆墙,厚度为300mm,采用C20喷射混凝土,并设单层Φ6.0@150×150钢筋网。第一次注浆长度控制在12m,第二、三次注浆控制在审核人交底人接受交底人1、本表由施工单位填写,交底单位与接受交底单位各存一份。2、当做分项工程施工技术交底时,应填写“分项工程名称”栏,其他技术交底可不填。技术交底记录表C2-1编号工程名称交底日期施工单位分项工程名称交底提要xxx深孔注浆技术交底11m。第一段开挖9.482m,第二段开挖长度为9.258m,第三段开挖长度为7.714m。搭接2m,每段注浆前封闭掌子面设置止浆墙,注浆压力控制在0.8~1.0MPa,扩散半径0.5m。注浆浆液采用水泥-水玻璃双液浆,适当添加调节浆液凝结时间和可注性的外加剂。详见下图:2、出入口通道斜坡段深孔注浆具体施工工艺1、深孔注浆工艺简介深孔注浆采用二重管无收缩双液工法简称WSS注浆工法,是采用二重管钻机钻孔至预定深度后注浆,浆液有两种:浆液分溶液型(A、B液组成)和悬浊液型(A、C液组成)。两种浆液通过二重管端头的浆液混合器充分混合。注浆时浆液将颗粒间存在的水强迫挤出,使颗粒间的空隙充满浆材并使其固结达到改良土层性状的目的。其喷浆特性是使该土层粘结力(c)、内摩擦角值增大,从而使地层粘结强度及密实度增加,起到加固作用。2、注浆材料及配比根据本工程地质情况特点及浆液扩散半径,注浆材料采用普通硅酸盐水泥(P.O42.5)+水玻璃(硅酸钠)双液浆,注浆时,根据现场实际情况适当调整配合比,并适当加入特种材料(磷酸等),控制凝结时间,提高止水效果。注浆配合比为:A:B:C:D=1:1:1:0.005其中:A:水泥浆(水灰比为1:1)B:水玻璃(浓度为40%,水玻璃:水=2:1)审核人交底人接受交底人1、本表由施工单位填写,交底单位与接受交底单位各存一份。2、当做分项工程施工技术交底时,应填写“分项工程名称”栏,其他技术交底可不填。技术交底记录表C2-1编号工程名称交底日期施工单位分项工程名称交底提要xxx深孔注浆技术交底C:磷酸(浓度为85%,酸性溶液:水=1:7)D:固砂剂此配合比可根据现场实际地质与水文情况进行适当调整,保证注浆效果达到最佳。3、具体施工工艺(1)、对掌子面进行临时封闭,形成止浆墙。(2)、在注浆施工前,对钻机、注浆泵、搅拌机等机械进行检查、调试、维修,保证施工顺利进行。(3)、钻机与设备就位1...

1、当您付费下载文档后,您只拥有了使用权限,并不意味着购买了版权,文档只能用于自身使用,不得用于其他商业用途(如 [转卖]进行直接盈利或[编辑后售卖]进行间接盈利)。
2、本站所有内容均由合作方或网友上传,本站不对文档的完整性、权威性及其观点立场正确性做任何保证或承诺!文档内容仅供研究参考,付费前请自行鉴别。
3、如文档内容存在违规,或者侵犯商业秘密、侵犯著作权等,请点击“违规举报”。

碎片内容

深孔注浆技术交底

您可能关注的文档

起跑线书城+ 关注
实名认证
内容提供者

热爱教学事业,对互联网知识分享很感兴趣

确认删除?
VIP
微信客服
  • 扫码咨询
会员Q群
  • 会员专属群点击这里加入QQ群
客服邮箱
回到顶部