电脑桌面
添加小米粒文库到电脑桌面
安装后可以在桌面快捷访问

红牌楼立交注浆加固技术交底VIP免费

红牌楼立交注浆加固技术交底_第1页
1/5
红牌楼立交注浆加固技术交底_第2页
2/5
红牌楼立交注浆加固技术交底_第3页
3/5
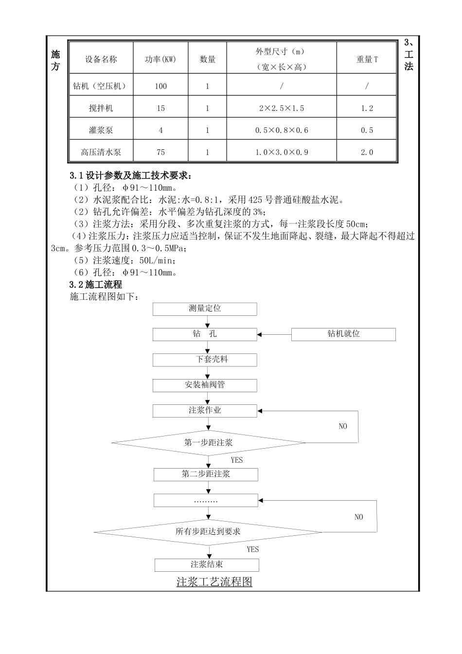
SG-006技术交底工程名称成都地铁3号线一期土建1标红牌楼车站建设单位成都地铁有限公司监理单位上海建浩工程顾问有限公司施工单位中铁八局股份有限公司交底部位红牌楼立交注浆加固交底日期交底人签字接受人签字交底内容:1、施工准备进场施工前,首先对桥墩注浆加固的施工场地地面进行清理,对注浆范围内的地下管线、承台等障碍物进行梳理,并在既有硬化地面上做好管线标识,绘制好袖阀管注浆平面布置图;同时合理布置施工机械、输送管路和电力线路位置,确保施工场地的“三通一平”。2、资源配备2.1人力资源配备本工程主要施工人员配备见下表。人员配备表工种人数工作内容工程管理人员2对本分项工程的施工质量、安全、进度、文明施工、材料设备供应等全面管理工程技术人员2施工测量、技术交底、质量、安全检查、整理资料等技术管理工作电工1电路检查操作手6措施的操作测量员3施工测量材料员6供料班长1调度、开展工作合计212.2机械资源配备本工程施工中所需的各主要施工机械、机具见下表。3、施工方法3.1设计参数及施工技术要求:(1)孔径:φ91~110mm。(2)水泥浆配合比:水泥:水=0.8:1,采用425号普通硅酸盐水泥。(2)钻孔允许偏差:水平偏差为钻孔深度的3%;(3)注浆方法:采用分段、多次重复注浆的方式,每一注浆段长度50cm;(4)注浆压力:注浆压力应适当控制,保证不发生地面降起、裂缝,最大降起不得超过3cm。参考压力范围0.3~0.5MPa;(5)注浆速度:50L/min;(6)孔径:φ91~110mm。3.2施工流程施工流程图如下:测量定位钻孔下套壳料钻机就位安装袖阀管注浆作业第一步距注浆第二步距注浆………所有步距达到要求注浆结束NOYESNOYES注浆工艺流程图设备名称功率(KW)数量外型尺寸(m)(宽×长×高)重量T钻机(空压机)1001//搅拌机1512×2.5×1.51.2灌浆泵410.5×0.8×0.60.5高压清水泵7511.0×3.0×0.92.03.3注浆孔布置及注浆深度注浆孔布置见《红牌楼立交注浆加固平面布置图》注浆深度为区间最底部。根据区间埋深,其注浆孔深度统一为18m(以地面为参照)。3.4施工质量控制标准1)钻孔深度、直径、抗压强度和透水性应符合设计要求。2)袖阀管法注浆可采用钻孔取芯、标准贯入等方法进行检验。施工时由现场实际情况根据地铁和成都市规定进行选用方法检验,但需报监理工程师审批。3)检验点的数量为钻孔数的1%,不合格者应进行补注浆。4)质量检验应在袖阀管注浆结束四周后进行。5)所有使用的材料、设备进场后在使用之前,先提前报监理工程师审核,合格后方投入现场施工。施工质量检验标准序号项目名称技术标准检查方法1钻孔垂直度允许偏差≯1.0%实测或全站仪测钻杆2钻孔位置允许偏差20mm尺量3钻孔深度允许偏差±100mm尺量4注浆压力0.2~0.4MPa查看压力表5水泥浆液初凝时间不超过20小时6无侧限抗压强度qu(28)≥1.0MPa。试验检验7各种注浆材料称量误差<3%抽查8水灰比0.8~1试验检验4、施工注意事项4、1按施工方案做好各项施工前的准备工作;做好技术交底工作。工程项目技术负责人对施工员、机组队长进行技术交底,确保施工按方案要求进行;为了保证注浆钻孔不影响地下管线和桥梁承台。钻孔前,必须进行人工开挖探坑并探查清楚。如果发现未知管线,必须通知相关技术管理技术人员到场查看并联系相关管线产权单位人员到场进行确认后方能施工,而且钻孔点位必须根据现场实际情况进行灵活调整。在钻孔过程中如果发现异常,必须及时通知相关技术管理人员到场查看。开工前制定材料进场计划,特殊材料和设计指定的材料尽早落实货源,及时组织进场,并提前进行原材料检验工作和水泥浆的配合比。4、2注浆材料应具有良好的可注性,固结后收缩小、具有良好的粘结力和一定的强度、抗渗、耐久和稳定性。4、3做好各种施工机械设备的保养、检修工作,保证施工过程中机械设备的正常运转;4、4按方案提供的控制轴线和控制点,根据设计图纸测放出注浆孔位,开工前专人复核检查注浆孔位;4、5袖阀管套壳料配方由现场试验最后确定,应严格控制,各种材料的偏差不大于3%,套壳料施工质量的高低决定注浆施工的成败。成孔后,及时在注浆范围内浇注套壳料,用来防止袖阀管在注浆过程中变形、变位...

1、当您付费下载文档后,您只拥有了使用权限,并不意味着购买了版权,文档只能用于自身使用,不得用于其他商业用途(如 [转卖]进行直接盈利或[编辑后售卖]进行间接盈利)。
2、本站所有内容均由合作方或网友上传,本站不对文档的完整性、权威性及其观点立场正确性做任何保证或承诺!文档内容仅供研究参考,付费前请自行鉴别。
3、如文档内容存在违规,或者侵犯商业秘密、侵犯著作权等,请点击“违规举报”。

碎片内容

红牌楼立交注浆加固技术交底

您可能关注的文档

起跑线书城+ 关注
实名认证
内容提供者

热爱教学事业,对互联网知识分享很感兴趣

确认删除?
VIP
微信客服
  • 扫码咨询
会员Q群
  • 会员专属群点击这里加入QQ群
客服邮箱
回到顶部