电脑桌面
添加小米粒文库到电脑桌面
安装后可以在桌面快捷访问

PCB设计基本工艺要求VIP免费

PCB设计基本工艺要求_第1页
1/6
PCB设计基本工艺要求_第2页
2/6
PCB设计基本工艺要求_第3页
3/6
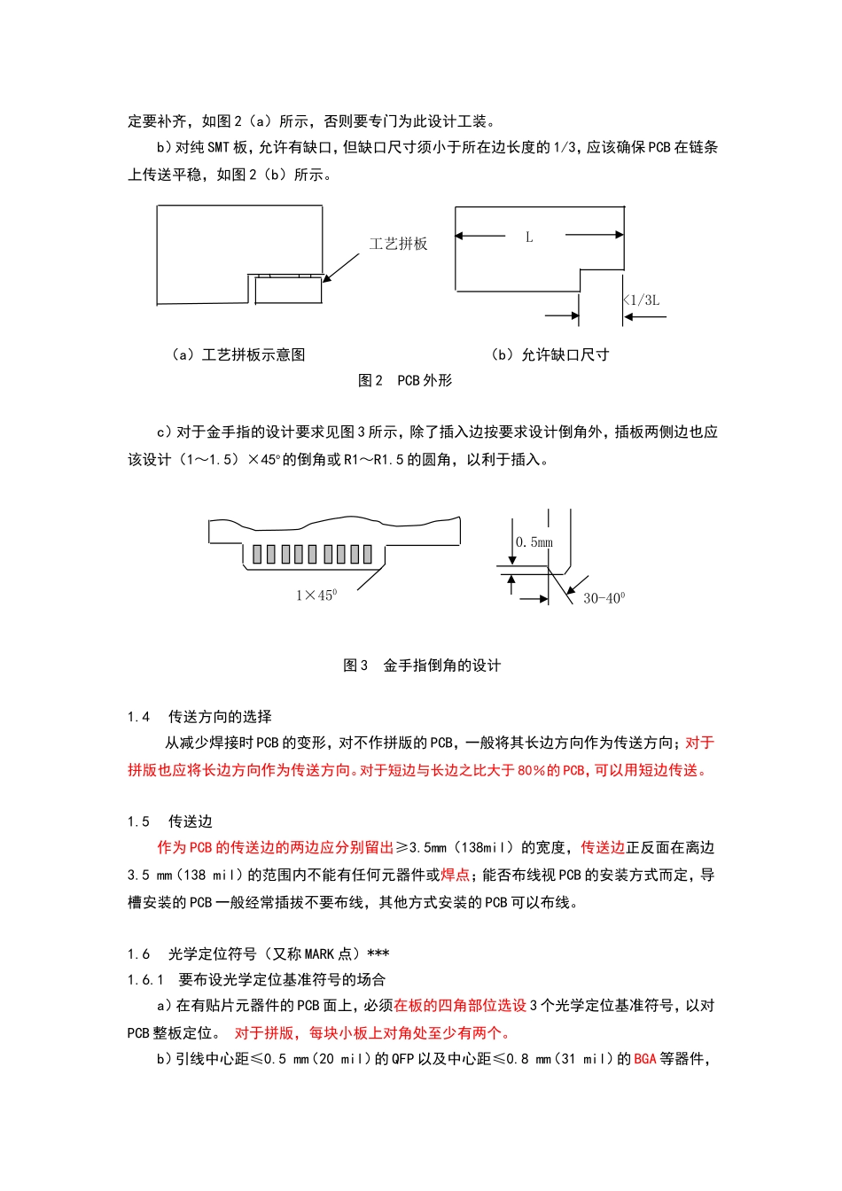
1PCB设计基本工艺要求1.1PCB制造基本工艺及目前的制造水平PCB设计最好不要超越目前厂家批量生产时所能达到的技术水平,否则无法加工或成本过高。也就是所谓的DFM.1.1.1层压多层板工艺层压多层板工艺是目前广泛使用的多层板制造技术,它是用减成法制作电路层,通过层压—机械钻孔—化学沉铜—镀铜等工艺使各层电路实现互连,最后涂敷阻焊剂、喷锡、丝印字符完成多层PCB的制造。目前国内主要厂家的工艺水平如表3所列。表3层压多层板国内制造水平1.1.2BUM(积层法多层板)工艺*BUM板(Build-upmultilayerPCB),是以传统工艺制造刚性核心内层,并在一面或双面再积层上更高密度互连的一层或两层,最多为四层,见图1所示。BUM板的最大特点是其积层很薄、线宽线间距和导通孔径很小、互连密度很高,因而可用于芯片级高密度封装,设计准则见表4。对于1+C+1,很多家公司均可量产。2+C+2很少能量产,设计此类型的PCB时应与厂家联系,了解其生产工艺情况。技术指标批量生产工艺水平1一般指标基板类型FR-4(Tg=140℃)FR-5(Tg=170℃)2最大层数243最大铜厚外层内层3OZ/Ft23OZ/Ft24最小铜厚外层内层1/3OZ/Ft21/2OZ/Ft25最大PCB尺寸500mm(20'')x860mm(34'')6加工能力最小线宽/线距外层内层0.1mm(4mil)/0.1mm(4mil)0.075mm(3mil)/0.075mm(3mil)7最小钻孔孔径0.25mm(10mil)8最小金属化孔径0.2mm(8mil)9最小焊盘环宽导通孔元件孔0.127mm(5mil)0.2mm(8mil)10阻焊桥最小宽度0.1mm(4mil)11最小槽宽≥1mm(40mil)12字符最小线宽0.127mm(5mil)13负片效果的电源、地层隔离盘环宽≥0.3mm(12mil)14精度指标层与层图形的重合度±0.127mm(5mil)15图形对孔位精度±0.127mm(5mil)16图形对板边精度±0.254mm(10mil)17孔位对孔位精度(可理解为孔基准孔)±0.127mm(5mil)18孔位对板边精度±0.254mm(10mil)19铣外形公差±0.1mm(4mil)20尺寸指标翘曲度双面板/多层板<1.0%/<0.5%。21成品板厚度公差板厚>0.8mm板厚≤0.8mm±10%±0.08mm(3mil)图1BUM板结构示意图表4BUM板设计准则单位:μm1.2尺寸范围*从生产角度考虑,理想的尺寸范围是“宽(200mm~250mm)×长(250mm~350mm)”。对PCB长边尺寸小于125mm、或短边小于100mm的PCB,采用拼板的方式,使之转换为符合生产要求的理想尺寸,以便插件和焊接。1.3外形***a)对波峰焊,PCB的外形必须是矩形的(四角为R=1mm~2mm圆角更好,但不做严格要求)。偏离这种形状会引起PCB传送不稳、插件时翻板和波峰焊时熔融焊料汲起等问题。因此,设计时应考虑采用工艺拼板的方式将不规则形状的PCB转换为矩形形状,特别是角部缺口一设计要素标准型精细型Ⅰ精细型Ⅱ精细型Ⅲ积层介电层厚(d1)40-75外层基铜厚度(c1)9-18线宽/线距100/10075/7575/7550/5030/30内层铜箔厚度35微盲孔孔径(v)30020015010050微盲孔连接盘(c)50040030020075微盲孔底连接盘(t)50040030020075微盲孔电镀厚度>12.7微盲孔孔深/孔径比<0.7:1应用说明用于n层与n-2层用于n层与n-1层一般含IVH(innerviahole)的基板安装Flipchip、MCM、BGA、CSP的基板I/O间距0.8mmI/O间距0.5mm>500引脚>1000引脚注:精细型Ⅱ和精细型Ⅲ,目前工艺上还不十分成熟,暂时不要选。定要补齐,如图2(a)所示,否则要专门为此设计工装。b)对纯SMT板,允许有缺口,但缺口尺寸须小于所在边长度的1/3,应该确保PCB在链条上传送平稳,如图2(b)所示。(a)工艺拼板示意图(b)允许缺口尺寸图2PCB外形c)对于金手指的设计要求见图3所示,除了插入边按要求设计倒角外,插板两侧边也应该设计(1~1.5)×45o的倒角或R1~R1.5的圆角,以利于插入。图3金手指倒角的设计1.4传送方向的选择从减少焊接时PCB的变形,对不作拼版的PCB,一般将其长边方向作为传送方向;对于拼版也应将长边方向作为传送方向。对于短边与长边之比大于80%的PCB,可以用短边传送。1.5传送边作为PCB的传送边的两边应分别留出≥3.5mm(138mil)的宽度,传送边正反面在离边3.5mm(138mil)的范围内不能有任何元器件或焊点;能否布线视PCB的安装方式而定,导槽安装的PCB一般经常插拔不要布线,其他方式安装的PCB可以布线。1.6光学定位符号(又称MARK点)***1.6.1要布设光学定位...

1、当您付费下载文档后,您只拥有了使用权限,并不意味着购买了版权,文档只能用于自身使用,不得用于其他商业用途(如 [转卖]进行直接盈利或[编辑后售卖]进行间接盈利)。
2、本站所有内容均由合作方或网友上传,本站不对文档的完整性、权威性及其观点立场正确性做任何保证或承诺!文档内容仅供研究参考,付费前请自行鉴别。
3、如文档内容存在违规,或者侵犯商业秘密、侵犯著作权等,请点击“违规举报”。

碎片内容

PCB设计基本工艺要求

您可能关注的文档

确认删除?
VIP
微信客服
  • 扫码咨询
会员Q群
  • 会员专属群点击这里加入QQ群
客服邮箱
回到顶部