电脑桌面
添加小米粒文库到电脑桌面
安装后可以在桌面快捷访问

某医院病房大楼加固改造VIP免费

某医院病房大楼加固改造_第1页
1/5
某医院病房大楼加固改造_第2页
2/5
某医院病房大楼加固改造_第3页
3/5
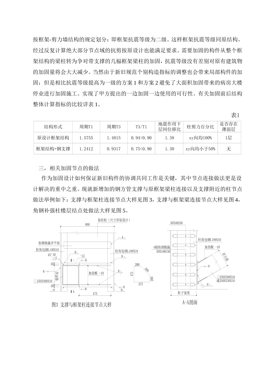
某医院病房大楼加固改造设计方案的选择陈积乐(福州华筑建筑设计事务所,福州350001)摘要:本文结合工程实例,介绍了加固设计工程中的结构方案比选;可供同行参考。关键词:加固改造;方案;钢筋混凝土框架结构加钢支撑体系;整体加固;局部加固一,前言2008年5月12日在四川省境内汶川地区发生了里氏8级的大地震,地震过后有关建筑物震害在各大新闻媒体及各大新闻网站都有大篇幅报道。其中对各个时期建设的建筑物在地震中的不同表现给我们留下了深刻的影像。对正规设计的建筑物与农村村镇自建房屋比较有之,对不同时期按不同规范要求建设的建筑物比较引起我们专业人员更多的关注。下面就某医院病房大楼加固改造设计中遇到的新旧规范不同标准以及方案的选择谈谈我个人的看法。该项目原为十一层医院病房大楼,钢筋混凝土框架结构,框架抗震等级二级;标准层平面图见图1。该项目于1994年设计两年后投入使用,执行89规范设计;基于当时对高层建筑地震扭转效应认识以及当时规范的要求不考虑地震扭转效应。因建筑单位对该大楼要进行改造委托我们对该建筑物进行抗震加固设计。根据《建筑工程抗震设防分类标准》GB50223-2008该项目属于医疗建筑中三级医院的住院用房,抗震设防类别应划分为重点设防类,简称为乙类,是需要提高抗震设防标准的建筑。在进行加固设计时,遵循对称加固的原则,使加固后建筑物的质量分布、刚度分布比较均匀,结构楼层综合抗震能力指数、构件的抗震承载力都有所提高,而且满足《建筑抗震鉴定标准》、《建筑抗震加固技术规程》的要求。以下主要介绍加固设计方案的选择。图1标准层平面图(加固前)二,方案的选择:可供选择的方案有3个:方案1,保持原结构形式,按抗震分类为乙类建筑抗震等级提高一级;方案2,解决扭转问题加少量的支撑;方案3,改为钢筋混凝土框架结构加钢支撑体系。方案1:若保持原框架结构形式套用现行的国家抗震规范,框架抗震等级应为一级,抗震等级的差别(框架抗震等级由二级改为一级)对原有建筑物的加固量将会很大,如轴压比限值、框架梁纵向受拉钢筋的最小配筋率(详高规第6.3.2条)、梁端截面的底面和顶面纵向受拉钢筋面积的比值由大于等于0.3改为0.5、梁柱加密区的构造要求(详高规第6.3.5条)、框架梁柱节点核芯区截面抗震验算(抗震规范附录D)等等。作为县级市的病房大楼停业进行加固施工是不现实的。高层建筑地震扭转效应无法满足现行规范的要求加固增加的工程经济造价高。基于以上原因该方案没被采用。方案2:解决扭转问题加少量的支撑,我们在加固设计中经过试算在建筑物的端部一至三层加少量的支撑也能满足抗扭的问题;因支撑设置的位置及数量少决定了支撑间间距不满足钢筋混凝土框架结构加钢支撑体系,作为结构体系来说还是框架结构;框架抗震等级还应提高即为一级。本方案同样存在方案1中加固工作量大,成本高的问题。方案3:钢筋混凝土框架结构加钢支撑体系(加固后标准层平面图见图2):图2标准层平面图(加固后)参考《高层民用建筑钢结构技术规程》JGJ99-98,钢框架-支撑体系从受力形式我们认为采用钢筋混凝土框架结构加钢支撑体系相当于钢筋混凝土框架剪力墙结构,即钢支撑相当于剪力墙起抗侧作用。支撑设置根据框架剪力墙中剪力墙设置位置和间距要求,设置数量达到在基本振型地震作用下框架部分承受的地震剪力低于支撑承受剪力,就可以按框架-剪力墙结构的规定划分:即框架抗震等级为二级。这样框架抗震等级同原结构。经过反复计算绝大部分节点域的抗剪按原设计也能满足要求。需要加固的构件从整个框架结构的梁柱转为争对带支撑的几榀框架梁柱的加固,抗震等级没有差别对原有建筑物的加固量将会大大减少。当然由于新旧规范个别构造指标的调整也会带来局部构件的加固;但是相比抗震等级提高为一级的方案1和方案2避免了大面积加固带来的病房大楼停业进行加固施工。实现了甲方提出的一边加固一边使用的可行性。有关加固前后结构整体计算指标的比较详表1。表1结构形式周期T1周期T3T3/T1地震作用下柱剪力百分比是否存在原设计框架结构1.57551.48150.94>0.901.38xy向均100%1层框架结构+钢支撑1.24120.93170.75<0.901.30xy向均小于50%...

1、当您付费下载文档后,您只拥有了使用权限,并不意味着购买了版权,文档只能用于自身使用,不得用于其他商业用途(如 [转卖]进行直接盈利或[编辑后售卖]进行间接盈利)。
2、本站所有内容均由合作方或网友上传,本站不对文档的完整性、权威性及其观点立场正确性做任何保证或承诺!文档内容仅供研究参考,付费前请自行鉴别。
3、如文档内容存在违规,或者侵犯商业秘密、侵犯著作权等,请点击“违规举报”。

碎片内容

某医院病房大楼加固改造

您可能关注的文档

确认删除?
VIP
微信客服
  • 扫码咨询
会员Q群
  • 会员专属群点击这里加入QQ群
客服邮箱
回到顶部