电脑桌面
添加小米粒文库到电脑桌面
安装后可以在桌面快捷访问

新乡斗式提升机VIP免费

新乡斗式提升机_第1页
1/4
新乡斗式提升机_第2页
2/4
新乡斗式提升机_第3页
3/4
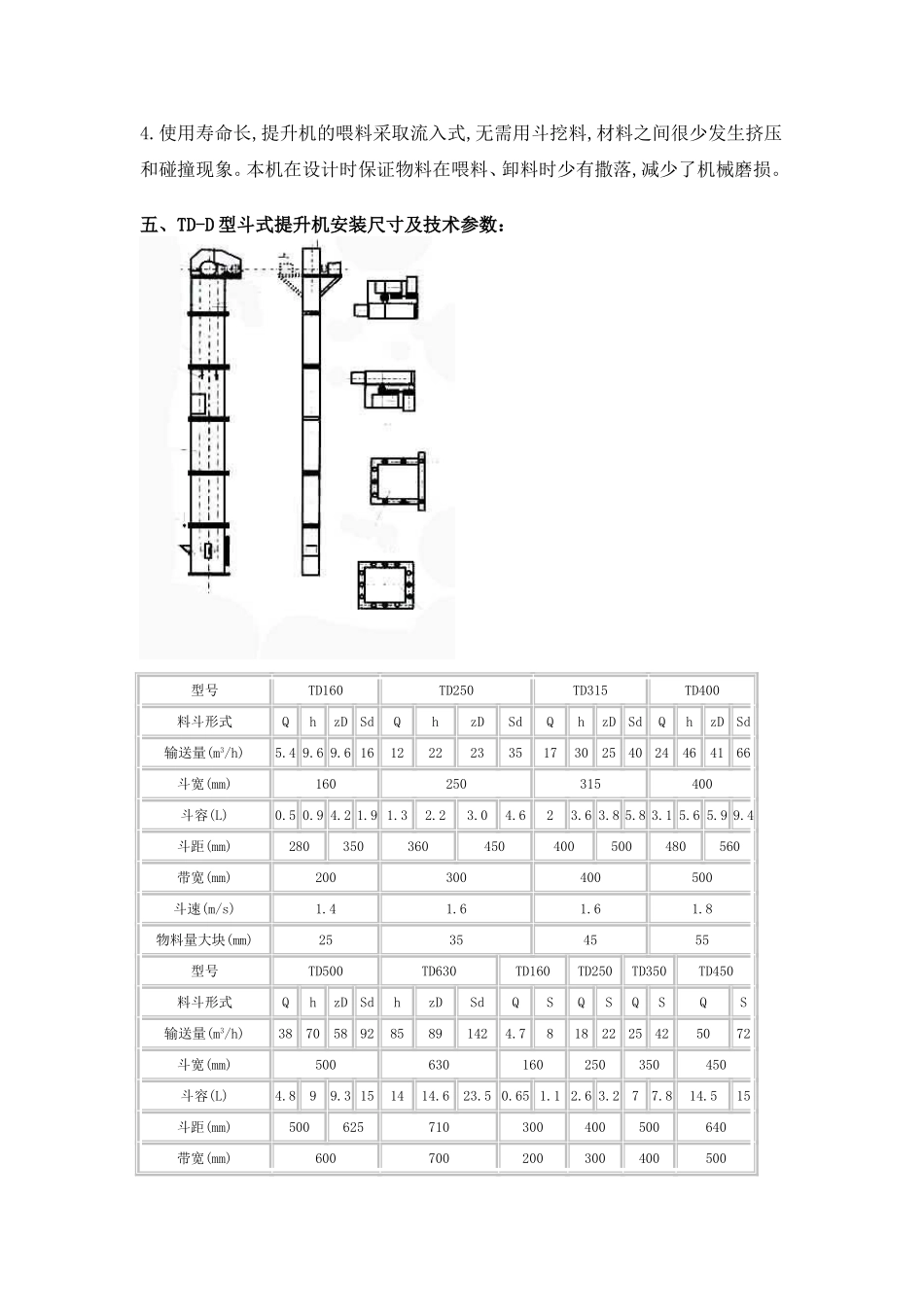
TD/D系列斗式提升机一、TD-D型斗式提升机的产品概述:TD型按JB3926-85《垂直斗式提升机》标准设计制造,目前国内常用的斗式提升机均为垂直式,较新型。斗式提升机适用于垂直输送粉状、粒状及小块状且磨琢性较小的散状物料,如粮食、煤、水泥、碎矿石等,提升高度最高40m。TD型斗式提升机备有四种料斗Q型(浅斗)、H型(弧底斗)、ZD型(中深斗)SD型(深斗)。二、TD-D型斗式提升机基本结构:TD型斗式提升机由运行部分(料斗与牵引胶带),带有传动滚筒的上部区段,带有拉紧滚筒的下部区段,中间机壳,驱动装置,逆止制动装置等组成,适用于向上输送松散密度ρ<1.5t/m3粉状、粒状和小块状的无磨琢性和半磨琢性散状物料,如煤、砂、焦末、水泥、碎矿石等。三、TD型斗式提升机结构形式:传动装置TD型斗提升机的传动装置有两种形式分别配有YZ型减速器ZQ(或YY)型减速器。YZ型轴减速器直接装在主轴轴头上,省去了传动平台、联轴器等,使结构紧凑、重量轻,而且其内部带有异型辊逆止器,逆止可靠。该减速器噪音低运转平稳,并随主轴浮动,可消除安装应力。四、TD-D型斗式提升机主要特点:1.驱动功率小,采用流入式喂料、诱导式卸料、大容量的料斗密集型布置.在物料提升时几乎无回料和挖料现象,因此无效功率少。2.提升范围广,这类提升机对物料的种类、特性要求少,不但能提升一般粉状、小颗粒状物料,而且可提升磨琢性较大的物料.密封性好,环境污染少。3.运行可靠性好,先进的设计原理和加工方法,保证了整机运行的可靠性,无故障时间超过2万小时。提升高度高.提升机运行平稳,因此可达到较高的提升高度。4.使用寿命长,提升机的喂料采取流入式,无需用斗挖料,材料之间很少发生挤压和碰撞现象。本机在设计时保证物料在喂料、卸料时少有撒落,减少了机械磨损。五、TD-D型斗式提升机安装尺寸及技术参数:型号TD160TD250TD315TD400料斗形式QhzDSdQhzDSdQhzDSdQhzDSd输送量(m3/h)5.49.69.616122223351730254024464166斗宽(mm)160250315400斗容(L)0.50.94.21.91.32.23.04.623.63.85.83.15.65.99.4斗距(mm)280350360450400500480560带宽(mm)200300400500斗速(m/s)1.41.61.61.8物料量大块(mm)25354555型号TD500TD630TD160TD250TD350TD450料斗形式QhzDSdhzDSdQSQSQSQS输送量(m3/h)3870589285891424.78182225425072斗宽(mm)500630160250350450斗容(L)4.899.3151414.623.50.651.12.63.277.814.515斗距(mm)500625710300400500640带宽(mm)600700200300400500斗速(m/s)1.8211.251.251.25物料量大块(mm)607025354555说明:1.表中斗容为计算斗容,输送量按填充系数0.6计算得出。2.斗提机料斗用途为:浅料斗:输送潮湿、易结块、难抛出的物料。如湿沙、湿煤等。深料斗:输送干燥的、松散的、易抛出的物料。如水泥、煤块、碎石等。六、TD-D型斗式提升机各部位润滑周期:序号润滑部位润滑材料润滑周期润滑方法1传动及拉紧滚筒轴承耐水润滑脂200小时利用注油器2逆止联轴器耐水润滑脂50小时利用注油器3拉紧螺栓耐水润滑脂500小时涂抹4电动机耐水润滑脂6个月35斗式提升机补充材料(供用户参考):斗式提升机用来垂直提升经过破碎机的石灰石、煤、石膏、熟料、干粘土等块粒状物料以及生料、水泥、煤粉等粉状物料。根据料斗运行速度的快慢不同,斗式提升机可分为:离心式卸料、重力式卸料和混合式卸料等三种形式。离心式卸料的斗速较快,适用于输送粉状、粒状、小块状等磨琢性小的物料;重力式卸料的斗速较慢,适用于输送块状的,比重较大的,磨琢性大的物料,如石灰石、熟料等。斗式提升机的牵引构件有环链、板链和胶带等几种。环链的结构和制造比较简单,与料斗的连接也很牢固,输送磨琢性大的物料时,链条的磨损较小,但其自重较大。板链结构比较牢固,自重较轻,适用于提升量大的提升机,但铰接接头易被磨损,胶带的结构比较简单,但不适宜输送磨琢性大的物料,普通胶带物料温度不超过60°C,夹钢绳胶带允许物料温度达80°C,耐热胶带允许物料温度达120°C,环链、板链输送物料的温度可达250°C。新乡市伟达振动设备有限公司简介:新乡伟达振动设备销售现主打产品有振动筛、直线振动筛、旋振筛、圆振动筛、矿用振动筛、重型筛等筛分设备;斗式提升机、垂直提升机、螺旋输送机、皮带输送机、、振动给料机、电磁给料机等输送给料设备及振动电机、振动弹簧、筛网、筛框橡胶球等多种振动设备相应配件。

1、当您付费下载文档后,您只拥有了使用权限,并不意味着购买了版权,文档只能用于自身使用,不得用于其他商业用途(如 [转卖]进行直接盈利或[编辑后售卖]进行间接盈利)。
2、本站所有内容均由合作方或网友上传,本站不对文档的完整性、权威性及其观点立场正确性做任何保证或承诺!文档内容仅供研究参考,付费前请自行鉴别。
3、如文档内容存在违规,或者侵犯商业秘密、侵犯著作权等,请点击“违规举报”。

碎片内容

新乡斗式提升机

您可能关注的文档

确认删除?
VIP
微信客服
  • 扫码咨询
会员Q群
  • 会员专属群点击这里加入QQ群
客服邮箱
回到顶部