电脑桌面
添加小米粒文库到电脑桌面
安装后可以在桌面快捷访问

重要环境因素识别判定表VIP免费

重要环境因素识别判定表_第1页
1/27
重要环境因素识别判定表_第2页
2/27
重要环境因素识别判定表_第3页
3/27
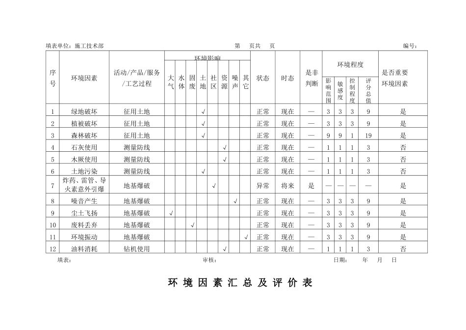
环境因素汇总及评价表批准:审核:编制:中铁十七局集团建筑工程有限公司二00四年二月环境因素汇总及评价表填表单位:施工技术部第页共页编号:序号环境因素活动/产品/服务/工艺过程环境影响状态时态是非判断环境程度是否重要环境因素大气水体固废土地社区资源噪声其它影响范围敏感度控制程度评分总值1绿地破坏征用土地√正常现在—3339是2植被破坏征用土地√正常现在—3339是3森林破坏征用土地√正常现在—99119是4石灰使用测量防线√正常现在—1113否5木厥使用测量防线√正常现在—1113否6土地污染测量防线√正常现在—1113否7炸药、雷管、导火素意外引爆地基爆破√异常将来是————是8噪音产生地基爆破√正常现在—3339是9尘土飞扬地基爆破√正常现在—3339是10废料丢弃地基爆破√正常现在—3339是11环境振动地基爆破√正常现在—3339是12油料消耗钻机使用√正常现在—1113否填表:审核:日期:年月日环境因素汇总及评价表填表单位:施工技术部第页共页编号:序号环境因素活动/产品/服务/工艺过程环境影响状态时态是非判断环境程度是否重要环境因素大气水体固废土地社区资源噪声其它影响范围敏感度控制程度评分总值13烟尘排放钻机使用√正常现在—1135否14噪音产生钻机使用√正常现在—3339是15尘土飞扬钻机使用√正常现在—1135否16环境振动钻机使用√正常现在—3339是17钻头钻杆使用钻机使用√正常现在—1113否18电的消耗空压机使用√正常现在—1135否19水的消耗空压机使用√正常现在—1135否20油料消耗空压机使用√正常现在—1135否21烟尘排放空压机使用√正常现在—1135否22噪音产生空压机使用√正常现在—1135否23油料泄漏钻机维修√异常将来—1135否24废机件丢弃钻机维修√异常将来—1135否填表:审核:日期:年月日环境因素汇总及评价表填表单位:施工技术部第页共页编号:序号环境因素活动/产品/服务/工艺过程环境影响状态时态是非判断环境程度是否重要环境因素大气水体固废土地社区资源噪声其它影响范围敏感度控制程度评分总值25废棉纱丢弃钻机维修√异常将来—1135否26土地污染钻机维修√异常将来—1135否27油料消耗挖掘机使用√正常现在—1135否28烟尘排放挖掘机使用√正常现在—1135否29噪音产生挖掘机使用√正常现在—3339是30尘土飞扬挖掘机使用√正常现在—1135否31基坑土废弃挖掘机使用√正常现在—3339是32地下电缆、管网破坏挖掘机使用√异常将来是————是33地下文物、矿物破坏挖掘机使用√异常将来是————是34油料消耗基底处理√正常现在—1135否填表:审核:日期:年月日环境因素汇总及评价表填表单位:施工技术部第页共页编号:序号环境因素活动/产品/服务/工艺过程环境影响状态时态是非判断环境程度是否重要环境因素大气水体固废土地社区资源噪声其它影响范围敏感度控制程度评分总值35尾气排放基底处理√正常现在—1135否36噪音产生基底处理√正常现在—3339是37尘土飞扬基底处理√正常现在—3339是38环境振动地基爆破√正常现在—3339是39砂石、泥土、石灰使用基坑填筑√正常现在—1135否40尘土飞扬基坑填筑√正常现在—3339是41噪音产生基坑填筑√正常现在—3339是42油料消耗基坑填筑√正常现在—1135否43烟尘排放基坑填筑√正常现在—1135否44水的耗用基坑填筑√正常现在—1135否45油料消耗碾压夯实√正常现在—1135否46烟尘排放碾压夯实√正常现在—1135否填表:审核:日期:年月日环境因素汇总及评价表填表单位:施工技术部第页共页编号:序号环境因素活动/产品/服务/工艺过程环境影响状态时态是非判断环境程度是否重要环境因素大气水体固废土地社区资源噪声其它影响范围敏感度控制程度评分总值47噪音产生碾压夯实√正常现在—3339是48电消耗碾压夯实√正常现在—1135否49核辐射检测密实度√正常现在—1113否50电的消耗检测密实度√正常现在—1135否51废电池丢弃检测密实度√正常现在—1337是52钢锈飞扬钢筋下料√正常现在—1135否53砂布使用钢筋下料√正常现在—1135否54废砂布丢弃钢筋下料√正常现在—1135否55钢筋耗用钢筋下料√正常现在—3317是56钢筋头丢弃钢筋下料√正常现在—3317是57铁丝使用钢筋绑扎√正常现在—1135否填表:审核...

1、当您付费下载文档后,您只拥有了使用权限,并不意味着购买了版权,文档只能用于自身使用,不得用于其他商业用途(如 [转卖]进行直接盈利或[编辑后售卖]进行间接盈利)。
2、本站所有内容均由合作方或网友上传,本站不对文档的完整性、权威性及其观点立场正确性做任何保证或承诺!文档内容仅供研究参考,付费前请自行鉴别。
3、如文档内容存在违规,或者侵犯商业秘密、侵犯著作权等,请点击“违规举报”。

碎片内容

重要环境因素识别判定表

您可能关注的文档

起跑线书城+ 关注
实名认证
内容提供者

热爱教学事业,对互联网知识分享很感兴趣

确认删除?
VIP
微信客服
  • 扫码咨询
会员Q群
  • 会员专属群点击这里加入QQ群
客服邮箱
回到顶部