电脑桌面
添加小米粒文库到电脑桌面
安装后可以在桌面快捷访问

卸料平台施工组织设计方案VIP免费

卸料平台施工组织设计方案_第1页
1/7
卸料平台施工组织设计方案_第2页
2/7
卸料平台施工组织设计方案_第3页
3/7
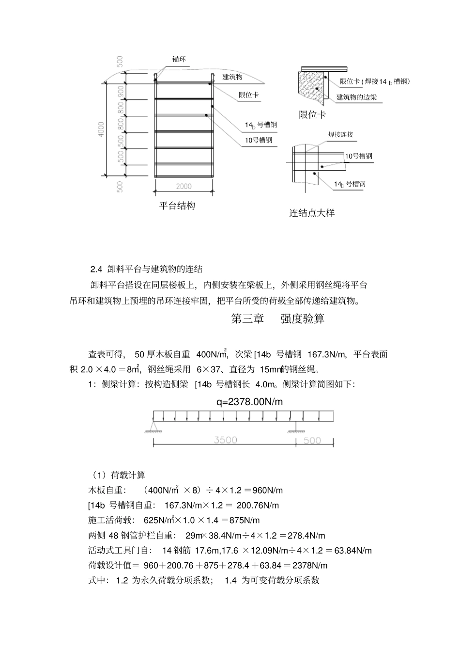
卸料平台施工组织设计方案第一章卸料平台总体平面布置图本工程共设一层四个卸料平台,具体布置详平面图第二章卸料平台设计说明为进一步保证本工程的整体部署顺利进行,提高拆卸和调运各类材料的效率和安全,贯彻渝建安发《2001》13号文“关于强制执行《建筑施工安全检查标准(JGJ59-99)》有关规定第三条,取消脚手架钢管加扣件搭设楼层卸料平台,必需使用工具式卸料平台和型钢制作平台”的精神,本工程采用型钢卸料平台。2.1布置方案每层每两户布置一个,平面位置相互错开,每三层循环重复位置。选用平面尺寸为2.0×4.0m的卸料平台,安全保险系数为1.4,因考虑到槽钢根部支承点为纯悬挑阳台边梁,故挂牌限位重量定为0.5T,上铺50厚的木板,侧梁采用[14b号槽钢,横梁采用[10号槽钢,侧横梁整体焊接而成,周围采用钢管护栏和密目安全网封闭。两侧分别设计二根6×37、直径为15mm的钢丝绳吊索。钢丝绳一端与卸料平台上的Ф25吊环连接,另一端用φ25吊环固定在梁上。2.2与建筑物和外架的关系卸料平台与建筑物和外架的连结关系如下图:2.3平台结构卸料平台长4.0m,宽2.0m,外面两侧均搭设1.3m高的钢管护栏,靠外侧采用活动式工具门,在两侧靠近平台的底部设置0.2m高的挡脚板。在平台底部满铺50mm厚的木板,平台底架由[14b、[10号槽钢制作。把平台所受的铅垂力传递给建筑物,在建筑物与平台连接处,用角钢焊制一个限位卡,安装时卡在建筑物外边,把平台因受力而产生的侧向力传递给建筑物。所有平台构件与建筑物接触处均加垫橡胶垫,以降低荷载的冲击影响。卸料平台侧立面图φ15钢丝绳栏杆4000槽钢1300阳台阳台48钢管φ手工绑扎安全环φ25吊环φ25吊环100050025002000活动式工具门平台底板外架建筑物卸料平台正立面图3000220锚环φ50014号槽钢建筑物限位卡平台结构建筑物的边梁连结点大样焊接连接锚环限位卡(焊接14槽钢)14号槽钢限位卡10号槽钢10号槽钢2.4卸料平台与建筑物的连结卸料平台搭设在同层楼板上,内侧安装在梁板上,外侧采用钢丝绳将平台吊环和建筑物上预埋的吊环连接牢固,把平台所受的荷载全部传递给建筑物。第三章强度验算查表可得,50厚木板自重400N/m2,次梁[14b号槽钢167.3N/m,平台表面积2.0×4.0=8m2,钢丝绳采用6×37、直径为15mm的钢丝绳。1:侧梁计算:按构造侧梁[14b号槽钢长4.0m。侧梁计算简图如下:(1)荷载计算木板自重:(400N/m2×8)÷4×1.2=960N/m[14b号槽钢自重:167.3N/m×1.2=200.76N/m施工活荷载:625N/m2×1.0×1.4=875N/m两侧48钢管护栏自重:29m×38.4N/m÷4×1.2=278.4N/m活动式工具门自:14钢筋17.6m,17.6×12.09N/m÷4×1.2=63.84N/m荷载设计值=960+200.76+875+278.4+63.84=2378N/m式中:1.2为永久荷载分项系数;1.4为可变荷载分项系数q=2378.00N/m故:梁跨中弯距M=1/8ql2(1-λ2)2=1/8×2378×3.52×(1-0.1432)2=3494N·m式中:λ—悬臂比值,λ=m/l=0.5/3.5=0.143m—悬臂长度(m)l—次梁两端搁支点间的长度(m)(2)验算弯曲强度:查表可得[14b号槽钢的截面抵抗矩为Wx=87.1cm3得:Wx·fy=87.1×215=18726.5N·m式中:fy为侧梁槽钢抗弯强度设计值所以:M=3494N·m<Wx·fy=18726.5N·m2:横梁计算按构造要求[10号槽钢作横梁,长为2.0m。按里侧钢丝绳不起作用,且拉接的槽钢也不起作用计算,横梁计算简图如下:由侧梁计算简图可得外侧主梁上的支座反力:R外=1/2ql(1+λ)2=1/2×2378×3.5×(1+0.143)2=5437N等效均布荷载为:5437/1.0=5437N/m[10号槽钢的自重100N/m×1.2=120N/m荷载设计值为q=5437+120=5557N/m验算弯曲强度:查表可得[10号槽钢的截面抵抗矩为Wx=39.7cm3得:Wx·fy=39.7×215=8535.5N·m式中:fy为槽钢抗弯强度设计值所以:M=1/8ql2=1/8×5557×22=2778.5N·m<Wx·fy=8535.5N·m按外侧钢丝绳不起作用,且拉接的槽钢也不起作用计算,横梁计算简图如下:R外=1/2ql(1+λ)2=1/2×2378×(4-1.5)×(1+0.6)2=7609.6N等效均布荷载为:7609.6/1.0=7609.6N/m[10号槽钢的自重100N/m×1.2=120N/m荷载设计值为q=7609.6+120=7729.6N/m验算弯曲强度:查表可得[10号槽钢的截面抵抗矩为...

1、当您付费下载文档后,您只拥有了使用权限,并不意味着购买了版权,文档只能用于自身使用,不得用于其他商业用途(如 [转卖]进行直接盈利或[编辑后售卖]进行间接盈利)。
2、本站所有内容均由合作方或网友上传,本站不对文档的完整性、权威性及其观点立场正确性做任何保证或承诺!文档内容仅供研究参考,付费前请自行鉴别。
3、如文档内容存在违规,或者侵犯商业秘密、侵犯著作权等,请点击“违规举报”。

碎片内容

卸料平台施工组织设计方案

确认删除?
VIP
微信客服
  • 扫码咨询
会员Q群
  • 会员专属群点击这里加入QQ群
客服邮箱
回到顶部