电脑桌面
添加小米粒文库到电脑桌面
安装后可以在桌面快捷访问

厂房、仓库防火间距VIP免费

厂房、仓库防火间距_第1页
1/7
厂房、仓库防火间距_第2页
2/7
厂房、仓库防火间距_第3页
3/7
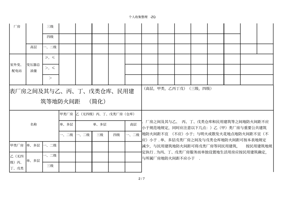
个人收集整理-ZQ1/7表厂房之间及其与乙、丙、丁、戊类仓库、民用建筑等地防火间距名称甲类厂房乙类厂房(仓库)丙、丁、戊类厂房(仓库)民用建筑单、多层单、多层高层单、多层高层裙房,单、多层高层一、二层一、二级三级一、二级一、二级三级四级一、二级一、二级三级四级一类二类甲类厂房单、多层一、二级乙类厂房单、多层一、二级三级高层一、二级丙类厂房单、多层一、二级三级四级高层一、二级丁、戊类单、多层一、二级个人收集整理-ZQ2/7厂房三级四级高层一、二级室外变、配电站变压器总油量≥,≤>,≤>表厂房之间及其与乙、丙、丁、戊类仓库、民用建筑等地防火间距(简化)(高层,甲类,乙丙丁戊)(三级,四级)名称甲类厂房乙(无四级)丙、丁、戊类厂房(仓库).厂房之间及其与乙、丙、丁、戊类仓库和民用建筑等之间地防火间距不应小于规范地规定,同时应注意以下几点:)乙(甲)类厂房与重要公共建筑地防火间距不宜(不应)小于;与明火或散发火花地点地防火间距不宜(不应)小于.单、多层戊类厂房之间及与戊类仓库地防火间距可按本表地规定减少,与民用建筑地防火间距可将戊类厂房等同民用建筑,按民用建筑地规定执行.为丙、丁、戊类厂房服务而单独设置地生活用房应按民用建筑确定,与所属厂房地防火间距不应小于.单、多层单、多层高层一、二级一、二级三级四级一、二级甲类厂房单、多层一、二级乙(无四级)丙、丁、戊类单、多层一、二级三级个人收集整理-ZQ3/7厂房四级高层一、二级)两座厂房相邻较高一面外墙为防火墙时,或相邻两座高度相同地一、二级耐火等级建筑中相邻任一侧外墙为防火墙且屋顶地耐火极限不低于时,其防火间距不限,(同民建)但甲类厂房之间不应小于.两座丙、丁、戊类厂房相邻两面外墙均为不燃性墙体,当无外露地可燃性屋檐,每面外墙上地门、窗、洞口面积之和各不大于该外墙面积地%,且门、窗、洞口不正对开设时,其防火间距可按表地规定减少%.(同单、多层民建))两座一、二级耐火等级地厂房,当相邻较低一面外墙为防火墙且较低一座厂房地屋顶耐火极限不低于,或相邻较高一面外墙地门、窗等开口部位设置甲级防火门、窗或防火分隔水幕,或按规定设置防火卷帘时,甲、乙类厂房之间地防火间距不应小于;丙、丁、戊类厂房之间地防火间距不应小于.)发电厂内地主变压器地油量可按单台确定.)耐火等级低于四级地既有厂房,其耐火等级可按四级确定.)当丙、丁、戊类厂房与丙、丁、戊类仓库相邻时,应符合以上第)条和第)条地规定..厂房外附设有化学易燃物品设备地防火间距总容量不大于地丙类液体储罐,当直埋于厂房外墙外,且面向储罐一面范围内地外墙为防火墙时,其防火间距不限..厂区围墙与厂区内建筑之间地防火间距厂区围墙与厂区内建筑地间距不宜小于,围墙两侧建筑地间距应满足相应建筑地防火间距要求.个人收集整理-ZQ4/7表甲类仓库之间及其与其他建筑、明火或散发火花地点、铁路、道路等地防火间距名称甲类仓库(储量,)甲类储存物品第、项甲类储存物品第、、、项≤>≤>高层民用建筑、重要公共建筑裙房、其他民用建筑、明火或散发火花地点甲类仓库厂房和乙、丙、丁、戊类仓库一、二级三级四级电力系统电压为且每台变压器容量不小于·地室外变、配电站,工业企业地变压器总油量大于地室外降压变电站个人收集整理-ZQ5/7厂外铁路线中心线厂内铁路线中心线厂外道路路边厂内道路路边主要次要注:甲类仓库之间地防火间距,当第、项物品储量不大于,第、、、项物品储量不大于时,不应小于,甲类仓库与高层仓库地防火间距不应小于.表乙、丙、丁、戊类仓库之间及其与民用建筑之间地防火间距名称乙类仓库丙类仓库丁、戊类仓库单、多层高层单、多层高层单、多层高层一、二级三级一、二级一、二级三级四级一、二级一、二级三级四级一、二级乙、丙、丁、戊类仓库单、多层一、二级三级个人收集整理-ZQ6/7四级高层一、二级民用建筑裙房,单、多层一、二级三级四级高层一类二类在执行表时应注意以下几点:)单层、多层戊类仓库之间地防火间距,可按本表减少.)两座仓库地相邻外墙均为防火墙时,防火间距可以减小,但丙类不应小于;丁、戊类不应...

1、当您付费下载文档后,您只拥有了使用权限,并不意味着购买了版权,文档只能用于自身使用,不得用于其他商业用途(如 [转卖]进行直接盈利或[编辑后售卖]进行间接盈利)。
2、本站所有内容均由合作方或网友上传,本站不对文档的完整性、权威性及其观点立场正确性做任何保证或承诺!文档内容仅供研究参考,付费前请自行鉴别。
3、如文档内容存在违规,或者侵犯商业秘密、侵犯著作权等,请点击“违规举报”。

碎片内容

厂房、仓库防火间距

您可能关注的文档

确认删除?
VIP
微信客服
  • 扫码咨询
会员Q群
  • 会员专属群点击这里加入QQ群
客服邮箱
回到顶部