电脑桌面
添加小米粒文库到电脑桌面
安装后可以在桌面快捷访问

压力分散型锚索施工工法VIP免费

压力分散型锚索施工工法_第1页
1/10
压力分散型锚索施工工法_第2页
2/10
压力分散型锚索施工工法_第3页
3/10
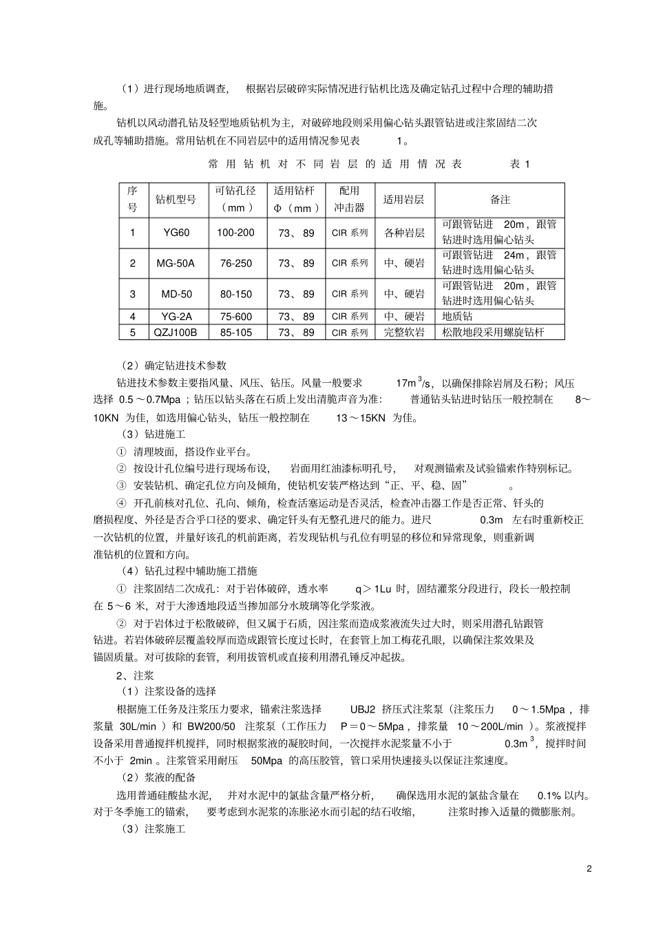
1压力分散型锚索施工工法工法编号:GZSJGF07-03-04中铁隧道集团二处有限公司何峰张昌伟许维青一、前言压力分散型锚索是在不同长度的无粘结钢绞线末端套以承载体和挤压套。当锚固段注浆固结后,以一定荷载张拉对应于承载体的钢绞线,设置在不同深度部位的数个承载体将压应力通过浆体传递给被加固体。这样,对在整个锚固段范围内的被加固体提供分散的锚固力。与通常的拉力锚及压力锚相比较,压力分散型锚索的锚固范围及所提供的锚固力显著增加,对岩层的应用范围进一步扩大,减少了破碎岩体中的扩孔工作,能最大限度地减少破碎地段的挖方刷坡,并具有施工工序简化、抗震性能好的优点。二、工法特点1、锚杆的根部荷载大,孔口荷载小,可以将边坡表层不稳定体锚定在地层深部,有效地利用了内锚固段。同时,分散布置的内锚头又避免了锚固应力集中分布状况,使锚固段应力分布更趋于均匀。2、浆体受压,加大了被锚固体的受压范围,使锚固体和被加固体能够提供更高更稳定的锚固力,因而对软弱地层适应性强。3、杆体采用无粘结钢绞线,具有很高的防腐性能,减少了普通钢绞线施工时涂油工作,节省了人力,减少了对环境的污染,并可进行二次补偿张拉,有效地延长了锚固体的寿命。4、安装锚索后可一次性全孔注浆,简化了注浆工序。5、可以最大限度地减少破碎岩体的挖方刷坡,以较小的投入即可达到理想的加固效果,成本低、效益高,在深基坑加固中较其它加固类型可节约投资20%左右。三、适用范围1、适用于工业与民用建筑、矿山建设、地下洞室、高陡边坡、基坑支护、坝基、大型弧门闸墩的加固。2、适用于各类岩层及可拆除的深基坑土层加固,加固深度可达60米。尤其对内锚固段岩石强度偏低的围岩地层或要求大吨位锚固力时更具有优越性,提供锚固吨位可达3000KN。3、适用于滑坡体的加固治理,但应通过可靠的地质勘测手段确定滑动面位置,确保内锚固段设置于稳定的岩层之中。四、工艺原理及关键技术(一)工艺原理压力分散型锚索是在不同长度的无粘结钢绞线末端套以承载体和挤压套,通过孔口设置的锚垫墩施加预应力,设置于不同深度部位的数个承载体将压应力传递给被加固体。压力分散型锚索加固岩体是基于无粘结钢绞线预应力筋的自由伸缩而将所施加预应力传递于承载体上,然后通过承载体对浆体的挤压而起到加固锚固体的作用。(二)关键技术本工法的关键技术为:设置在不同深度部位的数个承载体的施工。1、钻孔2(1)进行现场地质调查,根据岩层破碎实际情况进行钻机比选及确定钻孔过程中合理的辅助措施。钻机以风动潜孔钻及轻型地质钻机为主,对破碎地段则采用偏心钻头跟管钻进或注浆固结二次成孔等辅助措施。常用钻机在不同岩层中的适用情况参见表1。常用钻机对不同岩层的适用情况表表1序号钻机型号可钻孔径(mm)适用钻杆Φ(mm)配用冲击器适用岩层备注1YG60100-20073、89CIR系列各种岩层可跟管钻进20m,跟管钻进时选用偏心钻头2MG-50A76-25073、89CIR系列中、硬岩可跟管钻进24m,跟管钻进时选用偏心钻头3MD-5080-15073、89CIR系列中、硬岩可跟管钻进20m,跟管钻进时选用偏心钻头4YG-2A75-60073、89CIR系列中、硬岩地质钻5QZJ100B85-10573、89CIR系列完整软岩松散地段采用螺旋钻杆(2)确定钻进技术参数钻进技术参数主要指风量、风压、钻压。风量一般要求17m3/s,以确保排除岩屑及石粉;风压选择0.5~0.7Mpa;钻压以钻头落在石质上发出清脆声音为准:普通钻头钻进时钻压一般控制在8~10KN为佳,如选用偏心钻头,钻压一般控制在13~15KN为佳。(3)钻进施工①清理坡面,搭设作业平台。②按设计孔位编号进行现场布设,岩面用红油漆标明孔号,对观测锚索及试验锚索作特别标记。③安装钻机、确定孔位方向及倾角,使钻机安装严格达到“正、平、稳、固”。④开孔前核对孔位、孔向、倾角,检查活塞运动是否灵活,检查冲击器工作是否正常、钎头的磨损程度、外径是否合乎口径的要求、确定钎头有无整孔进尺的能力。进尺0.3m左右时重新校正一次钻机的位置,并量好该孔的机前距离,若发现钻机与孔位有明显的移位和异常现象,则重新调准钻机的位置和方向。(4)钻孔过程中辅助施工措施①注浆固结二次成孔:对...

1、当您付费下载文档后,您只拥有了使用权限,并不意味着购买了版权,文档只能用于自身使用,不得用于其他商业用途(如 [转卖]进行直接盈利或[编辑后售卖]进行间接盈利)。
2、本站所有内容均由合作方或网友上传,本站不对文档的完整性、权威性及其观点立场正确性做任何保证或承诺!文档内容仅供研究参考,付费前请自行鉴别。
3、如文档内容存在违规,或者侵犯商业秘密、侵犯著作权等,请点击“违规举报”。

碎片内容

压力分散型锚索施工工法

您可能关注的文档

确认删除?
VIP
微信客服
  • 扫码咨询
会员Q群
  • 会员专属群点击这里加入QQ群
客服邮箱
回到顶部