电脑桌面
添加小米粒文库到电脑桌面
安装后可以在桌面快捷访问

高中物理 第6章 章末复习课教案(含解析)鲁科版选修1-1-鲁科版高二选修1-1物理教案VIP免费

高中物理 第6章 章末复习课教案(含解析)鲁科版选修1-1-鲁科版高二选修1-1物理教案_第1页
1/4
高中物理 第6章 章末复习课教案(含解析)鲁科版选修1-1-鲁科版高二选修1-1物理教案_第2页
2/4
高中物理 第6章 章末复习课教案(含解析)鲁科版选修1-1-鲁科版高二选修1-1物理教案_第3页
3/4
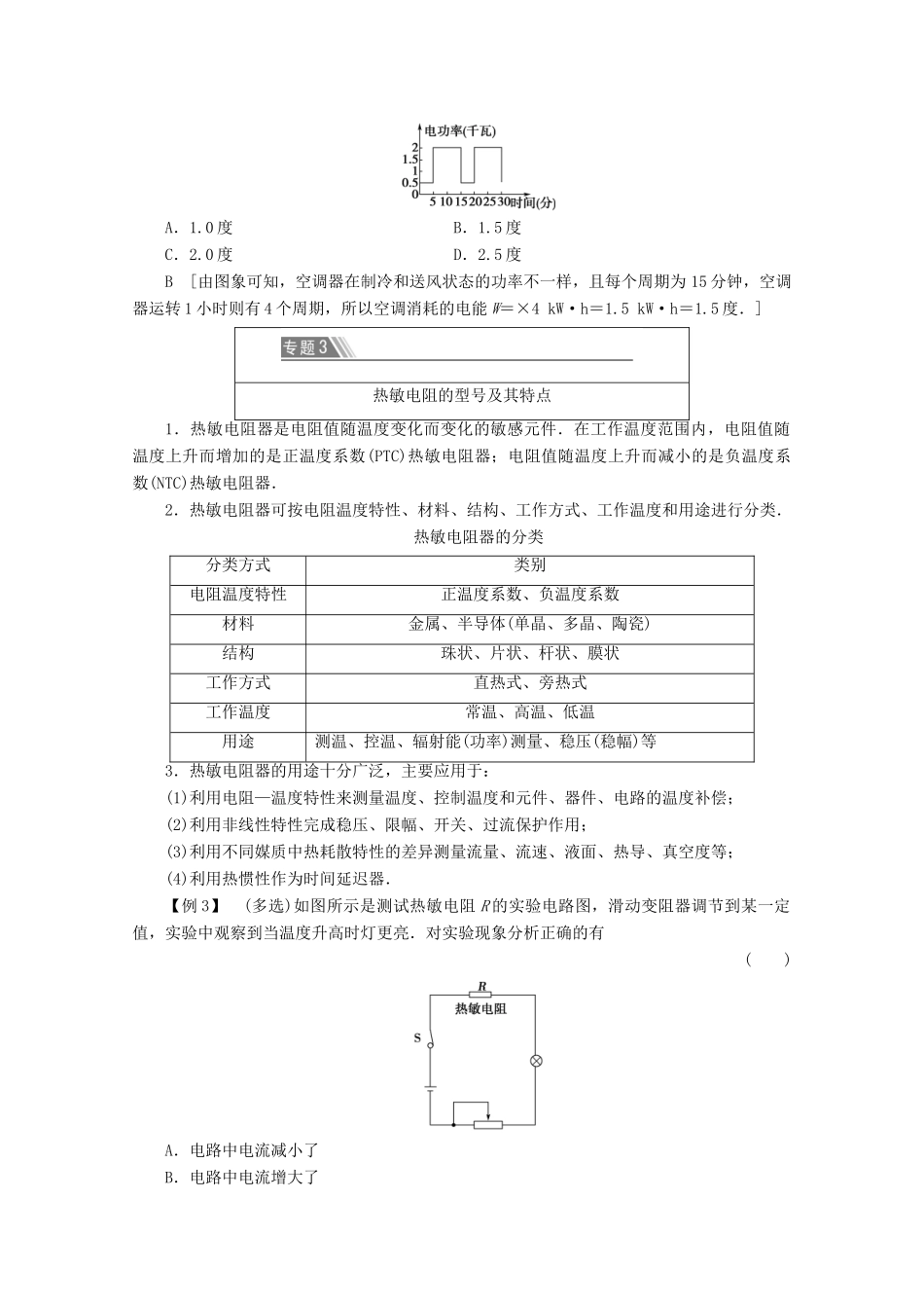
章末复习课[核心速填]1.电磁波谱(按频率由小到大或波长由大到小):无线电波、________、可见光、________、________、γ射线.2.无线电波按波长由大到小分为:长波、________、中短波、短波、________.3.无线电波的传播方式:地波、________、空间波.4.信息高速公路包括:微波通信、________、光纤通信和移动通信.5.传感器的作用是感受外部信息,并按一定规律转换成________.6.传感器的组成包括:敏感元件、________、转换电路.1.红外线紫外线X射线2.中波微波3.天波4.卫星通信5.电信号6.转换元件[学思心得]___________________________________________________________________________________________________电磁波与机械波的传播电磁波本身是物质,传播不需要介质,各种频率的电磁波在真空中的传播速度都相同,在介质中的传播速度与频率有关.而机械波的传播必须靠介质,传播速度由介质决定,不能在真空中传播.【例1】一人看到闪电12.3s后又听到雷声.已知空气中的声速约为330~340m/s,光速为3×108m/s,于是他用12.3s除以3很快估算出闪电发生位置到他的距离为4.1km.根据你所学的物理知识可以判断()A.这种估算方法是错误的,不可采用B.这种估算方法可以比较准确地估算出闪电发生位置与观察者间的距离C.这种估算方法没有考虑光的传播时间,结果误差很大D.即使声速增大2倍以上,本题的估算结果依然正确B[光速和声速相差很大,光在传播约4.1km的距离时,所需的时间非常少,对于估算来说完全可以忽略.声速v=340m/s=0.34km/s,所以由匀速直线运动的公式可得s=vt=0.34t≈km.声速加倍后显然不再成立.]1.(多选)下列关于电磁波的说法中,正确的是()A.电磁波是由发生区域向远处传播的电磁场B.电磁波在真空中的传播速度为光速C.电磁波传播的是一种能量D.电磁波只能传递声音信号ABC[电磁波是传播的电磁场,是一种能量,故A、C正确.它既可传递声音信号,也可传递图像信号,故D错误.电磁波在真空中以光速传播,B正确.]家用电器类问题家用电器种类繁多,涉及生活的每一个角落,并不要求把所有的家用电器的工作原理都搞明白,但在使用每一种家用电器之前要阅读说明书,做到安全使用.但对于较为简单的能做到了解原理更好,以提高自己的科学素养.【例2】家用微波炉是一种利用微波的电磁能加热食物的新型灶具,主要由磁控管、波导管、微波加热器、炉门、直流电源、冷却系统、外壳等组成.接通电源后,220V交流电经变压器,一方面在次级产生3.4V交流电对磁控管加热,同时在次级产生2000V高压电经整流回到磁控管产生频率为2450MHz的微波,微波输送至金属制成的加热器(炉腔),被来回反射,微波的电磁作用使食物内分子高频地运动而使食物加快受热,并能最大限度地保存食物中的维生素.有下列说法:①微波是振荡自由电子运动而产生的②微波是原子外层电子受到激发而产生的③微波炉变压器的电压变化比为④利用微波加热食物是因为微波比红外线有更强的热作用上述说法正确的是()A.②③B.①③C.③④D.①④B[微波属于无线电波,是振荡电路中自由电子的运动产生的,故①对,②错;由变压原理知变压比为=,故③对;在各种电磁波中,具有显著热作用的是红外线,而微波加热食物的原理是微波的频率更接近食物分子的固有频率,使食物分子产生共振,故④错,应选B.]2.夏天空调器正常工作时,制冷状态与送风状态交替运行.一空调器在不同工作状态下电功率随时间变化的关系如图所示,此空调器运转1小时用电()A.1.0度B.1.5度C.2.0度D.2.5度B[由图象可知,空调器在制冷和送风状态的功率不一样,且每个周期为15分钟,空调器运转1小时则有4个周期,所以空调消耗的电能W=×4kW·h=1.5kW·h=1.5度.]热敏电阻的型号及其特点1.热敏电阻器是电阻值随温度变化而变化的敏感元件.在工作温度范围内,电阻值随温度上升而增加的是正温度系数(PTC)热敏电阻器;电阻值随温度上升而减小的是负温度系数(NTC)热敏电阻器.2.热敏电阻器可按电阻温度特性、材料、结构、工作方式、工作温度和用途进行分类.热敏电阻器的分类分类方式类别电阻温度特性正温度系数、负温度系数材料金属、半导...

1、当您付费下载文档后,您只拥有了使用权限,并不意味着购买了版权,文档只能用于自身使用,不得用于其他商业用途(如 [转卖]进行直接盈利或[编辑后售卖]进行间接盈利)。
2、本站所有内容均由合作方或网友上传,本站不对文档的完整性、权威性及其观点立场正确性做任何保证或承诺!文档内容仅供研究参考,付费前请自行鉴别。
3、如文档内容存在违规,或者侵犯商业秘密、侵犯著作权等,请点击“违规举报”。

碎片内容

高中物理 第6章 章末复习课教案(含解析)鲁科版选修1-1-鲁科版高二选修1-1物理教案

您可能关注的文档

雨丝书吧+ 关注
实名认证
内容提供者

乐于和他人分享知识,从事历史教学,热爱教育,高度负责。

相关文档

确认删除?
VIP
微信客服
  • 扫码咨询
会员Q群
  • 会员专属群点击这里加入QQ群
客服邮箱
回到顶部