电脑桌面
添加小米粒文库到电脑桌面
安装后可以在桌面快捷访问

高中物理 第2章 实验:描绘小灯泡的伏安特性曲线学案 粤教版选修3-1-粤教版高二选修3-1物理学案VIP免费

高中物理 第2章 实验:描绘小灯泡的伏安特性曲线学案 粤教版选修3-1-粤教版高二选修3-1物理学案_第1页
1/13
高中物理 第2章 实验:描绘小灯泡的伏安特性曲线学案 粤教版选修3-1-粤教版高二选修3-1物理学案_第2页
2/13
高中物理 第2章 实验:描绘小灯泡的伏安特性曲线学案 粤教版选修3-1-粤教版高二选修3-1物理学案_第3页
3/13
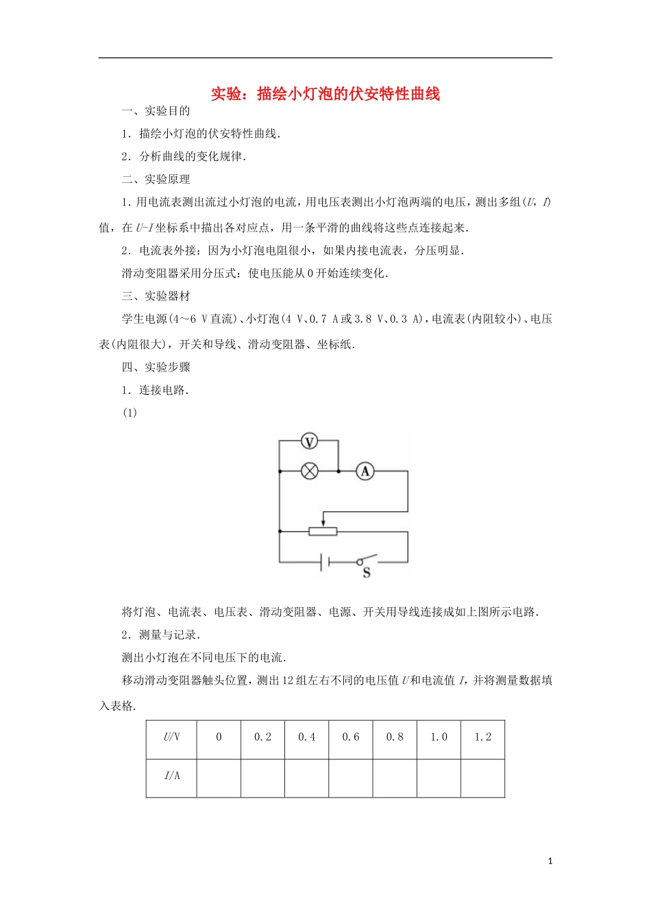
实验:描绘小灯泡的伏安特性曲线一、实验目的1.描绘小灯泡的伏安特性曲线.2.分析曲线的变化规律.二、实验原理1.用电流表测出流过小灯泡的电流,用电压表测出小灯泡两端的电压,测出多组(U,I)值,在U-I坐标系中描出各对应点,用一条平滑的曲线将这些点连接起来.2.电流表外接:因为小灯泡电阻很小,如果内接电流表,分压明显.滑动变阻器采用分压式:使电压能从0开始连续变化.三、实验器材学生电源(4~6V直流)、小灯泡(4V、0.7A或3.8V、0.3A),电流表(内阻较小)、电压表(内阻很大),开关和导线、滑动变阻器、坐标纸.四、实验步骤1.连接电路.(1)将灯泡、电流表、电压表、滑动变阻器、电源、开关用导线连接成如上图所示电路.2.测量与记录.测出小灯泡在不同电压下的电流.移动滑动变阻器触头位置,测出12组左右不同的电压值U和电流值I,并将测量数据填入表格.U/V00.20.40.60.81.01.2I/A1U/V1.62.02.42.83.23.63.8I/A3.数据处理、整理仪器.(1)画出伏安特性曲线.①在坐标纸上以U为横轴,以I为纵轴,建立坐标系.②在坐标纸上描出各组数据所对应的点.(坐标系纵轴和横轴的标度要适中,以使所描图线充分占据整个坐标纸为宜)③将描出的点用平滑的曲线连接起来,就得到小灯泡的伏安特性曲线.4.拆除电路、整理仪器.五、注意事项1.本实验中被测小灯泡灯丝的电阻值较小,因此测量电路必须采用电流表外接法.2.滑动变阻器应采用分压式连接:目的是为了使小灯泡两端的电压能从0开始连续变化.3.U-I图线在U0=1.0V左右时将发生明显弯曲,故在U=1.0V左右时绘点要密,以防出现很大误差.4.建立坐标系时,纵轴表示电流,横轴表示电压,两坐标轴选取的标度要合理,使得根据测量数据画出的图线尽量占满坐标纸.一、单项选择题1.在描绘小灯泡的伏安特性时,以电流值作横坐标,电压值作纵坐标.所得的图线可能是下面图线中的(D)2解析:由于小灯泡两端的电压升高时,灯丝的温度升高,导致灯丝电阻变大,所以只有D满足题意.2.在描绘小灯泡的伏安特性曲线时采用如图所示电路,实验中发现移动滑动变阻器的滑片时,电流表示数变化而电压表指针不动,下列原因可能的是(C)A.灯泡中灯丝已烧断B.滑动变阻器滑片接触不良C.灯泡内部短路D.滑动变阻器A端接触不良解析:电流表示数变化而电压表指针不动,说明有电流流过灯泡但其两端无电压,即灯泡短路,选C.3.某灯泡上标有“4V,0.7A”的字样,在描绘该灯泡的伏安特性曲线实验中所用的电流表为0~0.6A~3A,电压表为0~3V~15V,为了提高实验的精确性则下列说法中正确的是(A)A.电压表应选0~3V量程,电流表应选0~0.6A量程B.电压表应选0~15V量程,电流表应选0~0.6A量程C.电压表应选0~3V量程,电流表应选0~3A量程D.电压表应选0~15V量程,电流表应选0~3A量程解析:一般情况下电压表和电流表的量程不能小于被测灯泡的额定值,但是本题强调实验的精确性,若电压表选0~15V量程则其额定电压还不到满偏刻度的,误差较大.同理电3流表应选0~0.6A量程.二、不定项选择题4.如下图所示,a、b、c、d是滑动变阻器的四个接线柱.现把此变阻器串联接入电路中的A、B两点间,并要求滑动头向c端移动过程中,灯泡变暗,则接入电路A、B两点间的接线柱可能是(AD)A.b和cB.a和cC.a和dD.b和d解析:滑动变阻器是利用改变导线长度来改变电阻的,如题图所示,要使滑动头向c端移动时,灯泡变暗,只要接入电路的滑动变阻器电阻丝增长即可,所以应该接bc或bd.5.某同学研究三种导电元件的伏安特性,他根据实验中所测得的数据,分别绘制了I-U图线,如下图所示,下列说法正确的是(A)A.图(1)的元件可以作为标准电阻使用B.图(2)的阻值随电压升高而减小C.图(3)的阻值随电压升高而增大D.图(2)、(3)一定是由金属材质构成的导电元件解析:(1)中I-U图象为一次函数图象,即不随温度变化而变化.所以可以作为标准电阻.同理,(2)中R随温度升高而增大,(3)中R随温度升高而减小.6.在“描绘小灯泡伏安特性曲线”的实验中,应(CD)A.采用电流表内接法,因为小灯泡的电阻比电压表内阻小得多B.采用电流表内接法,因为小灯泡的电阻比电流表内阻大得多4C.采用...

1、当您付费下载文档后,您只拥有了使用权限,并不意味着购买了版权,文档只能用于自身使用,不得用于其他商业用途(如 [转卖]进行直接盈利或[编辑后售卖]进行间接盈利)。
2、本站所有内容均由合作方或网友上传,本站不对文档的完整性、权威性及其观点立场正确性做任何保证或承诺!文档内容仅供研究参考,付费前请自行鉴别。
3、如文档内容存在违规,或者侵犯商业秘密、侵犯著作权等,请点击“违规举报”。

碎片内容

高中物理 第2章 实验:描绘小灯泡的伏安特性曲线学案 粤教版选修3-1-粤教版高二选修3-1物理学案

您可能关注的文档

确认删除?
VIP
微信客服
  • 扫码咨询
会员Q群
  • 会员专属群点击这里加入QQ群
客服邮箱
回到顶部