电脑桌面
添加小米粒文库到电脑桌面
安装后可以在桌面快捷访问

高一物理动量:实验:探究碰撞中的不变量2教案人教版VIP免费

高一物理动量:实验:探究碰撞中的不变量2教案人教版_第1页
1/4
高一物理动量:实验:探究碰撞中的不变量2教案人教版_第2页
2/4
高一物理动量:实验:探究碰撞中的不变量2教案人教版_第3页
3/4
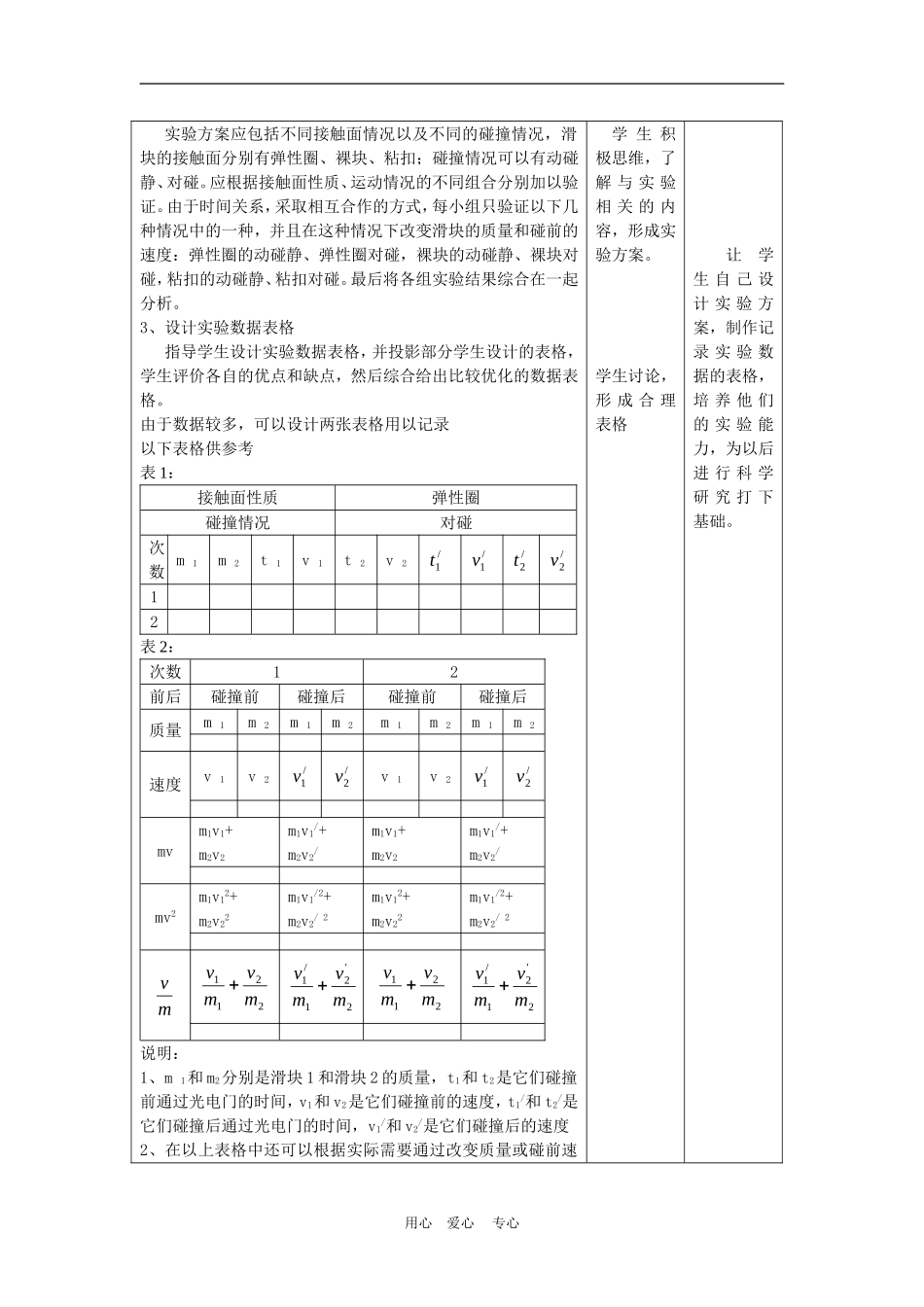
1.实验:探究碰撞中的不变量一、教学目标:1、知识与技能(1)通过实验使学生了解到两个物体碰撞前后,它们各自的质量与自己速度的乘积之和是不变的(2)进一步熟悉气垫导轨和光电计时器的工作原理和使用方法2、过程与方法(1)体验用实验探究碰撞中的不变量的过程与方法(2)通过学生分组实验,亲自参与教学,增强学生的动手能力和实验能力3、情感态度与价值观(1)增强学生的协作意识(2)培养学生尊重事实,实事求是的科学研究作风二、教学重点、难点教学重点:探究碰撞中的不变量教学难点:寻找的不变量必须是在不同的碰撞情况下都不改变,因此要设计一种可行性较大的实验,探究普遍规律三、设计思路动量守恒定律是自然界普遍适用的基本规律之一,也是本章的重点,只有学生主动参与探究的全过程,成为学习的主体,才能激发学习的欲望。在探究活动开始时,教师可以给学生创设一些问题情景,引导学生去发现问题,使学生产生探究的动机,通过自主探究,协作学习,使学生获得一定的感性认识,为以下的学习打好基础。本节教学设计的基本过程如下:通过演示实验,观察两个小球碰撞前后运动的变化,引出思考,提出问题;学生分组讨论,设计实验方案,教师归纳指导;学生自主探究,协作学习,从实验数据中归纳出碰撞中的不变量;教师作适当点评和总结。整个过程教师是一个引导者和参与者,引导学生交流讨论和实践,鼓励学生的创新精神,充分重视在学生的探究过程中情感、态度与价值观的培养,重视学生能力的培养。四、教学资源1、学生实验器材:气垫导轨、光电门、挡光片、光电计时器、滑块、天平、弹簧圈、粘扣、、2、演示器材:铁架台、悬线两根,小钢球三个(其中两个质量相等,另一个质量相差较多)五、教学过程教师活动学生活动点评引入新课碰撞是自然界中常见的现象,请举一些常见的碰撞的例子演示:如图,A、B是两个悬挂起来的钢球,质量相等。使B球静止,拉起A球,放开后A与B碰撞,观察碰撞前后两球运动的变化。换为质量相差较多的两个小球,重做以上实验。通过演示可以看到:学生回答常见的碰撞的例子通过演示使学生对两个物体用心爱心专心两个物体碰撞前后的速度都会发生变化,物体的质量不同时速度的变化情况也不一样。提出问题:碰撞前后会不会有什么物理量保持不变确定课题:通过实验探究碰撞中的不变量的碰撞有一个感性认识,由此创设情景,引出课题。新课教学一、实验的基本思路我们只研究一维碰撞的情况问题:1、在一维碰撞的情况下与运动着的物体有关的物理量有哪些?2、碰撞前后哪个物理量可能是不变的?3、质量并不描述物体的运动状态,不是我们追寻的不变量,而速度是变化的,质量和速度的乘积也是变化的,那么,碰撞前后究竟什么是不变的?提示:会不会是两个物体各自的质量与自己速度的乘积之和是不变量?即:m1v1+m2v2=m1v1′+m2v2′成立或者,各自的质量与自己速度的二次方的乘积之和是不变量?即:m1v12+m2v22=m1v1′2+m2v2′2成立或者,两个物体的速度与自己质量的比值之和是不变量即:2'21'12211mvmvmvmv成立或者……二、需要考虑的问题1、如何保证碰撞是一维的?2、我们知道质量可以用天平进行测量,那么怎样测两个物体在碰撞前后的速度?3、碰撞有很多情形,我们寻找的不变量必须在各种碰撞的情况下都不改变,这样才符合要求。因此本实验需要设计多种碰撞情况。请大家根据以上要求设计一个实验方案三、设计实验方案利用气垫导轨进行实验,实验仪器如图。1、回顾实验装置的工作原理和使用方法2、设计实验方案讨论、回答:1、物体的质量m、物体的速度v2、质量3、学生猜想,提出各种观点学生讨论,提出方案引导学生进行猜想,确定实验的基本思路培养学生多角度思考的发散性思维能力。肯定学生的成功之处,使之有成功的喜悦。教师最后集中学生的思维,确定本实验研究的方案。用心爱心专心实验方案应包括不同接触面情况以及不同的碰撞情况,滑块的接触面分别有弹性圈、裸块、粘扣;碰撞情况可以有动碰静、对碰。应根据接触面性质、运动情况的不同组合分别加以验证。由于时间关系,采取相互合作的方式,每小组只验证以下几种情况中的一种,并且在这种情...

1、当您付费下载文档后,您只拥有了使用权限,并不意味着购买了版权,文档只能用于自身使用,不得用于其他商业用途(如 [转卖]进行直接盈利或[编辑后售卖]进行间接盈利)。
2、本站所有内容均由合作方或网友上传,本站不对文档的完整性、权威性及其观点立场正确性做任何保证或承诺!文档内容仅供研究参考,付费前请自行鉴别。
3、如文档内容存在违规,或者侵犯商业秘密、侵犯著作权等,请点击“违规举报”。

碎片内容

高一物理动量:实验:探究碰撞中的不变量2教案人教版

您可能关注的文档

雨丝书吧+ 关注
实名认证
内容提供者

乐于和他人分享知识,从事历史教学,热爱教育,高度负责。

确认删除?
VIP
微信客服
  • 扫码咨询
会员Q群
  • 会员专属群点击这里加入QQ群
客服邮箱
回到顶部