电脑桌面
添加小米粒文库到电脑桌面
安装后可以在桌面快捷访问

河南省焦作市沁阳一中高中物理 第六章第三节 实验传感器的应用学案 新人教版选修3-2VIP免费

河南省焦作市沁阳一中高中物理 第六章第三节 实验传感器的应用学案 新人教版选修3-2_第1页
1/5
河南省焦作市沁阳一中高中物理 第六章第三节 实验传感器的应用学案 新人教版选修3-2_第2页
2/5
河南省焦作市沁阳一中高中物理 第六章第三节 实验传感器的应用学案 新人教版选修3-2_第3页
3/5
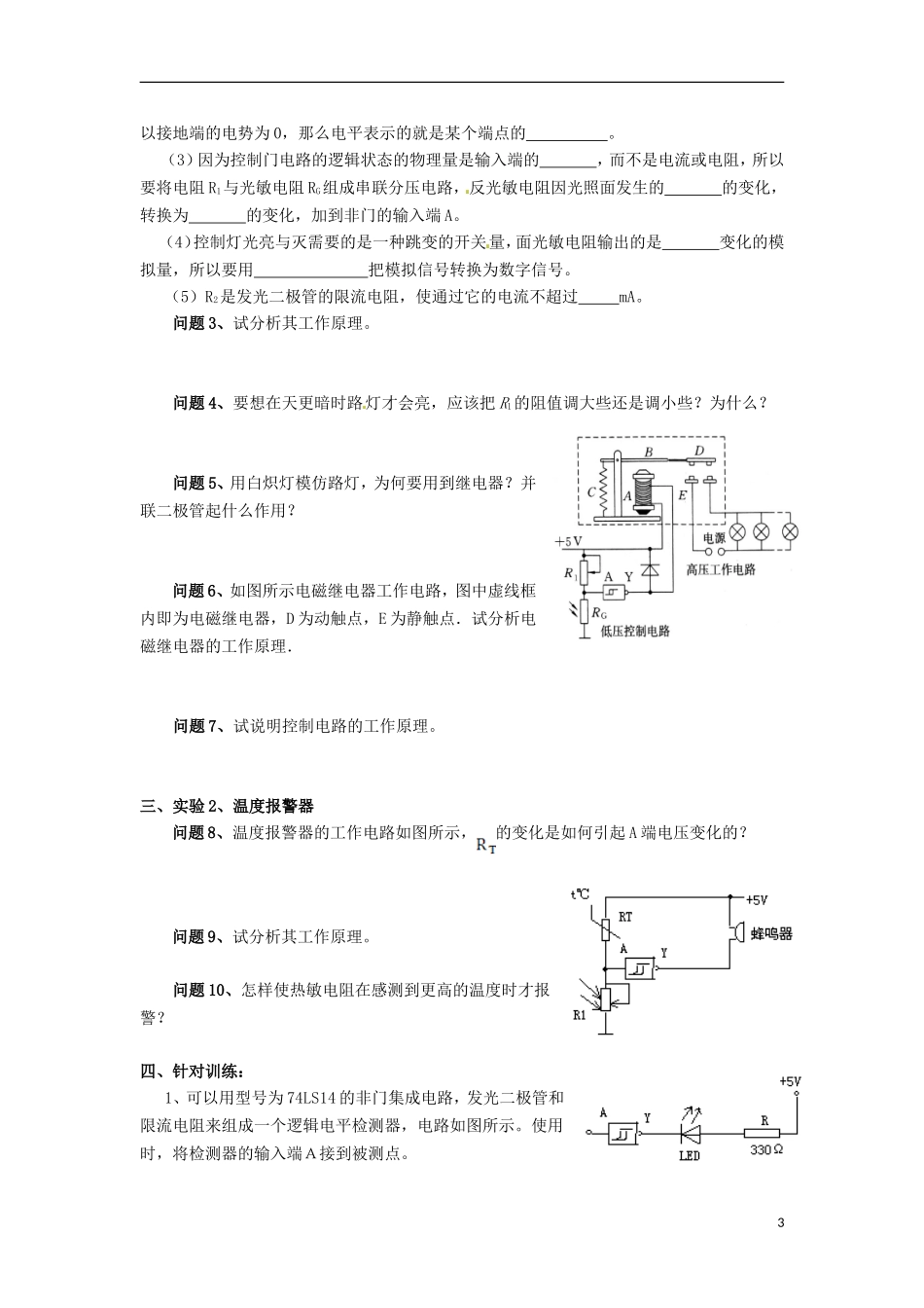
河南省焦作市沁阳一中高中物理第六章第三节实验传感器的应用学案新人教版选修3-2【学习目标】1、知道二极管的单向导电性和发光二极管的发光特性.2、知道晶体三极管的放大特性.3、掌握逻辑电路的基本知识和基本应用.4、综合实验培养动手能力,体会物理知识实际中的应用.【学习重点】:1、了解斯密特触发器的工作特点,能够分析光控电路的工作原理。2、温度报警器的电路工作原理。【学习难点】:由门电路控制的传感器的工作原理。【学习方法】:实验法、观察法、讨论法。自主学习:一、实验原理及知识准备阅读下列学习资料并总结出其特点和作用:(一)、普通二极管和发光二极管固态电子器件中的半导体两端器件。起源于19世纪末发现的点接触二极管效应,发展于20世纪30年代,主要特征是具有单向导电性,即整流特性。利用不同的半导体材料、掺杂分布、几何结构,可制成不同类型的二极管,用来产生、控制、接收、变换、放大信号和进行能量转换。例如稳压二极管可在电源电路中提供固定偏压和进行过压保护;雪崩二极管作为固体微波功率源,用于小型固体发射机中的发射源;半导体光电二极管能实现光-电能量的转换,可用来探测光辐射信号;用作指示灯、文字-数字显示、光耦合器件、光通信系统光源等;肖特基二极管可用于微波电路中的混频、检波、调制、超高速开关、倍频和低噪声参量放大等。按用途分:检波二极管、整流二极管、稳压二极管、开关管、光电管。按结构分:点接触型二极管、面接触型二极管发光二极管简称为LED。由镓(Ga)与砷(AS)、磷(P)的化合物制成的二极管,当电子与空穴复合时能辐射出可见光,因而可以用来制成发光二极管,在电路及仪器中作为指示灯,或者组成文字或数字显示。磷砷化镓二极管发红光,磷化镓二极管发绿光,碳化硅二极管发黄光。发光二极管与普通二极管一样是由一个PN结组成,也具有单向导电性。当给发光二极管加上正向电压后,就能产生自发辐射的荧光。常用的是发红光、绿光或黄光的二极管。11、普通二极管和发光二极管(1)二极管具有______导电性。(2)发光二极管除了具有单向导电性外,导电时还能____。普通的发光二极管是用磷化镓和磷砷化镓等半导体材料制成,能直接将电能转化为能。该类发光二极管的正向导通电压大于1.8v.(3)二极管有二根引脚,较长的是极。发光二极管只有加上一定的向电压,才能导通发光,工作电流只有几毫安,最大不得超过10mA。过大的电流会损坏二极管,在使用时必须合适的限流电阻。(二)逻辑电路逻辑电路是以二进制为原理、实现数字信号逻辑运算和操作的电路。由于只分高、低电平,抗干扰力强,精度和保密性佳。广泛应用于计算机、数字控制、通信、自动化和仪表等方面。这里我们主要说逻辑门电路。2、逻辑门电路包括与门,或门,非门。(1)与逻辑对于与门电路,只要一个输入端输入为0,则输出端一定是,只有当所有输入端输入都同为时,输出才是1.符号图(2)或逻辑对于或门电路,只要一个输入端输入为1,则输出一定是,反之,只有当所有输入端都为时,输出端才是0.符号图(3)非门电路对于非门电路,当输入为0时,输出总是,当输入为1时,输出反而是,非门电路也称反相器。符号图3、斯密特电路:斯密特触发器是特殊的电路,当加在它的输入端A的电压逐渐上升到某个值V时,输出端Y会突然从高电平调到低电平V,而当输入端A的电压下降到另一个值的时候V,Y会从低电平跳到高电平V。斯密特触发器可以将连续变化的模拟信号转换为的信号,以实现开关功能。而这正是进行光控所需要的。合作探究二、实验1、光控开关问题1、电路组成:触发器,电阻RG,发光二极管LED模仿路灯,滑线变阻器R1,定值电阻R2,电路如图所示。问题2、电路图分析(1)图中的接地符号表示电路的,并非与大地连接。5V电源的负极是与连接的。(2)在电子技术中,习惯上常用“电平”来描述逻辑电路的输入端和输出端的状态,其实,电平指的就是某个端点与“地”之间的。或者说,如果2以接地端的电势为0,那么电平表示的就是某个端点的。(3)因为控制门电路的逻辑状态的物理量是输入端的,而不是电流或电阻,所以要将电阻R1与光敏电阻RG组成串...

1、当您付费下载文档后,您只拥有了使用权限,并不意味着购买了版权,文档只能用于自身使用,不得用于其他商业用途(如 [转卖]进行直接盈利或[编辑后售卖]进行间接盈利)。
2、本站所有内容均由合作方或网友上传,本站不对文档的完整性、权威性及其观点立场正确性做任何保证或承诺!文档内容仅供研究参考,付费前请自行鉴别。
3、如文档内容存在违规,或者侵犯商业秘密、侵犯著作权等,请点击“违规举报”。

碎片内容

河南省焦作市沁阳一中高中物理 第六章第三节 实验传感器的应用学案 新人教版选修3-2

您可能关注的文档

;绿洲书城+ 关注
实名认证
内容提供者

从事历史教学,热爱教育,高度负责。

确认删除?
VIP
微信客服
  • 扫码咨询
会员Q群
  • 会员专属群点击这里加入QQ群
客服邮箱
回到顶部