电脑桌面
添加小米粒文库到电脑桌面
安装后可以在桌面快捷访问

山东省临朐实验中学高二物理 测定金属的电阻率学案VIP免费

山东省临朐实验中学高二物理 测定金属的电阻率学案_第1页
1/4
山东省临朐实验中学高二物理 测定金属的电阻率学案_第2页
2/4
山东省临朐实验中学高二物理 测定金属的电阻率学案_第3页
3/4
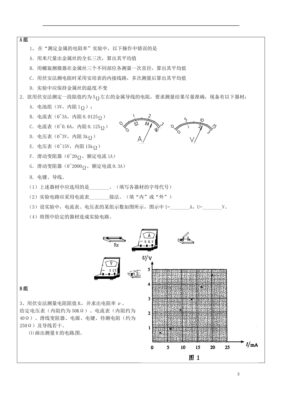
山东省临朐实验中学高二物理学案:实验:测定金属的电阻率[实验目的]用伏安法间接测定某种金属导体的电阻率;练习使用螺旋测微器。[实验原理]根据电阻定律公式R=,只要测量出金属导线的长度和它的直径d,计算出导线的横截面积S,并用伏安法测出金属导线的电阻R,即可计算出金属导线的电阻率。[实验器材]被测金属导线,直流电源(4V),电流表(0-0.6A),电压表(0-3V),滑动变阻器(50Ω),电键,导线若干,螺旋测微器,米尺。[实验步骤]1.用螺旋测微器在被测金属导线上的三个不同位置各测一次直径,求出其平均值d,计算出导线的横截面积S。2.按如图所示的原理电路图连接好用伏安法测电阻的实验电路。3.用毫米刻度尺测量接入电路中的被测金属导线的有效长度,反复测量3次,求出其平均值。4.把滑动变阻器的滑动片调节到使接入电路中的电阻值最大的位置,电路经检查确认无误后,闭合电键S。改变滑动变阻器滑动片的位置,读出几组相应的电流表、电压表的示数I和U的值,断开电键S,求出导线电阻R的平均值。5.将测得的R、、d值,代入电阻率计算公式中,计算出金属导线的电阻率。6.拆去实验线路,整理好实验器材。实验记录测量次数123平均值导线长/m导线直径/m1导线的横截面积S=(公式)=(代入数据)=m2测量次数123电阻平均值电压U/V电流I/A电阻R/Ω所测金属的电阻率ρ=(公式)=(代入数据)=Ωm[注意事项]1.测量被测金属导线的有效长度,是指测量待测导线接入电路的两个端点之间的长度,亦即电压表两并入点间的部分待测导线长度,测量时应将导线拉直。2.本实验中被测金属导线的电阻值较小,因此实验电路必须采用电流表外接法。3.实验连线时,应先从电源的正极出发,依次将电源、电键、电流表、待测金属导线、滑动变阻器连成主干线路(闭合电路),然后再把电压表并联在待测金属导线的两端。]4.闭合电键S之前,一定要使滑动变阻器的滑动片处在有效电阻值最大的位置。5.在用伏安法测电阻时,通过待测导线的电流强度I的值不宜过大(电流表用0~0.6A量程),通电时间不宜过长,以免金属导线的温度明显升高,造成其电阻率在实验过程中逐渐增大。【点拨】(1):为了减少电阻的计算误差,可以作U-I图象求出电阻的平均值(2):经验表明,引起实验误差的原因可能是:①采用外接法则由于伏特表的分流影响,造成电阻测量值偏小,若误用内接法则安培表分压影响更大。②仪表量程太大且读数不准③计算未遵从有效数字运算法则实验中易混淆的是:R=U/I和R=ρL/S两个定律,这两个定律都是实验定律,但前者是研究电阻与电流、电压两者之间关系;后者是研究导体本身的性质即电阻与材料、长度、截面积三者之间关系,与所在的电路因素或是否接入电路无关,注意R=U/I中,电阻与U、I无关;R=ρL/S中,电阻率与L和S无关,使用这两式时ρ是不变的。易错的是:测量电路(内、外接法)、控制电路(限流式和分压式)、量程的选择及有效数字、电阻R平均值的计算等。易忘的是:金属丝未接入电路就测量其长度,用千分尺测直径D前未查零误差、测D时未按三个不同位置测量取平均值。巩固练习:2A组1.在“测定金属的电阻率”实验中,以下操作中错误的是A.用米尺量出金属丝的全长三次,算出其平均值B.用螺旋测微器在金属丝三个不同部位各测量一次直径,算出其平均值C.用伏安法测电阻时采用安培表的内接线路,多次测量后算出其平均值D.实验中应保持金属丝的温度不变2.欲用伏安法测定一段阻值约为5左右的金属导线的电阻,要求测量结果尽量准确,现备有以下器材:A.电池组(3V,内阻1);B.电流表(0~3A,内阻0.0125)C.电流表(0~0.6A,内阻0.125)D.电压表(0~3V,内阻3k)E.电压表(0~15V,内阻15k)F.滑动变阻器(0~20,额定电流1A)G.滑动变阻器(0~2000,额定电流0.3A)H.电键、导线。(1)上述器材中应选用的是________。(填写各器材的字母代号)[(2)实验电路应采用电流表________接法。(填“内”或“外”)(3)设实验中,电流表、电压表的某组示数如图所示,图示中I=________A,U=________V。(4)将图中给定的器材连成实验电路。B组3、用伏安法测量电阻阻值R,并求出电阻率ρ。给定...

1、当您付费下载文档后,您只拥有了使用权限,并不意味着购买了版权,文档只能用于自身使用,不得用于其他商业用途(如 [转卖]进行直接盈利或[编辑后售卖]进行间接盈利)。
2、本站所有内容均由合作方或网友上传,本站不对文档的完整性、权威性及其观点立场正确性做任何保证或承诺!文档内容仅供研究参考,付费前请自行鉴别。
3、如文档内容存在违规,或者侵犯商业秘密、侵犯著作权等,请点击“违规举报”。

碎片内容

山东省临朐实验中学高二物理 测定金属的电阻率学案

您可能关注的文档

星河书苑+ 关注
实名认证
内容提供者

从事历史教学,热爱教育,高度负责。

相关文档

确认删除?
VIP
微信客服
  • 扫码咨询
会员Q群
  • 会员专属群点击这里加入QQ群
客服邮箱
回到顶部