电脑桌面
添加小米粒文库到电脑桌面
安装后可以在桌面快捷访问

山东省德州市高中物理 2.4串联电路和并联电路(学生版) 新人教版选修3-1VIP免费

山东省德州市高中物理 2.4串联电路和并联电路(学生版) 新人教版选修3-1_第1页
1/5
山东省德州市高中物理 2.4串联电路和并联电路(学生版) 新人教版选修3-1_第2页
2/5
山东省德州市高中物理 2.4串联电路和并联电路(学生版) 新人教版选修3-1_第3页
3/5
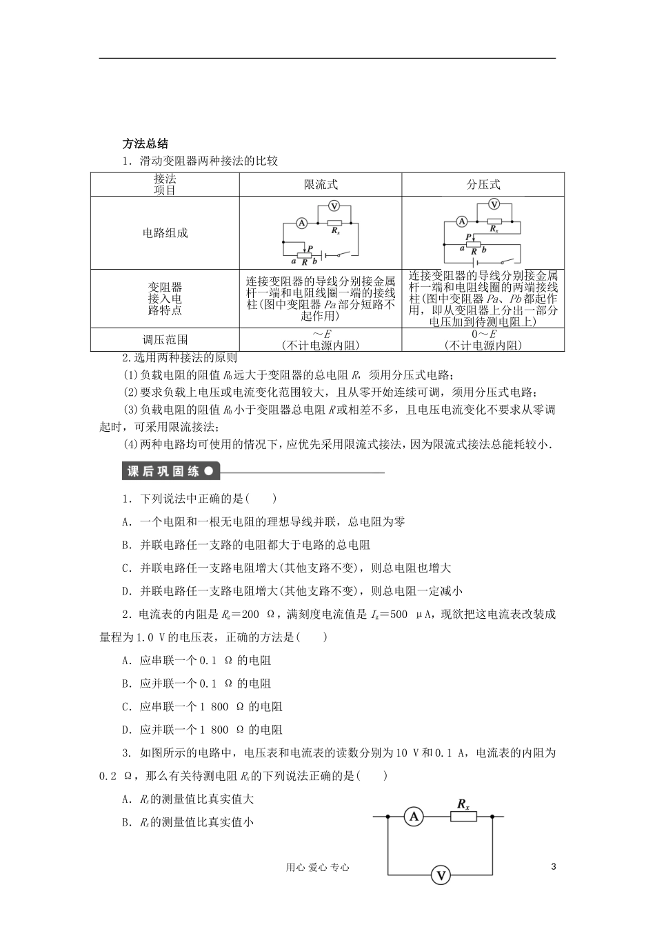
第4节串联电路和并联电路1.串联电路的基本特点是:(1)电路中各处相等,即(2)总电压等于之和,即(3)总电阻等于之和,即.2.并联电路的基本特点是:(1)各电阻两端的相等,即.(2)总电流等于各支路之和,即.(3)总电阻的倒数等于各支路电阻的倒数之和,即=++…+.3.电流表(表头)G的三个重要参数是、、,这三个参数之间的关系符合欧姆定律,即.4.利用串联电路的原理,将电流表G一只适当阻值的电阻R,就可以改装成一定量程的电压表V,若改装后的量程为U,则分压电阻R=-Rg.5.利用并联电路的原理,将电流表G一只适当阻值的电阻R,就可以改装成一定量程的电流表A,若改装后的量程为I,则分流电阻R=.【概念规律练】知识点一串并联电路的特点1.电阻R1、R2、R3串联在电路中.已知R1=10Ω、R3=5Ω,R1两端的电压为6V,R2两端的电压为12V,则()A.电路中的电流为0.6AB.电阻R2的阻值为20ΩC.三只电阻两端的总电压为21VD.电阻R3两端的电压为4V2.已知通过三个并联支路的电流之比是I1∶I2∶I3=1∶2∶3,则三个并联支路的电阻之比R1∶R2∶R3为()A.1∶2∶3B.3∶2∶1C.2∶3∶6D.6∶3∶23.如图所示电路,R1=2Ω,R2=3Ω,R3=4Ω.(1)如已知流过电阻R1的电流I1=3A,则干路电流多大?(2)如果已知干路电流I=3A,流过每个电阻的电流多大?用心爱心专心1知识点二电压表、电流表的改装4.把电流表改装成电压表时,下列说法正确的是()A.改装的原理是串联电阻有分压作用B.改装成电压表后,原电流表本身允许通过的最大电流值也随着变大了C.改装后原电流表自身的电阻也增大了D.改装后使用时,加在原电流表两端的电压的最大值不变5.有一个量程为0.5A的电流表,与阻值为1Ω的电阻并联后通入0.6A的电流,电流表的示数为0.4A,若将该电流表的量程扩大为5A,则应________联一个阻值为________Ω的电阻.知识点三串并联电路特点的综合应用6.如图所示的电路中,R1=8Ω,R2=4Ω,R3=6Ω,R4=3Ω.(1)求电路中的总电阻.(2)当加在电路两端的电压U=42V时,通过每个电阻的电流是多少?7.一个T型电路如图所示,电路中的电阻R1=10Ω,R2=120Ω,R3=40Ω.另有一测试电源,电动势为100V,内阻忽略不计.则()A.当cd端短路时,ab之间的等效电阻是40ΩB.当ab端短路时,cd之间的等效电阻是40ΩC.当ab两端接通测试电源时,cd两端的电压为80VD.当cd两端接通测试电源时,ab两端的电压为80V【方法技巧练】一、用伏安法测电阻8.用电流表和电压表测量电阻Rx的阻值.如图所示,分别将图(a)和(b)两种测量电路连接到电路中,按照(a)图时,电流表示数为4.60mA,电压表示数为2.50V;按照(b)图时,电流表示数为5.00mA,电压表示数为2.30V,比较这两次结果,正确的是()A.电阻的真实值更接近543Ω,且大于543ΩB.电阻的真实值更接近543Ω,且小于543ΩC.电阻的真实值更接近460Ω,且大于460ΩD.电阻的真实值更接近460Ω,且小于460Ω二、滑动变阻器的两种接法9.如图所示,滑动变阻器R1的最大值是200Ω,R2=R3=300Ω,A、B两端电压UAB=8V.(1)当开关S断开时,移动滑动片P,R2两端可获得的电压变化范围是多少?(2)当S闭合时,移动滑动片P,R2两端可获得的电压变化范围又是多少?用心爱心专心2方法总结1.滑动变阻器两种接法的比较接法项目限流式分压式电路组成变阻器接入电路特点连接变阻器的导线分别接金属杆一端和电阻线圈一端的接线柱(图中变阻器Pa部分短路不起作用)连接变阻器的导线分别接金属杆一端和电阻线圈的两端接线柱(图中变阻器Pa、Pb都起作用,即从变阻器上分出一部分电压加到待测电阻上)调压范围~E(不计电源内阻)0~E(不计电源内阻)2.选用两种接法的原则(1)负载电阻的阻值R0远大于变阻器的总电阻R,须用分压式电路;(2)要求负载上电压或电流变化范围较大,且从零开始连续可调,须用分压式电路;(3)负载电阻的阻值R0小于变阻器总电阻R或相差不多,且电压电流变化不要求从零调起时,可采用限流接法;(4)两种电路均可使用的情况下,应优先采用限流式接法,因为限流式接法总能耗较小.1.下列说法中正确的是()A.一个电阻和一根无电阻的理想导线并联,总电阻为零B.并联电路任一支路的电阻...

1、当您付费下载文档后,您只拥有了使用权限,并不意味着购买了版权,文档只能用于自身使用,不得用于其他商业用途(如 [转卖]进行直接盈利或[编辑后售卖]进行间接盈利)。
2、本站所有内容均由合作方或网友上传,本站不对文档的完整性、权威性及其观点立场正确性做任何保证或承诺!文档内容仅供研究参考,付费前请自行鉴别。
3、如文档内容存在违规,或者侵犯商业秘密、侵犯著作权等,请点击“违规举报”。

碎片内容

山东省德州市高中物理 2.4串联电路和并联电路(学生版) 新人教版选修3-1

您可能关注的文档

星河书苑+ 关注
实名认证
内容提供者

从事历史教学,热爱教育,高度负责。

确认删除?
VIP
微信客服
  • 扫码咨询
会员Q群
  • 会员专属群点击这里加入QQ群
客服邮箱
回到顶部