电脑桌面
添加小米粒文库到电脑桌面
安装后可以在桌面快捷访问

各国卫生陶瓷标准主要技术要求项目全解VIP免费

各国卫生陶瓷标准主要技术要求项目全解_第1页
1/9
各国卫生陶瓷标准主要技术要求项目全解_第2页
2/9
各国卫生陶瓷标准主要技术要求项目全解_第3页
3/9
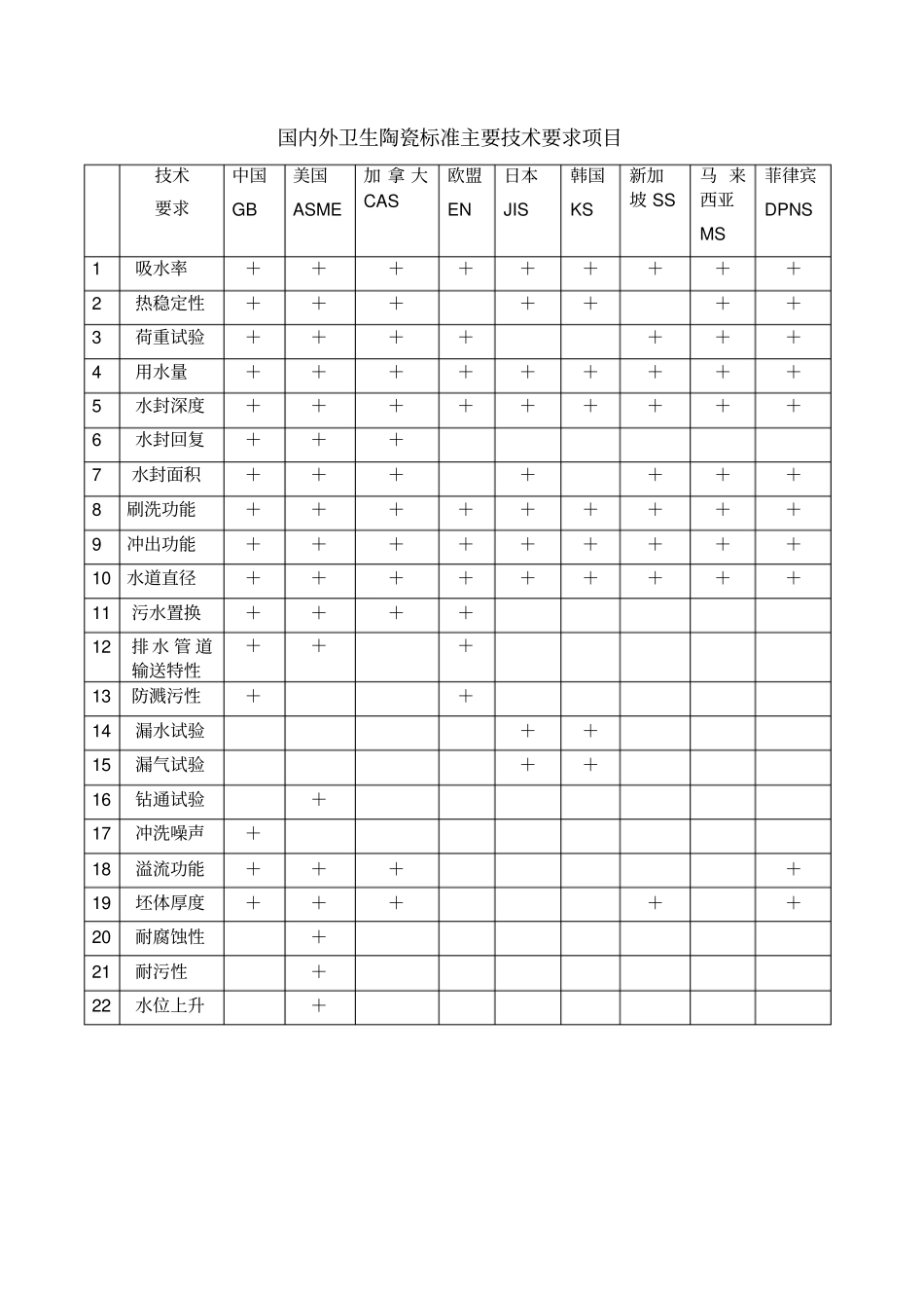
国内外卫生陶瓷标准主要技术要求项目技术要求中国GB美国ASME加拿大CAS欧盟EN日本JIS韩国KS新加坡SS马来西亚MS菲律宾DPNS1吸水率+++++++++2热稳定性+++++++3荷重试验+++++++4用水量+++++++++5水封深度+++++++++6水封回复+++7水封面积+++++++8刷洗功能+++++++++9冲出功能+++++++++10水道直径+++++++++11污水置换++++12排水管道输送特性+++13防溅污性++14漏水试验++15漏气试验++16钻通试验+17冲洗噪声+18溢流功能++++19坯体厚度+++++20耐腐蚀性+21耐污性+22水位上升+各国标准对便器水封及水封回复的要求国别坐便器小便器蹲便器一般要求冲出式虹吸式虹吸喷射式冲落式旋涡虹吸式回弯式虹吸冲落式桶冲式水封回复中国≥50≥50≥50≥50美国≥50≥50≥50韩国≥50≥50≥65≥75≥50≥50日本≥50≥50欧盟≥50加拿大≥50≥50≥38菲律宾≥50≥76≥76≥64≥76≥64≥50≥38≥50≥6马来西亚≥50≥50≥50新加坡≥50≥50各国标准中关于便器水封面面积最小值的规定产品类型中国美国日本加拿大菲律宾马来西亚/新加坡一般要求100×85125×100203×178120×85节水型127×95喷射虹吸式240×200300×250305×254虹吸式180×140冲出式300×250305×254漩涡虹吸279×229冲落式203×178虹吸冲落式127×102反向存水弯125×100229×203各国标准中关于便器水道最小直径的规定国别坐便器小便器蹲便器一般要求节水型喷射虹吸式冲出式漩涡虹吸冲落式虹吸冲落式反存水弯式中国φ41φ19美国φ38φ19韩国φ44φ18φ44日本φ38φ53φ18加拿大φ38φ50φ54φ38φ38菲律宾φ38φ38φ50φ54φ50φ38φ38φ38φ19马来西来φ43φ43新加坡φ43φ43各国标准中关于吸水率的规定国别吸水率要求及试验方法浸透度要求及试验方法中国要求:瓷质产品吸水率E≤0.5%;陶质产品吸水率8.0%≤E<15.0%。煮沸法:测定煮沸2h再浸泡20h后的吸水率美国要求:瓷质产品的吸水率E≤0.5%非瓷质产品吸水率0.6-0.8%;8.0--15.0%煮沸法:测定煮沸2h再浸泡20h后的吸水率韩国日本要求:浸透度不得大于3㎜。渗透法:在浓度为1%的红墨水中浸泡1h后,染料渗透坯体的深度欧盟新加坡要求:平均吸收率不得超过0.5%煮沸法:测定煮沸2h再浸泡20h后的吸水率菲律宾要求:平均吸收率不得超过0.5%。煮沸法:测定煮沸2h再浸泡20h后的吸水率国别吸水率要求及试验方法浸透度要求及试验方法加拿大要求:瓷质平均吸水率不应超过0.5%。非瓷质平均吸水率不应超过15%。煮沸法:测定煮沸2h再浸泡20h后的吸水率要求:浸透度不得大于3㎜。渗透法:将浓度为0.2%洋红溶液滴在釉面上,用玻璃覆盖,保持1h。釉面不应有任何变色,测定染料渗透坯体的最大深度马来西亚要求:平均吸水率不得大于0.5%单块吸水率不得大于0.75%真空法各国标准中关于产品热稳定性的规定国别要求试验方法中国、美国、加拿大、菲律宾经抗裂试验应无裂纹氯化钙煮沸法:在饱合氯化钙溶液中煮沸1.5小时,放入(2~3)℃的冰水中急冷5分钟,在稀释红墨水溶液中浸泡2小时后查裂。日本、韩国、马来西亚经抗龟裂试验应无龟裂蒸釜法:在1小时升至1.0MPa保持1小时,排气后冷却1小时取出,查裂。日本、韩国经耐急冷试验应无裂纹耐急冷试验:在高于水温110℃的炉中加热1小时后取出,立即放入水中急冷,查裂。各国标准对便器用水量的规定国别坐便器小便器蹲便器试验压力中国节水型≤6L普通型≤9L节水型≤3L普通型≤5L节水型≤8L普通型≤11L重力式0.14Mpa;0.35Mpa、0.55Mpa压力式550kPa、0.24MPa1.8kPa(小便器)美国低耗水型≤6.0L喷射虹吸式≤13.2L节水型≤3.8L普通型≤5.7L重力式140kPa;350kPa;550kPa,240kPa(冲洗阀)310kPa(喷射式)韩国冲落式≤8L;虹吸式≤9L冲洗阀式≤9L冲洗阀≤4L冲落式≤18L日本冲落式≤11L节水型≤8L虹吸式≤13L;节水型≤9L冲洗阀式≤13L冲洗阀≤4L冲落式≤11L节水型≤8L欧盟重力式≤4L、5L、6L、7L、9L压力式≤6L双档≤6L小档≤大挡2/3静压0.14Mpa0.35Mpa0.55Mpa马来西亚双档≤6/3L单档≤6L双档≤6/3L单档≤6L加拿大普通型>13.2L节水型≤13.2L低耗水型≤6L140kPa240kPa(冲洗阀)菲律宾常...

1、当您付费下载文档后,您只拥有了使用权限,并不意味着购买了版权,文档只能用于自身使用,不得用于其他商业用途(如 [转卖]进行直接盈利或[编辑后售卖]进行间接盈利)。
2、本站所有内容均由合作方或网友上传,本站不对文档的完整性、权威性及其观点立场正确性做任何保证或承诺!文档内容仅供研究参考,付费前请自行鉴别。
3、如文档内容存在违规,或者侵犯商业秘密、侵犯著作权等,请点击“违规举报”。

碎片内容

各国卫生陶瓷标准主要技术要求项目全解

确认删除?
VIP
微信客服
  • 扫码咨询
会员Q群
  • 会员专属群点击这里加入QQ群
客服邮箱
回到顶部