电脑桌面
添加小米粒文库到电脑桌面
安装后可以在桌面快捷访问

合格供应商管理程序VIP免费

合格供应商管理程序_第1页
1/10
合格供应商管理程序_第2页
2/10
合格供应商管理程序_第3页
3/10
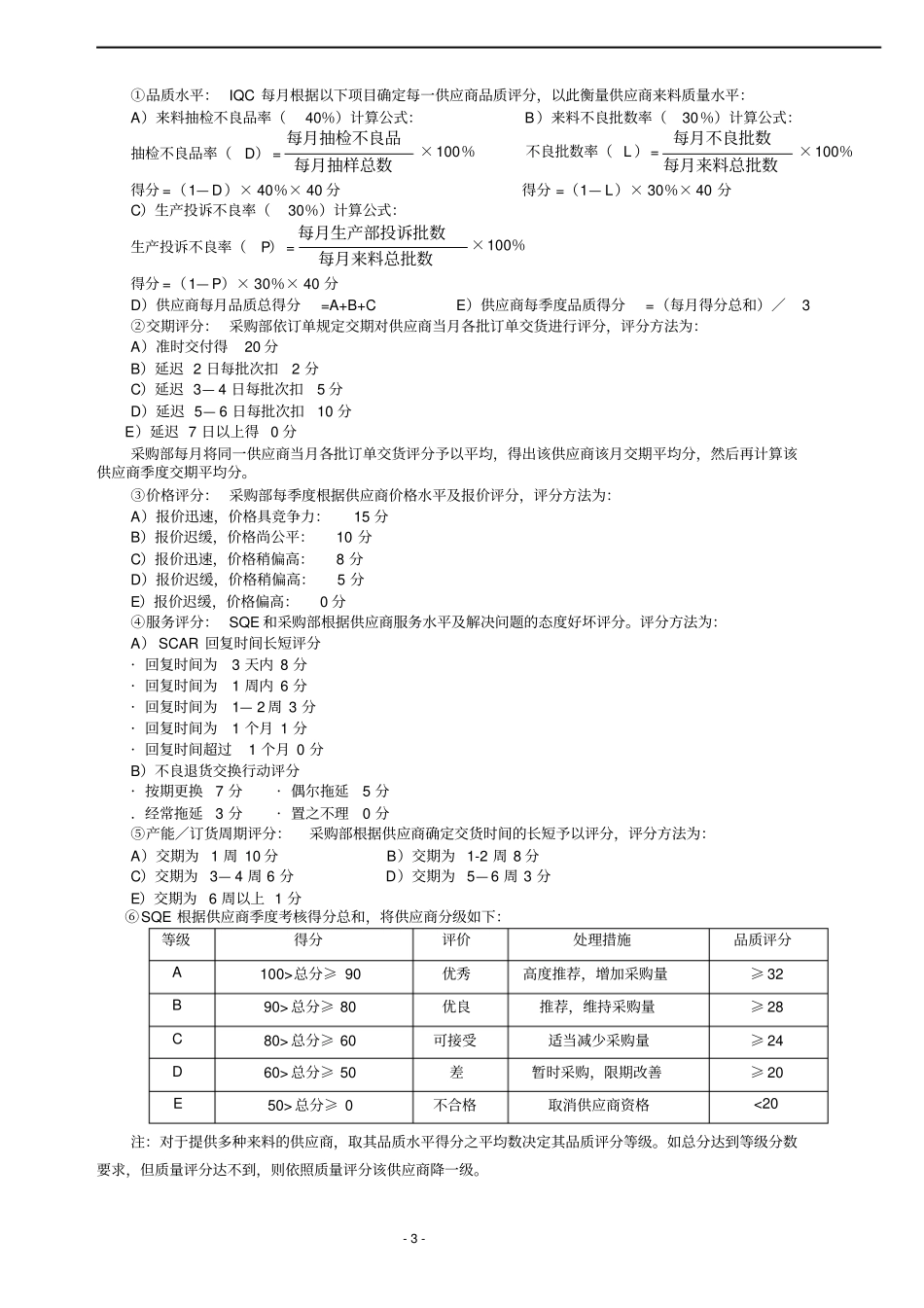
-1-合格供应商管理程序1.目的规定供应商调查、认可、考核及资格取消办法,确保其供应物料在技术、品质、价格、交期及服务等方面满足公司要求。2.适用范围本程序适用于向本公司提供生产用原辅物料及零部件的供应商(包括生产厂家和代理商及分销商)3.定义本公司生产用原辅物料共分为以下类别:3.1A类物料:在产品组成中具功能特性的物料;3.2B类物料:在产品组成中除A类物料外的其它物料;3.3C类物料:在产品形成过程中,用于帮助作业或保护产品且对产品品质影响较大的辅助物料;3.4D类物料:在产品形成过程中,用于帮助作业或保护产品,但对产品品质影响较小的辅助材料。4.职责4.1采购部负责寻找新供应商并定期对供应商价格、交期及服务等方面进行评估和管理。4.2技术部负责物料承认工作,必要时协助SQE评估供应商的产品开发、设计及技术能力能否满足公司要求。4.3SQE负责对供应商的品质体系进行评估及定期稽核,并负责(合格供应商名单》(AVL)的维护和更新。4.4总经理负责批准《合格供应商名单》。5.流程图6.作业程序-2-6.1供应商选择6.1.1采购部根据公司生产要求,通过新闻媒体、网络、产品展销会等各种途径寻找并收集具开发潜力的供应商资料。6.1.2公司对供应商选择原则上是针对生产厂商,但某销售商为生产厂家指定代理商时,则该销售商可视为生产厂商。6.2供应商评估6.2.1提供新物料供应商如以前曾为公司供应过其它物料时,可依其以往表现予以评估;与公司无业务关系的新供应商,采购人员与其初步洽谈并了解其基本情况后要求填写《供应商调查表》提交采购及品管经理。6.2.2采购经理及品管部经理根据该供应商具体情况及提供的物料类别,确定是否须对其现场评估。①对于生产厂商,如须现场评估时,则由采购、技术、及SQE组成评估小组对其进行现场评估。评估完成后,评估小组填写《供应商评估报告》后由SQE存档。②对于代理商/分销商,应由采购人员及SQE对其代理和分销等级、销售业绩、管理能力及售后服务等重大资讯进行评估和现场考察,并填写《代理/分销商评估报告》。③如认为无考察必要(主要是C、D类物料)或存在实际困难(主要是部分海外供应商),可由供应商提供相关资料(如IS09000证书、质量体系文件、公司概况及相关的产品测试资料等)。SQE、采购部、技术部组成评估小组对其资料进行评估。6.2.3供应商评估结论包括优秀/合格/需要改善/不合格等情况,采购经理及品管经理根据评估结果决定其后续处理方式。①评估结论为优秀或合格,采购人员要求供应商提交样品和相关资,交技术部进行物料承认作业。②评估结果为需要改善但由于特殊原因需再次认可此供应商时,可由采购人员提出申请,SQE向其发出《供应商改善行动要求》(SCAR)限期改善后再次稽核。如仍不合格或需要改善则由采购部寻找新的供应商(对同一生产厂商最多进行两次稽核和评估)。③评估结果为不合格时则由采购部寻找新的供应商。6.2.4在特殊情况下(如技术部急需样品),可由供应商先送样承认,再作供应商评估,但只有送样承认及评估合格时方可将其列入合格供应商名单。6.2.5如已认可生产厂商发生重大变化(如变换生产地点或制程重大变更等),应按以上之6.2.2~6.2.3重新评估。6.3合格供应商名单控制6.3.1评估及送样承认合格的供应商,经品管及采购经理批准后,采购文员将其资料录入ERP系统(需提供合格证书或安全证书的供应商必须作特定标记)后生成供应商代码并告之SQE。6.3.2如客户指定、独家专卖或专利技术之厂商,不受6.2项限制,经采购部经理批准后,SQE将其列入《合格供应商名单》。6.3.3SQE将其列入AVL并交品管及采购经理审核后呈总经理批准。批准后的AVL以受控文件分发至品管、采购、生产部门。6.3.4SQE负责AVL的更新与维护,品管经理每三个月检查电脑中存储AVL版本是否正确。采购人员分发采购订单时,必须以电脑中存储AVL版本为准选择交易对象,任何电脑打印AVL只限打印当天参考。如AVL有任何变动时,SQE必须及时通知相关部门。6.4供应商表现评估6.4.1供应商日常来料发生品质问题时,SQE及时向其发出SCAR,要求进行原因分析并限期提出改善对...

1、当您付费下载文档后,您只拥有了使用权限,并不意味着购买了版权,文档只能用于自身使用,不得用于其他商业用途(如 [转卖]进行直接盈利或[编辑后售卖]进行间接盈利)。
2、本站所有内容均由合作方或网友上传,本站不对文档的完整性、权威性及其观点立场正确性做任何保证或承诺!文档内容仅供研究参考,付费前请自行鉴别。
3、如文档内容存在违规,或者侵犯商业秘密、侵犯著作权等,请点击“违规举报”。

碎片内容

合格供应商管理程序

您可能关注的文档

确认删除?
VIP
微信客服
  • 扫码咨询
会员Q群
  • 会员专属群点击这里加入QQ群
客服邮箱
回到顶部