电脑桌面
添加小米粒文库到电脑桌面
安装后可以在桌面快捷访问

吊篮脚手架施工方案资料VIP免费

吊篮脚手架施工方案资料_第1页
1/10
吊篮脚手架施工方案资料_第2页
2/10
吊篮脚手架施工方案资料_第3页
3/10
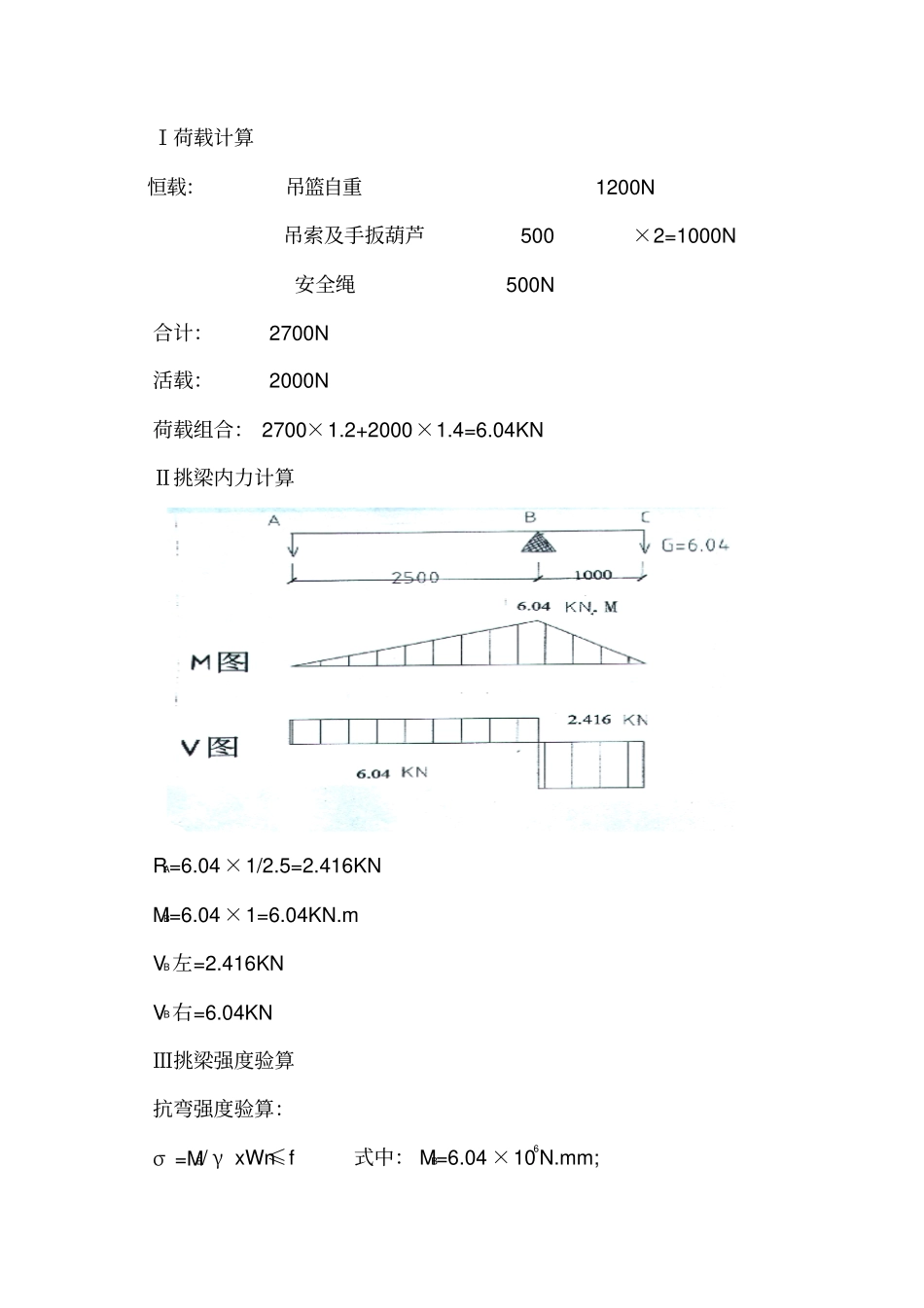
吊篮脚手架施工方案一、工程概况:工程名称:恒宇.银座C座高层住宅楼建设单位:新疆恒宇房地产开发有限公司施工单位:新疆建工集团三建一分公司监理单位:新疆建设工程监理有限公司施工范围:外墙保温工程工程简述:本工程为新疆恒宇房地产开发有限公司开发的恒宇.银座C座高层住宅楼,位于乌鲁木齐市河滩路路100号。建筑层数地上32层,结构为剪力墙.本工程外墙保温工程施工采用屋面吊篮脚手架搭设方案。二、吊篮脚手架的施工方法1、施工方案⑴吊篮脚手架的设计制作应符合(JG/5023-93)《高处作业吊篮》及《编制建筑施工脚手架安全技术标准的统一规定》,并经有关部门审核批准。⑵使用厂家生产的产品时,要有产品合格证书及安装、使用围护说明书等有关资料。⑶吊篮的平台宽度0.8~1m,长度不宜超过3m。⑷吊篮脚手架的设计计算:①吊篮及挑梁应进行强度、刚度和稳定性验算,抗倾覆系数比值≥2。②吊篮平台及挑梁结构按概率极限状态法计算,其分项系数:永久荷载γGQ取1.2,可变荷载γQ取1.4,荷载变化系数γ取1.05。③提升机构按容许应力法计算,其安全系数:钢丝绳K=10,手板葫芦K≥2(按材料屈服强度值)。⑸施工方案中对建筑物转角处等特殊部位的挑梁、吊篮设置予以详细说明,并绘制施工详图。①屋面吊篮脚手架用于五层以上的外墙保温工程施工。示意图如下:注:吊篮设二根工作绳(主绳)、二根保险绳,四根绳均采用直径≥12.5mm的钢丝绳。一根安全绳(型号同安全带所用绳)。②吊篮使用前,进行验收,验收包括以下内容:⑴架子固定情况,安全稳定情况,扣件紧固情况。⑵手扳葫芦的操作试验,灵活及安全保险情况。⑶铺板、安全网封闭情况。⑷支架的稳定情况、各扣件的紧固情况。⑸离地10cm处冲击安全试验:在空旷地点,放入250kg吊载的情况下,自室内往吊栏内倾入70kg砂袋一个(模拟人跳入),看整个架子的安全情况。并在安全绳上捆绑70kg砂袋一个(模拟人)做坠落实验,检查安全绳的完整情况。⑹验收后正式填写验证书。③吊篮挑梁强度验算Ⅰ荷载计算恒载:吊篮自重1200N吊索及手扳葫芦500×2=1000N安全绳500N合计:2700N活载:2000N荷载组合:2700×1.2+2000×1.4=6.04KNⅡ挑梁内力计算RA=6.04×1/2.5=2.416KNMB=6.04×1=6.04KN.mVB左=2.416KNVB右=6.04KNⅢ挑梁强度验算抗弯强度验算:σ=MB/γxWn≤f式中:MB=6.04×106N.mm;γx=1.05Wn=80.5×103mm3σ=6.04×106/1.05×80.5×103=71.46N/mm2σ=71.46<205N/mm2(满足要求)抗剪强度验算:τ=VB右/An≤fv式中:VB=6.04KN;An=1851.6mm2τ=6.04×103/1851.6=3.26N/mm2τ=3.26N/mm2<115N/mm2(满足要求)刚度验算:构件允许挠度:f允许=L/400=2/400=0.005m=5mm最大挠度f最大=-Pa2(3L-a)/6EI=-6.04×103×12(3×1.3-1)/6×564×10-8×2.06×1011=-17.516×103/6971.04×103=-0.0025[f最大]=0.0025m=2.5mm[f最大]=2.5mm<f允许=5mm故此槽钢刚度满足要求。④等强度材料换算根据计算可得知槽钢18a为最小槽钢型号,换算为工字钢最小型号为14,具体数据详见下表:材料名称型号截面面积(cm2)理论重量(kg/m)IX,cm4WX,cm3槽钢18a18.51614.53556480.5工字钢1421.51616.897121022、制作组装⑴悬挑梁挑出长度应使吊篮钢丝绳垂直地面,并在挑梁两端分别用纵向水平杆将挑梁连接成整体。挑梁必须与建筑物结构连接牢靠;当采用压重时,应确认配重的质量,并有固定的措施,防止配重产生位移。严禁使用沙袋做配重。⑵吊篮平台可采用焊接或螺栓连接,不允许使用钢管扣件连接方法组装,吊篮平台组装后,应该经2倍的均布额定荷载试验(不小于4小时)确认,并标明允许载重量。⑶吊篮提升机应符合(JG/T5033-93)《高处作业吊篮用提升机》的规定。采用手板葫芦时,按照《HSS钢丝绳手板葫芦》的规定,应将承载能力降为额定荷载的1/3。提升机应有产品合格证及说明书,在投入使用前应逐台进行动作检验,并按批量做荷载试验。3、安全装置⑴保险卡(闭锁装置)手板葫芦应装设保险卡,防止吊篮平台在正常工作情况下发生自动下滑事故。⑵安全锁①吊篮必须装有安全锁,并在各吊篮平台悬挂处增设一根与提升钢丝绳相同型号的保险绳(直径≥12.5mm),每根保险绳上安装...

1、当您付费下载文档后,您只拥有了使用权限,并不意味着购买了版权,文档只能用于自身使用,不得用于其他商业用途(如 [转卖]进行直接盈利或[编辑后售卖]进行间接盈利)。
2、本站所有内容均由合作方或网友上传,本站不对文档的完整性、权威性及其观点立场正确性做任何保证或承诺!文档内容仅供研究参考,付费前请自行鉴别。
3、如文档内容存在违规,或者侵犯商业秘密、侵犯著作权等,请点击“违规举报”。

碎片内容

吊篮脚手架施工方案资料

确认删除?
VIP
微信客服
  • 扫码咨询
会员Q群
  • 会员专属群点击这里加入QQ群
客服邮箱
回到顶部