电脑桌面
添加小米粒文库到电脑桌面
安装后可以在桌面快捷访问

土力学习题及答案--解析VIP专享VIP免费

土力学习题及答案--解析_第1页
1/7
土力学习题及答案--解析_第2页
2/7
土力学习题及答案--解析_第3页
3/7
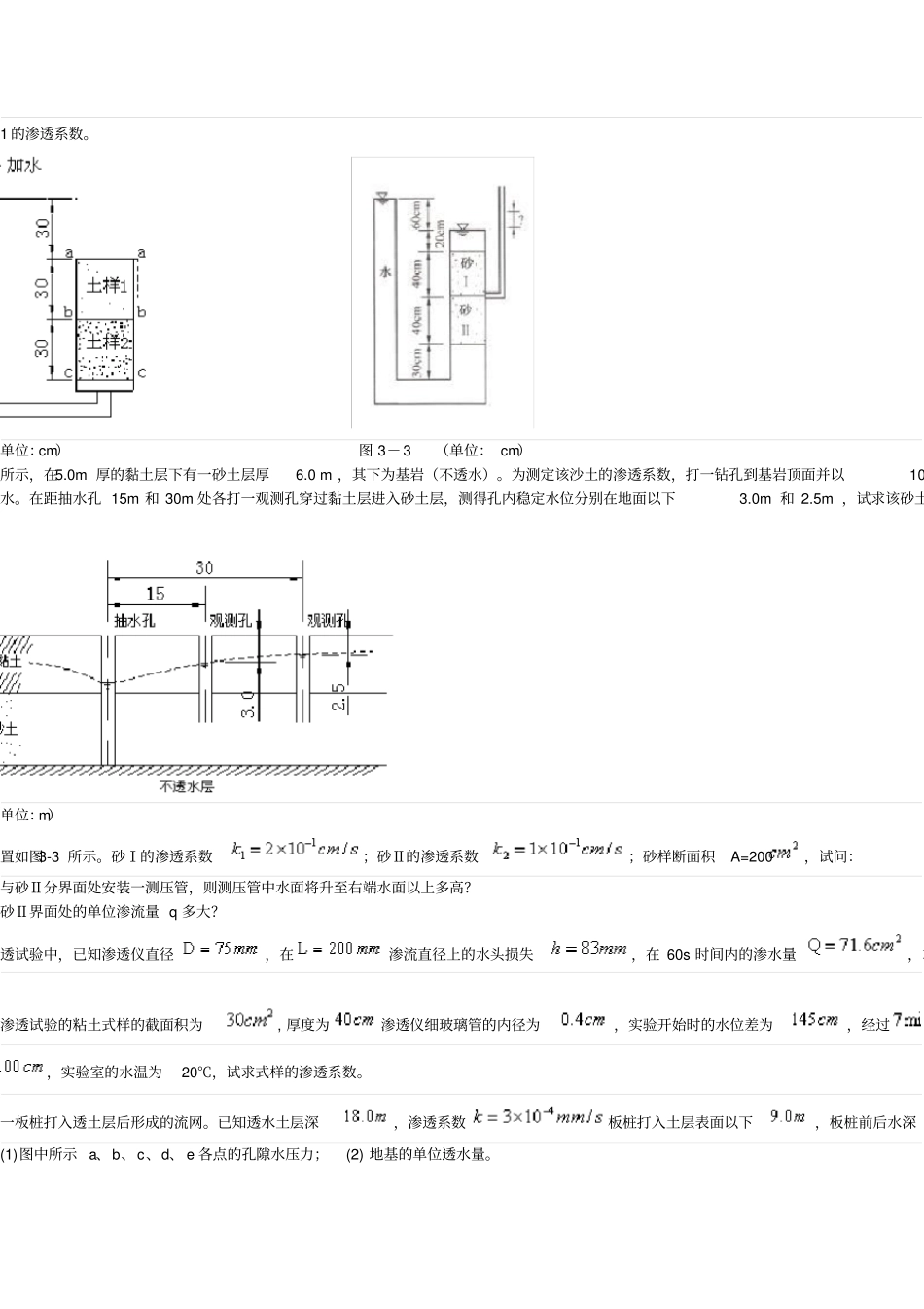
第3章土的渗透性及渗流题始水力梯度产生的原因。土的渗透性的因素主要有哪些。内渗透试验与现场测试得出的渗透系数有较大差别?方程适应于什么条件的渗流场?线与等势线总是正交的?涌现象有什么区别和联系?会引起哪些破坏?题液体透过的性质称为土的。数的主要因素有:、、、、、。室内渗透试验有两种,即和。要有和两种基本形式。适用于的情况,而反映土的透水性的比例系数,称之为土的。题性质的指标是()。B.相对密实度D.渗透系数土与管涌的概念,正确的说法是()。时,水流向上渗流;发生管涌时,水流向下渗流在黏性土中,而管涌多发生在无黏性土中性破坏,管涌属渐进式破坏破坏,管涌不属渗流破坏强弱可用土的哪一项指标来反映?()B.固结系数D.渗透系数中的下列现象,哪一种不属于渗透变形?()B.流土C.砂沸D.流砂流力的描述不正确的是()。力梯度成正比,其方向与渗流方向一致力,其量纲与重度的量纲相同线越密集的区域,其渗流力也越大在对土体稳定总是不利的土样更容易发生流砂?()B.细砂或粉砂D.黏土方向的等效渗透系数与垂直方向的等效渗透系数的关系是()。B.=C.<中某点的渗流力()。增加而增加B.随水利力梯度增加而减少C.与水力梯度无关法的正误。()数越大,土的透水性也越大,土的水力梯度也越大;,只要水力梯度足够大,就有可能发生流土和管涌;渗流力的大小取决于该点孔隙水总水头的大小;小不仅取决于水力梯度,还与其方向有关。B.②对C.③和④对D.全不对正确的是()。越密处,其水力梯度越小等势线上的两点,其孔隙水压力总是相同的,任意两相邻等势线间的势能差相等方向为流线的法线方向研究的主要问题不包括()。B.渗透变形问题题D.地基承载力问题程场地细砂含水层的流线上A、B两点,A点的水位标高2.5米,B点的水位标高3.0米,两点间流线长为10米,计算两点间的平均渗个值。;(B)0.83kN/m3;(C)0.50kN/m3;(D)0.20kN/m3。土样的孔隙率和细粒含量(以质量百分率计)如下,试按《水利水电工程地质勘察规范》(GB50287-99)计算判别下列()选项的土式属于管涌。;(B);;(D)。改错题时必须满足的基本条件之一是流线和等势线必须正交。中的渗透速度不是孔隙水的实际流速。比愈大,其渗透系数也愈大。中,流线愈密集的地方,水力坡降愈小。时,渗流力方向与重力方向相同。渗透系数测定通常采用“常水头”试验进行。时,每个网格的长宽比没有要求。,任意两相邻流线间的渗流量相等。在渗流溢出处,而流土发生的部位可以在渗流溢出处,也可以在土体内部。题所示,在恒定的总水头差之下水自下而上透过两个土样,从土样1顶面溢出。2底面c-c为基准面,求该面的总水头和静水头;流经土样2的水头损失为总水头差的30%,求b-b面的总水头和静水头;样2的渗透系数为0.05cm/s,求单位时间内土样横截面单位面积的流量;1的渗透系数。单位:cm)图3-3(单位:cm)所示,在5.0m厚的黏土层下有一砂土层厚6.0m,其下为基岩(不透水)。为测定该沙土的渗透系数,打一钻孔到基岩顶面并以10水。在距抽水孔15m和30m处各打一观测孔穿过黏土层进入砂土层,测得孔内稳定水位分别在地面以下3.0m和2.5m,试求该砂土单位:m)置如图3-3所示。砂Ⅰ的渗透系数;砂Ⅱ的渗透系数;砂样断面积A=200,试问:与砂Ⅱ分界面处安装一测压管,则测压管中水面将升至右端水面以上多高?砂Ⅱ界面处的单位渗流量q多大?透试验中,已知渗透仪直径,在渗流直径上的水头损失,在60s时间内的渗水量,求渗透试验的粘土式样的截面积为,厚度为渗透仪细玻璃管的内径为,实验开始时的水位差为,经过,实验室的水温为20℃,试求式样的渗透系数。一板桩打入透土层后形成的流网。已知透水土层深,渗透系数板桩打入土层表面以下,板桩前后水深(1)图中所示a、b、c、d、e各点的孔隙水压力;(2)地基的单位透水量。桩墙下的渗流图示,在长为10cm,面积的圆筒内装满砂土。经测定,粉砂的,筒下端与管相连,管内水位高出筒5cm(固定通过试样后可溢流出去。试求(1)渗流力的大小,判断是否会产生流砂现象;(2)临界水利梯度值。参考答案题产生的原因是,为了克服薄膜水的抗剪强度τ0(或者说为了克服吸着水的粘滞阻...

1、当您付费下载文档后,您只拥有了使用权限,并不意味着购买了版权,文档只能用于自身使用,不得用于其他商业用途(如 [转卖]进行直接盈利或[编辑后售卖]进行间接盈利)。
2、本站所有内容均由合作方或网友上传,本站不对文档的完整性、权威性及其观点立场正确性做任何保证或承诺!文档内容仅供研究参考,付费前请自行鉴别。
3、如文档内容存在违规,或者侵犯商业秘密、侵犯著作权等,请点击“违规举报”。

碎片内容

土力学习题及答案--解析

确认删除?
VIP
微信客服
  • 扫码咨询
会员Q群
  • 会员专属群点击这里加入QQ群
客服邮箱
回到顶部