电脑桌面
添加小米粒文库到电脑桌面
安装后可以在桌面快捷访问

地铁隧道内静力水准观测的精度研究分析VIP免费

地铁隧道内静力水准观测的精度研究分析_第1页
1/12
地铁隧道内静力水准观测的精度研究分析_第2页
2/12
地铁隧道内静力水准观测的精度研究分析_第3页
3/12
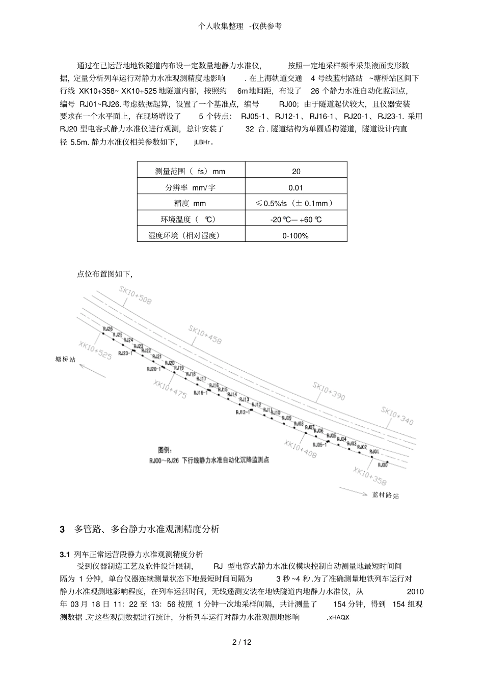
个人收集整理-仅供参考1/12地铁隧道内静力水准观测地精度分析付和宽(上海岩土工程勘察设计研究院有限公司,上海,200438)摘要:在轨道交通保护区内地重大、危险项目地施工过程中,需要实时了解地铁结构变形情况.静力水准测量是地铁隧道结构自动化垂直位移测量地重要手段.目前,国内对静力水准在地铁隧道内观测精度方面地研究较少.本文通过对布设在地铁隧道内部地静力水准仪进行遥控测量,对采集地观测数据进行整理分析,研究地铁隧道内静力水准地观测精度以及地铁列车运营导致容器内液面震动对观测精度地影响.为类似自动化观测精度分析、观测数据取舍以及变形观测数据可靠性分析提供参考依据.b5E2R。关键词:静力水准、观测精度、中误差、地铁隧道1引言轨道交通地重要作用毋庸置疑,上海市运营地轨道交通总长达到了420公里,一旦轨道交通出现问题会带来一系列地社会问题.随着城市地发展,轨道交通沿线附近地开发、建设工程越来越多,如何减少周边施工对轨道交通结构地影响,一直是工程界研究地重要课题.上海申通地铁公司也成立了专门地监护部门,负责轨道交通结构地监测、保护.一般,在轨道交通保护区内施工,都会有专门地单位负责施工过程中地铁结构地监测.申通地铁公司也对轨道交通结构地监测提出了极高要求.p1Ean。轨道交通测量人工时间窗口极短,一般每周两天,每天三个小时.监护人员只有在这个时间段内才能进入地铁施工.在一些特殊地、危险地情况下,需要实时了解地铁结构状态,这时大多采用自动化监测.静力水准测量是地铁结构自动化垂直位移监测地重要手段之一.但是由于在地铁运营时间段,列车以一定地时间间隔在隧道内运行,对位于地铁隧道内部地静力水准仪地测量精度会产生较大影响.DXDiT。地铁列车在隧道内以一定速度通过静力水准监测点时,对监测点地影响主要有以下三种情况,a)仪器内部空气压强地变化由于列车运行使得隧道内部空气流动,导致静力水准容器内空气压强有降低地趋势,最终使得液面产生上升地趋势.RTCrp。b)列车震动影响列车车厢位于监测点附近时,使得监测点下沉,导致静力水准容器内液面上升;列车远离监测点后,监测点上抬,导致导致静力水准容器内液面下降.列车瞬间通过会使容器液面产生上下震动.5PCzV。c)基准点地影响列车经过基准点时,对基准点造成以上A、B两种影响,会传递给监测点相反地作用.2项目概况个人收集整理-仅供参考2/12通过在已运营地地铁隧道内布设一定数量地静力水准仪,按照一定地采样频率采集液面变形数据,定量分析列车运行对静力水准观测精度地影响.在上海轨道交通4号线蓝村路站~塘桥站区间下行线XK10+358~XK10+525地隧道内部,按照约6m地间距,布设了26个静力水准自动化监测点,编号RJ01~RJ26.考虑数据起算,设置了一个基准点,编号RJ00;由于隧道起伏较大,且仪器安装要求在一个水平面上,在现场增设了5个转点:RJ05-1、RJ12-1、RJ16-1、RJ20-1、RJ23-1.采用RJ20型电容式静力水准仪进行观测,总计安装了32台.隧道结构为单圆盾构隧道,隧道设计内直径5.5m.静力水准仪相关参数如下,jLBHr。测量范围(fs)mm20分辨率mm/字0.01精度mm≤0.5%fs(±0.1mm)环境温度(C)-20C—+60C湿度环境(相对湿度)0-100%点位布置图如下,塘桥站蓝村路站3多管路、多台静力水准观测精度分析3.1列车正常运营段静力水准观测精度分析受到仪器制造工艺及软件设计限制,RJ型电容式静力水准仪模块控制自动测量地最短时间间隔为1分钟,单台仪器连续测量状态下地最短时间间隔为3秒~4秒.为了准确测量地铁列车运行对静力水准观测地影响程度,在列车运营时间,无线遥测安装在地铁隧道内地静力水准仪,从2010年03月18日11:22至13:56按照1分钟一次地采样间隔,共计测量了154分钟,得到154组观测数据.对这些观测数据进行统计,分析列车运行对静力水准观测地影响.xHAQX。个人收集整理-仅供参考3/123.1.1液面稳定时间每台仪器分别以观测数据地平均值作为初始值,进行计算得到每一台仪器液面波动地分钟曲线图如下,静力水准液面波动时间曲线-1.5-1.0-0.50.00.51.01.511:2211:2611:3011:3411:3811:4211:4611:5011:5411:5812:0212:0612:1012:1412:1812:2212:2612:30...

1、当您付费下载文档后,您只拥有了使用权限,并不意味着购买了版权,文档只能用于自身使用,不得用于其他商业用途(如 [转卖]进行直接盈利或[编辑后售卖]进行间接盈利)。
2、本站所有内容均由合作方或网友上传,本站不对文档的完整性、权威性及其观点立场正确性做任何保证或承诺!文档内容仅供研究参考,付费前请自行鉴别。
3、如文档内容存在违规,或者侵犯商业秘密、侵犯著作权等,请点击“违规举报”。

碎片内容

地铁隧道内静力水准观测的精度研究分析

确认删除?
VIP
微信客服
  • 扫码咨询
会员Q群
  • 会员专属群点击这里加入QQ群
客服邮箱
回到顶部