电脑桌面
添加小米粒文库到电脑桌面
安装后可以在桌面快捷访问

复方麻黄碱糖浆工艺规范VIP免费

复方麻黄碱糖浆工艺规范_第1页
1/15
复方麻黄碱糖浆工艺规范_第2页
2/15
复方麻黄碱糖浆工艺规范_第3页
3/15
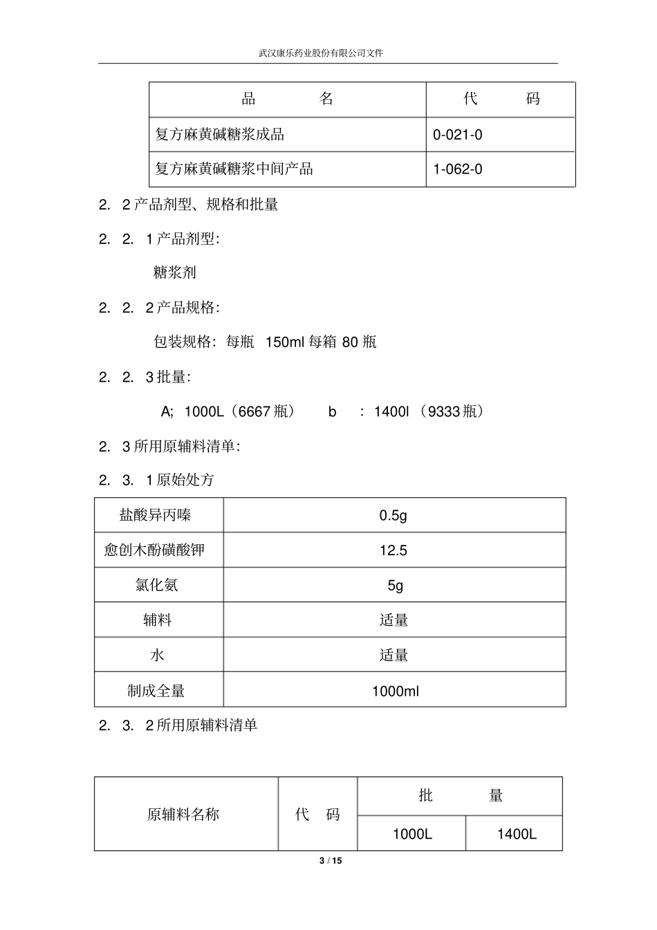
武汉康乐药业股份有限公司文件1/15类别:工艺规程文件编号:PS0701503部门:生产技术部页码:共15页,第1页复方麻黄碱糖浆工艺规程起草人:年月日审核人:年月日批准人:年月日实施日期:年月日执行部门:生产技术部、液体制剂车间分发部门:生产技术部、质量保证部、液体制剂车间变更:武汉康乐药业股份有限公司文件2/151.产品基本信息1.1通用名称:复方麻黄碱糖浆1.2包装:药用聚酯瓶包装1.3批准文号:国药准字H420225221.4执行标准:国家药品监督管理局国家药品标准(化学药品地方标准上升国家标准)第11册WS-10001-(HD-1090)-2002,及补充申请批件2009B01799。1.10批准日期:2003年3月25日1.11说明书核准日期:2007年5月21日1.11产品有效期:暂定24个月1.12适应症:用于支气管炎等引起的咳嗽,多痰。1.13贮藏:遮光,密封在阴凉处(不超过20℃)保存。1.14曾用名:伤风止咳糖浆、止咳露、非那根止咳露、非那根止咳糖浆、复方盐酸异丙嗪止咳糖浆、复方盐酸异丙嗪伤风止咳糖浆等。1.15OTC情况:甲类。2.生产处方2.1产品名称和产品代码2.1.1产品名称:复方麻黄碱糖浆汉语拼音:FufangMahuangjianTangjiang英文或拉丁名:CompoundEphedrineHydrochlorideSyrup武汉康乐药业股份有限公司文件3/15品名代码复方麻黄碱糖浆成品0-021-0复方麻黄碱糖浆中间产品1-062-02.2产品剂型、规格和批量2.2.1产品剂型:糖浆剂2.2.2产品规格:包装规格:每瓶150ml每箱80瓶2.2.3批量:A;1000L(6667瓶)b:1400l(9333瓶)2.3所用原辅料清单:2.3.1原始处方盐酸异丙嗪0.5g愈创木酚磺酸钾12.5氯化氨5g辅料适量水适量制成全量1000ml2.3.2所用原辅料清单原辅料名称代码批量1000L1400L武汉康乐药业股份有限公司文件4/15盐酸麻黄碱3-011-00.5kg0.7kg氯化铵3-005-012.5kg28kg百部流清膏1-067-05.25kg14L桑白皮流清膏1-068-02.5kg22.4L桔梗流清膏1-014-00.5kg42L甘草流清膏1-011-01kg49L桔子香精3-021-10.5kg2.8kg羟苯乙酯3-006-010L0.7kg苯甲酸钠3-001-00.2kg3.5kg蔗糖3-013-0200kg980kg2.3.3折算:原料贮存含量降低,生产时按含量折算,适当增加投料量。投料量=╳100%3.生产操作要求:3.1.1生产场所平面示意图:处方量标示量武汉康乐药业股份有限公司文件5/153.1.2工艺流程图纯化水煮沸蔗糖苯甲酸钠羟苯乙酯焦糖武汉康乐药业股份有限公司文件6/15一般生产区10万级洁净区3.1.3操作间位置、编号、净化级别操作间名称位置编号净化级别温湿度要求物净间5-3A01610万级18-24℃45-65%称量间4-4A01810万级18-24℃45-65%暂存间4-3A01410万级18-24℃45-65%搅拌溶解定容煮沸冷却搅拌外包中间检验灌装外包成品检验纯化水桔子香精氯化铵入库武汉康乐药业股份有限公司文件7/15配料间3-5A02710万级18-24℃45-65%灌装间2-6A02410万级18-24℃45-65%工卫间2-3A01210万级18-24℃45-65%外包间4-8A034一般生产区一般生产区3.1.4设备的型号与编号设备名称型号数量编号搅拌溶糖罐X-2-2500L21012双联过滤器3000L-A21023不锈钢贮存罐4000L41005全自动直线灌装机GCB4B21024扎盖机KXB-K21025铝铂封口机KF-011321043捆扎机200-1A21042批号打印机430型310313.2关键设备的准备采用方法3.2.1液体制剂车间空调净化机组(含臭氧消毒装置),操作规程SOP0200301。用于液体制剂车间空气净化及温湿控制。3.2.2纯化水制水机组,操作规程SOP0201601。用于生产用纯化水的生产。3.2.3配料罐(2.5m3),操作规程SOP0220101。用于产品配料。3.2.4双联过滤器,操作规程SOP0223103。用于配料后过滤。3.2.5贮存罐(5m3):操作规程SOP0223501。用于药液的贮存。武汉康乐药业股份有限公司文件8/153.2.6GCB4B型四泵直线式消泡灌装机,操作规程SOP0221601。用于药液灌装及旋盖。3.2.7YMJ臭氧灭菌柜,操作规程SOP0221301。用于聚酯瓶的消毒。3.2.8KF-0113型铝箔封口机,操作规程SOP0224501。用于药瓶封口。3.3生产过程及步骤、工艺条件3.3.1检查:检查核对生产现场、操作文件、清场情况、物料领用等是否与生产指令相吻合。3.3.2对照生产指令及工艺规程称量复核物料,并做好核对记录。3.3.3在配料罐中加入625L左右纯化(1400L批量加90...

1、当您付费下载文档后,您只拥有了使用权限,并不意味着购买了版权,文档只能用于自身使用,不得用于其他商业用途(如 [转卖]进行直接盈利或[编辑后售卖]进行间接盈利)。
2、本站所有内容均由合作方或网友上传,本站不对文档的完整性、权威性及其观点立场正确性做任何保证或承诺!文档内容仅供研究参考,付费前请自行鉴别。
3、如文档内容存在违规,或者侵犯商业秘密、侵犯著作权等,请点击“违规举报”。

碎片内容

复方麻黄碱糖浆工艺规范

确认删除?
VIP
微信客服
  • 扫码咨询
会员Q群
  • 会员专属群点击这里加入QQ群
客服邮箱
回到顶部