电脑桌面
添加小米粒文库到电脑桌面
安装后可以在桌面快捷访问

大型仪器设备购置论证报告001VIP免费

大型仪器设备购置论证报告001_第1页
1/4
大型仪器设备购置论证报告001_第2页
2/4
大型仪器设备购置论证报告001_第3页
3/4
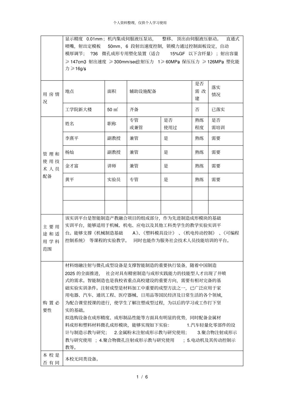
个人资料整理,仅供个人学习使用0/6大型仪器设备购置论证报告仪器设备名称材料熔融注射与微孔成型设备项目名称浙江师范大学产教融合项目项目负责人李熹平填表日期2017-10-09实验室管理处制填表说明1.单价10万元及以上仪器设备的申购均需填写此表,并与申购计划一起上报有关部门。2.所在学院(部门)组织3—7人单数技术专家进行论证,并通知项目经费管理、设备管理等部门参加论证。申请单一来源采购的需3人以上单数非本校专家参加论证;未列入全省统一论证进口产品范围的进口产品需5人以上单数非本校专家参加论证。矚慫润厲钐瘗睞枥庑赖賃軔。3.论证会由专家组组长主持,主要程序为:申购人报告、现场考察、专家质询与讨论、专家组形成论证意见并签名。聞創沟燴鐺險爱氇谴净祸測。4.专家论证同意,经学院(部门)、项目经费管理部门签字并盖章后,报本科教学部(实验室管理处)网上公示一周无异议后实施。残骛楼諍锩瀨濟溆塹籟婭骒。5.此表一式1份(如设备为进口设备,请提交2份)。设备名称中文材料熔融注射与微孔成型设备英文Precisioninjectionmoldingequipment规格型号ZE1200-300h申购数量1现行单价人民币160万元美元购置经费来源产教融合运行经费来源实验室管理处相关运行经费主要技术指标与功能该全电脑数控注射成型设备既可实现金属粉末精密注射成型又可实现聚合物材料的微孔注射成型。主要成形参数包括:注射、预塑、模板移动由伺服电机独立驱动,由光学解码器进行位置检测,位置个人资料整理,仅供个人学习使用1/6显示精度0.01mm;机内集成伺服液压泵站,整移、顶出由伺服液压驱动。直通式喷嘴,射出定模板50mm,6段射出速度控制,锁模力通过控制面板设定,自动模厚调节;?36微孔成形专用塑化装置(适合15%GF以下含纤量);射出容量≥147cm3,射出速度≥300mm/sec;注射压力1≥60MPa;保压压力≥126MPa,塑化能力≥16g/s。用房情况地点面积辅助设施配备是否需改建落实情况工学院新大楼50㎡齐备否已落实管理和使用技术人员配备姓名职称专管或兼管是否使用过熟练程度是否需培训李熹平副教授兼管是熟练需要杨灿副教授兼管是熟练需要金才富讲师兼管是熟练需要黄平实验员专管是熟练需要主要用途和适用学科范围该实训平台是智能制造产教融合项目的组成部分,作为先进制造成形模块的基础实训平台,能够适用于机械、机电、应电以及其他工科类学生的教学实验实训平台。能够支撑《机械制造基础A》、《塑料模具设计》、《机电传动控制》、《可编程控制系统》等课程的实验教学。同时也能作为服务社会技术人员技能培训的平台。购置必要性材料熔融注射与微孔成型设备是支撑智能制造的重要执行装备,随着中国制造2025的全面推进,社会对具有精密制造与成形实践能力的技能型人才出现了井喷式的需求。智能制造也是我校省重点高校建设的重要方向,需要有相对完备的基础实验实训条件。注射成型是材料加工中重要的成型方法之一,已广泛应用于家用电器、汽车、通讯工程、医疗器械、日用品等国民经济及日常生活的各个领域,为配合课堂授课的进行,使学生了解注塑成型过程,为以后的学习或工作打下坚实的基础。拟选购设备在成形精度、成形制品性能等方面具有明显的优势,同时配备金属材料成形和塑料材料微孔成形模块,能够实现如下实验:1.汽车轻量化零部件的设计与制造示教与研究;2.金属粉末注射成形示教与研究使用;3.聚合物注射成形示教与研究使用;4.聚合物微孔注射成形示教与研究使用;5.电动机及其传动控制示教等。本校是否有同本校无同类设备。个人资料整理,仅供个人学习使用2/6类设备、数量及不能共享的理由安装场地满足条件(水、电、气等是否齐全)、安全保护措施落实情况、是否涉及放射源物品和剧毒品等危险性材料场地条件满足需求,安全保护措施已落实,不涉及放射源和剧毒品等危险性材料。该设备所需的电、压缩气、网络不知都将同步建设。该套系统对劳动保护没有特殊要求,所有制度及措施按照目前国家法律、学校制度及实验室现有管理制度实施即可。国内外同类设备、品牌、规格、性能、技术指标、特色、附件、价格、售后服务、应用支持等的比较国内能提供该类设备的厂家有:广东伊...

1、当您付费下载文档后,您只拥有了使用权限,并不意味着购买了版权,文档只能用于自身使用,不得用于其他商业用途(如 [转卖]进行直接盈利或[编辑后售卖]进行间接盈利)。
2、本站所有内容均由合作方或网友上传,本站不对文档的完整性、权威性及其观点立场正确性做任何保证或承诺!文档内容仅供研究参考,付费前请自行鉴别。
3、如文档内容存在违规,或者侵犯商业秘密、侵犯著作权等,请点击“违规举报”。

碎片内容

大型仪器设备购置论证报告001

确认删除?
VIP
微信客服
  • 扫码咨询
会员Q群
  • 会员专属群点击这里加入QQ群
客服邮箱
回到顶部