电脑桌面
添加小米粒文库到电脑桌面
安装后可以在桌面快捷访问

室内穿线施工方案概览VIP免费

室内穿线施工方案概览_第1页
1/8
室内穿线施工方案概览_第2页
2/8
室内穿线施工方案概览_第3页
3/8
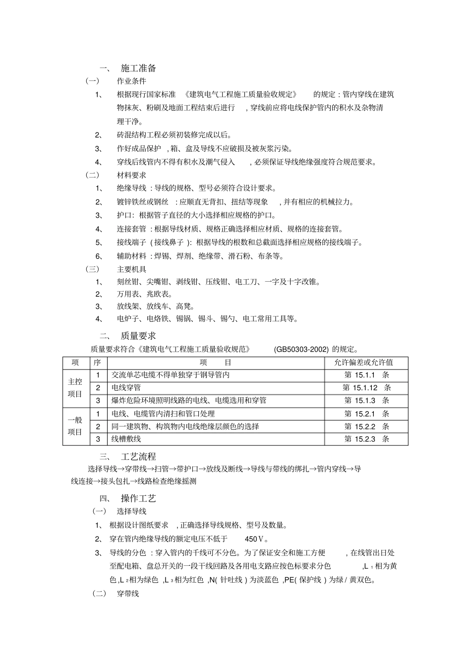
一、施工准备(一)作业条件1、根据现行国家标准《建筑电气工程施工质量验收规定》的规定:管内穿线在建筑物抹灰、粉刷及地面工程结束后进行,穿线前应将电线保护管内的积水及杂物清理干净。2、砖混结构工程必须初装修完成以后。3、作好成品保护,箱、盒及导线不应破损及被灰浆污染。4、穿线后线管内不得有积水及潮气侵入,必须保证导线绝缘强度符合规范要求。(二)材料要求1、绝缘导线:导线的规格、型号必须符合设计要求。2、镀锌铁丝或钢丝:应顺直无背扣、扭结等现象,并有相应的机械拉力。3、护口:根据管子直径的大小选择相应规格的护口。4、连接套管:根据导线材质、规格正确选择相应材质、规格的连接套管。5、接线端子(接线鼻子):根据导线的根数和总截面选择相应规格的接线端子。6、辅助材料:焊锡、焊剂、绝缘带、滑石粉、布条等。(三)主要机具1、刻丝钳、尖嘴钳、剥线钳、压线钳、电工刀、一字及十字改锥。2、万用表、兆欧表。3、放线架、放线车、高凳。4、电炉子、电烙铁、锡锅、锡斗、锡勺、电工常用工具等。二、质量要求质量要求符合《建筑电气工程施工质量验收规范》(GB50303-2002)的规定。项序项目允许偏差或允许值主控项目1交流单芯电缆不得单独穿于钢导管内第15.1.1条2电线穿管第15.1.12条3爆炸危险环境照明线路的电线、电缆选用和穿管第15.1.3条一般项目1电线、电缆管内清扫和管口处理第15.2.1条2同一建筑物、构筑物内电线绝缘层颜色的选择第15.2.2条3线槽敷线第15.2.3条三、工艺流程选择导线→穿带线→扫管→带护口→放线及断线→导线与带线的绑扎→管内穿线→导线连接→接头包扎→线路检查绝缘摇测四、操作工艺(一)选择导线1、根据设计图纸要求,正确选择导线规格、型号及数量。2、穿在管内绝缘导线的额定电压不低于450Ⅴ。3、导线的分色:穿入管内的千线可不分色。为了保证安全和施工方便,在线管出日处至配电箱、盘总开关的一段干线回路及各用电支路应按色标要求分色,L1相为黄色,L2相为绿色,L3相为红色,N(针吐线)为淡蓝色,PE(保护线)为绿/黄双色。(二)穿带线1、带线用φ1.2~φ2.0mm的铁丝,头部弯成不封囗的圆圈,以防止在管内遇到管接头时被卡住,将带线穿入管路内,在管路的两端留有20cm的余量。2、如在管路较长或转弯时,可在结构施工敷设管路的同时将带线一并穿好并留有20cm的余量后,将两端的带线盘入盒内或缠绕在管头上固定好,防止被其他人员随便拉出。3、当穿带线受阻时,采用两端同时穿带线的办法,将两根带线的头部弯成半圆的形状,使两根带线同时搅动,使两端头相互钩绞在一起,然后将带线拉出。(三)带护口按管口大小选择护口,在管子清扫后,将护口套入管口上。在钢管(电线管)穿线前,检查各个管口的护口是否齐全,如有遗漏或破损均应补齐和更换。(四)放线及断线1、放线前应根据图纸对导线的品种、规格、质量进行核对,并派专人进行领取导线,并填写库房三联单签字并保留一联。2、放线:对整盘导线放线时,将导线置于放线架或放线车上,放线避免出现死扣和背花。3、断线:剪断导线时,盒内导线的预留长度2.5mm2导线为15cm;4mm2导线为20cm,箱内导线的预留长度为箱体周长的l/2,出户导线的预留长度为1.5m。(五)导线与带线的绑扎1、当导线根数为2~3根时,可将导线前端的绝缘层剥去,然后将线芯直接与带线绑回头压实绑扎牢固,使绑扎处形成一个平滑的锥体过渡部位。2、当导线根数较多或导线截面较大时,可将导线前端的绝缘层削去,然后将线芯斜错排列在带线上,用绑线缠绕绑扎牢固,使绑扎接头处形成一个平滑的锥体过渡部位,便于穿线。(六)管内穿线1、当管路较长或转弯较多时,要在穿线的同时向管内吹入适当的滑石粉。2、两人穿线时,一拉一送,配合协调。3、穿线时应注意下列问题:(1)不同回路、不同电压和交流与直流的导线,不得穿人同一根管子内,但下列几种情况或设计有特殊规定的除外:①电压为50Ⅴ及以下的回路;②同一台设备的电机回路和无抗千扰要求的控制回路;③照明花灯的所有回路;④同类照明的几个回路,可穿于同一根管内,但管内导线总数不应多于8根。(2)同一交流回路的导线必须穿于同一钢管内。(3)导线在管内不得有接头和扭结,其接头应在接线盒内连接。(4)管内...

1、当您付费下载文档后,您只拥有了使用权限,并不意味着购买了版权,文档只能用于自身使用,不得用于其他商业用途(如 [转卖]进行直接盈利或[编辑后售卖]进行间接盈利)。
2、本站所有内容均由合作方或网友上传,本站不对文档的完整性、权威性及其观点立场正确性做任何保证或承诺!文档内容仅供研究参考,付费前请自行鉴别。
3、如文档内容存在违规,或者侵犯商业秘密、侵犯著作权等,请点击“违规举报”。

碎片内容

室内穿线施工方案概览

确认删除?
VIP
微信客服
  • 扫码咨询
会员Q群
  • 会员专属群点击这里加入QQ群
客服邮箱
回到顶部