电脑桌面
添加小米粒文库到电脑桌面
安装后可以在桌面快捷访问

山东师资培训烟花爆竹考试试卷VIP免费

山东师资培训烟花爆竹考试试卷_第1页
1/7
山东师资培训烟花爆竹考试试卷_第2页
2/7
山东师资培训烟花爆竹考试试卷_第3页
3/7
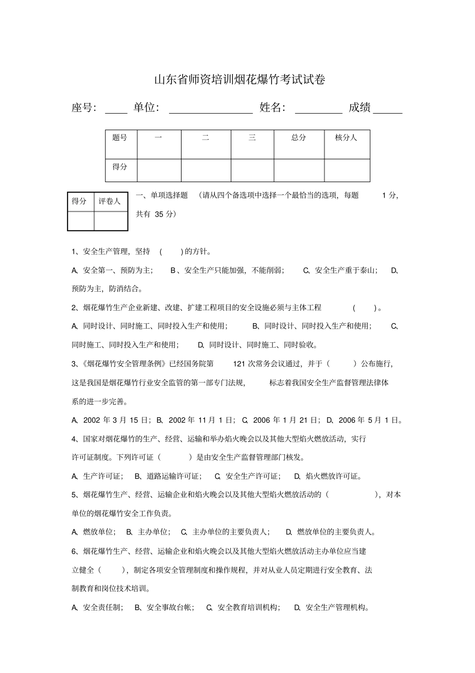
山东省师资培训烟花爆竹考试试卷座号:单位:姓名:成绩一、单项选择题(请从四个备选项中选择一个最恰当的选项,每题1分,共有35分)1、安全生产管理,坚持()的方针。A、安全第一、预防为主;B、安全生产只能加强,不能削弱;C、安全生产重于泰山;D、预防为主,防消结合。2、烟花爆竹生产企业新建、改建、扩建工程项目的安全设施必须与主体工程()。A、同时设计、同时施工、同时投入生产和使用;B、同时设计、同时投入生产和使用;C、同时施工、同时投入生产和使用;D、同时设计、同时施工、同时验收。3、《烟花爆竹安全管理条例》已经国务院第121次常务会议通过,并于()公布施行,这是我国是烟花爆竹行业安全监管的第一部专门法规,标志着我国安全生产监督管理法律体系的进一步完善。A、2002年3月15日;B、2002年11月1日;C、2006年1月21日;D、2006年5月1日。4、国家对烟花爆竹的生产、经营、运输和举办焰火晚会以及其他大型焰火燃放活动,实行许可证制度。下列许可证()是由安全生产监督管理部门核发。A、生产许可证;B、道路运输许可证;C、安全生产许可证;D、焰火燃放许可证。5、烟花爆竹生产、经营、运输企业和焰火晚会以及其他大型焰火燃放活动的(),对本单位的烟花爆竹安全工作负责。A、燃放单位;B、主办单位;C、主办单位的主要负责人;D、燃放单位的主要负责人。6、烟花爆竹生产、经营、运输企业和焰火晚会以及其他大型焰火燃放活动主办单位应当建立健全(),制定各项安全管理制度和操作规程,并对从业人员定期进行安全教育、法制教育和岗位技术培训。A、安全责任制;B、安全事故台帐;C、安全教育培训机构;D、安全生产管理机构。题号一二三总分核分人得分得分评卷人7、下列哪项法规、标准未涉及烟花爆竹产品和包装标识的规定?()A、《中华人民共和国产品质量法》;B、《产品标识标注规定》;C、《烟花爆竹安全与质量》;D、《烟花爆竹劳动安全技术规程》。8、生产烟花爆竹的企业,应当在投入生产前向所在地()提出安全审查申请,并提交能够证明符合《烟花爆竹管理条例》规定条件的有关材料。A、乡镇安监部门;B、县级安监部门;C、省级安监部门;D、设区的市级安监部门。9、生产烟花爆竹的企业,应当对生产作业人员进行安全生产知识教育,对从事、造粒、筛选、装药、筑药、压药、切引、搬运等危险工序的作业人员进行专业技术培训。从事危险工序的作业人员经()考核合格,方可上岗作业。A、县级劳动部门;B、本单位;C、市级安监部门;D、县级安监部门。10、下列烟花爆竹()生产工序属于危险工序:A、烟火药的称原料;B、成品装箱;C、搬运;D、卷筒。11、生产烟花爆竹使用的原料,应当符合国家标准的规定。这里说的标准主要是指()。A、GB10631《烟花爆竹安全与质量》;B、GB10632《烟花爆竹原料质量》;C、GB10632《烟花爆竹质量安全》;D、GB10631《烟花爆竹质量安全》。12、生产烟花爆竹的企业,应当按照国家标准的规定,在烟花爆竹产品上标注(),并在烟花爆竹包装物上印制易燃易爆危险物品警示标志。A、轻拿轻放;B、燃放说明;C、执行标准代号;D、体积。13、生产烟花爆竹的企业,应当对黑火药、烟火药、引火线建立购买、领用、销售登记制度,防止黑火药、烟火药、引火线丢失。黑火药、烟火药、引火线丢失的,企业应当立即向当地()报告。A、公安部门;B、安监部门;C、安监部门和公安部门;D、派出所。14、从事烟花爆竹批发的企业和零售经营者的经营布点,应当经()审批。A、公安部门;B、工商部门;C、安全生产监督管理部门;D、规划部门。15、《烟花爆竹经营(零售)许可证》,应当载明经营负责人、经营场所地址、经营期限、烟花爆竹种类和()。A、规格;B、数量;C、限制存放量;D、级别。16、烟花爆竹的批发企业、零售经营者,持烟花爆竹经营许可证到()办理登记手续后,方可从事烟花爆竹经营活动。A、安监部门;B、工商行政部门;C、公安部门;D、主管部门。17、某高校今年举行百年庆典,为增强庆典热闹氛围,单位领导决定燃放焰花,下列()烟花该单位不得自行购买和燃放。A、礼花弹;B、内筒达40mm的组合烟花;...

1、当您付费下载文档后,您只拥有了使用权限,并不意味着购买了版权,文档只能用于自身使用,不得用于其他商业用途(如 [转卖]进行直接盈利或[编辑后售卖]进行间接盈利)。
2、本站所有内容均由合作方或网友上传,本站不对文档的完整性、权威性及其观点立场正确性做任何保证或承诺!文档内容仅供研究参考,付费前请自行鉴别。
3、如文档内容存在违规,或者侵犯商业秘密、侵犯著作权等,请点击“违规举报”。

碎片内容

山东师资培训烟花爆竹考试试卷

您可能关注的文档

确认删除?
VIP
微信客服
  • 扫码咨询
会员Q群
  • 会员专属群点击这里加入QQ群
客服邮箱
回到顶部