电脑桌面
添加小米粒文库到电脑桌面
安装后可以在桌面快捷访问

工程热力学课后思考题答案--第四版-沈维道-童钧耕VIP免费

工程热力学课后思考题答案--第四版-沈维道-童钧耕_第1页
1/23
工程热力学课后思考题答案--第四版-沈维道-童钧耕_第2页
2/23
工程热力学课后思考题答案--第四版-沈维道-童钧耕_第3页
3/23
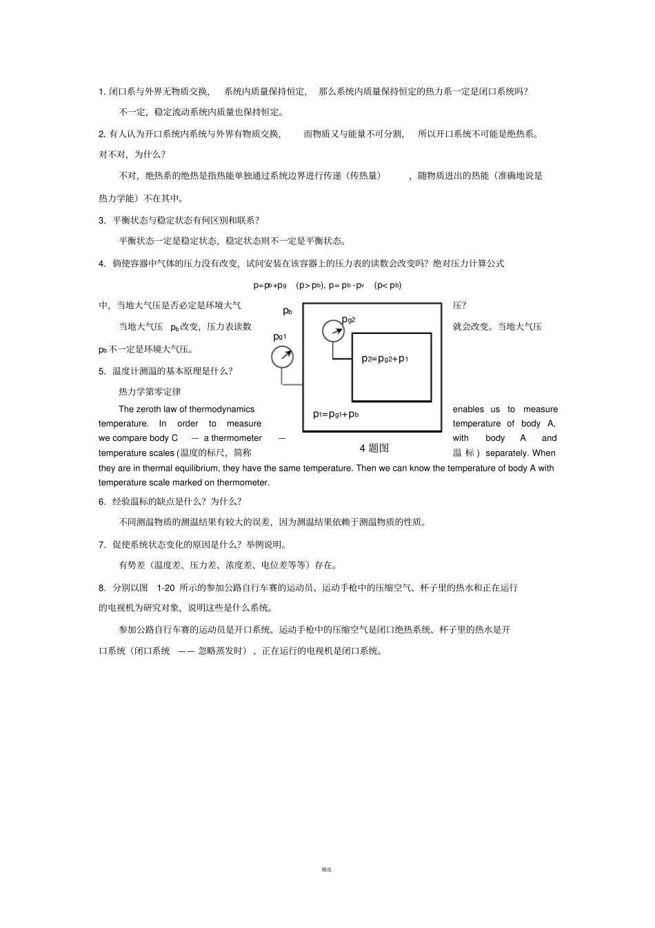
精选1.闭口系与外界无物质交换,系统内质量保持恒定,那么系统内质量保持恒定的热力系一定是闭口系统吗?不一定,稳定流动系统内质量也保持恒定。2.有人认为开口系统内系统与外界有物质交换,而物质又与能量不可分割,所以开口系统不可能是绝热系。对不对,为什么?不对,绝热系的绝热是指热能单独通过系统边界进行传递(传热量),随物质进出的热能(准确地说是热力学能)不在其中。3.平衡状态与稳定状态有何区别和联系?平衡状态一定是稳定状态,稳定状态则不一定是平衡状态。4.倘使容器中气体的压力没有改变,试问安装在该容器上的压力表的读数会改变吗?绝对压力计算公式p=pb+pg(p>pb),p=pb-pv(p

1、当您付费下载文档后,您只拥有了使用权限,并不意味着购买了版权,文档只能用于自身使用,不得用于其他商业用途(如 [转卖]进行直接盈利或[编辑后售卖]进行间接盈利)。
2、本站所有内容均由合作方或网友上传,本站不对文档的完整性、权威性及其观点立场正确性做任何保证或承诺!文档内容仅供研究参考,付费前请自行鉴别。
3、如文档内容存在违规,或者侵犯商业秘密、侵犯著作权等,请点击“违规举报”。

碎片内容

工程热力学课后思考题答案--第四版-沈维道-童钧耕

您可能关注的文档

文库当当响+ 关注
实名认证
内容提供者

该用户很懒,什么也没介绍

确认删除?
微信客服
  • 扫码咨询
会员Q群
  • 会员专属群点击这里加入QQ群