电脑桌面
添加小米粒文库到电脑桌面
安装后可以在桌面快捷访问

工程竣工验收报告范例VIP免费

工程竣工验收报告范例_第1页
1/22
工程竣工验收报告范例_第2页
2/22
工程竣工验收报告范例_第3页
3/22
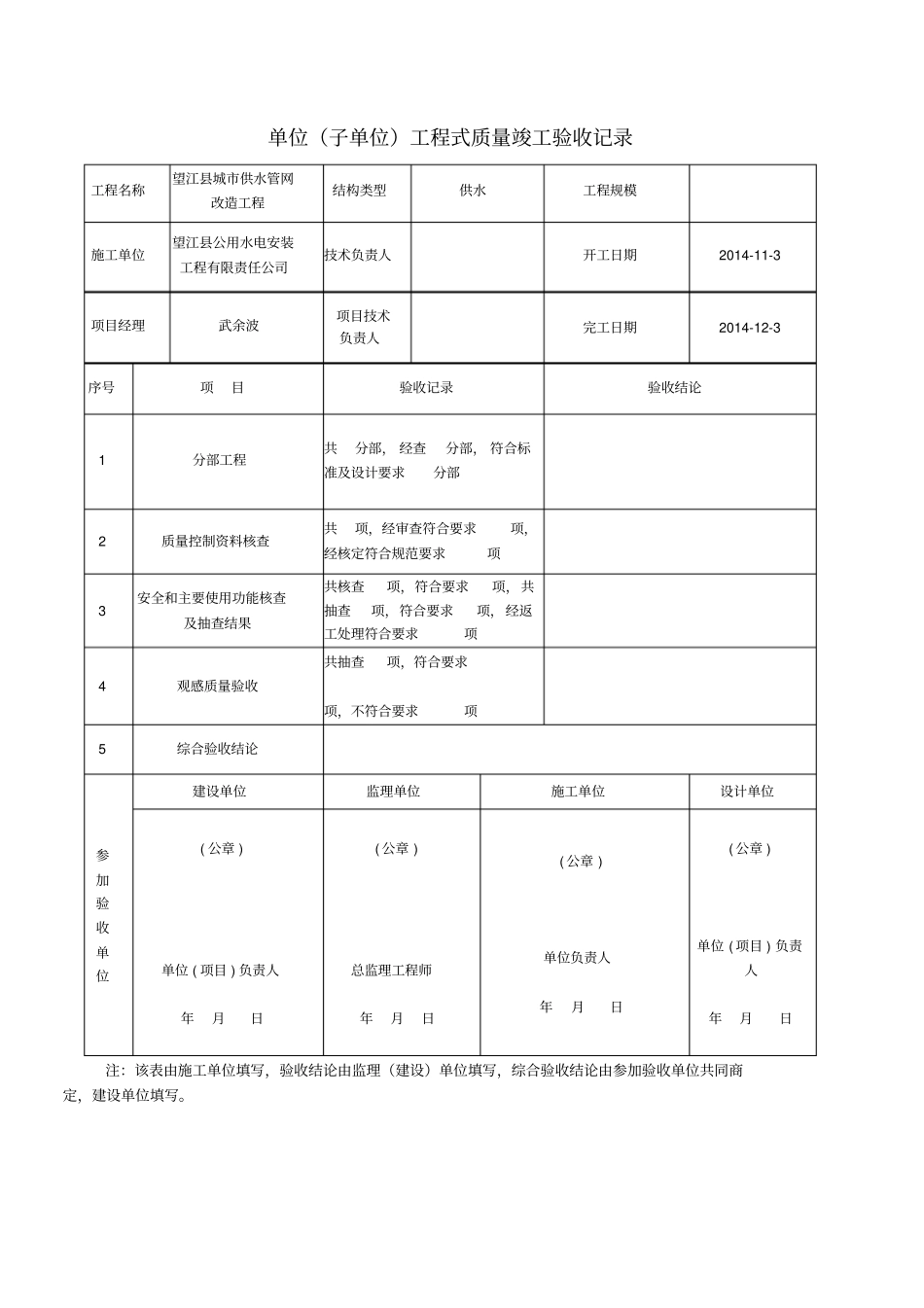
编号:工程竣工验收报告工程名称:_莲花社区供水管网工程_竣工日期:2014年12月3日验收组织单位(章)______________安徽省建设厅印制房屋建筑工程和市政基础设施工程概况一览表工程名称莲花社区供水管网工程工程地点莲花社区六个村民组工程规划许可证号工程施工许可证号质量监督注册号工程用途城市供水设计能力50年造价131.85万元工程主要内容工程设计及施工合同约定的各项内容开工日期2014年11月3日竣工日期2014年12月3日建设单位望江县城市建设投资发展有限公司法定代表人单位地址望江县加洲街项目负责人勘察单位资质等级项目负责人设计单位中国市政工程中南设计研究院资质等级甲级项目负责人吴健施工总包单位望江县公用水电安装工程有限责任公司资质等级三法定代表人郑邦和项目经理武余波分包单位资质等级分包单位资质等级分包单位资质等级监理单位望江县时达建设监理有限公司资质等级丙级总监理工程师周贤良岗位证书号工程质量监督机构望江县建设工程质量监督站注:本表由建设单位填写单位(子单位)工程式质量竣工验收记录工程名称望江县城市供水管网改造工程结构类型供水工程规模施工单位望江县公用水电安装工程有限责任公司技术负责人开工日期2014-11-3项目经理武余波项目技术负责人完工日期2014-12-3序号项目验收记录验收结论1分部工程共分部,经查分部,符合标准及设计要求分部2质量控制资料核查共项,经审查符合要求项,经核定符合规范要求项3安全和主要使用功能核查及抽查结果共核查项,符合要求项,共抽查项,符合要求项,经返工处理符合要求项4观感质量验收共抽查项,符合要求项,不符合要求项5综合验收结论参加验收单位建设单位监理单位施工单位设计单位(公章)单位(项目)负责人年月日(公章)总监理工程师年月日(公章)单位负责人年月日(公章)单位(项目)负责人年月日注:该表由施工单位填写,验收结论由监理(建设)单位填写,综合验收结论由参加验收单位共同商定,建设单位填写。工程竣工验收意见本工程建设过程中严格遵守法律法规,建设单位按建设有关程序规范操作,设计单位根据建设单位意见进行了科学、合理的设计,满足工程需要,施工单位严格按施工规范及强制性条文组织施工,认真履行了施工合同约定的各项施工任务,各分部分项工程验收符合国家验收标准,主体结构稳定,外观质量较好,监理单位严格按监理合同约定及监理规范细则进行了全过程的监督管理,确保了工程施工质量,各方责任主体相互配合,确保了本工程的设计功能、指标的实现,没有出现任何质量问题及施工安全问题。整个工程资料齐全,具备竣工验收条件,同意验收。验收组组长(签名):注:建设单位根据验收组织意见填写包括设计功能、指标实现情况;建设单位守法情况;对工程勘察、设计、施工、监理等方面的简单评价;工程质量等级(要说明各分部工程质量等级及验收标准);难以弥补的质量缺陷记录(不得影响安全使用)。验收组成员名单姓名验收组职务工作单位职务、职称本人签名专业管理部门验收意见单位验收意见公安消防部门年月日规划部门年月日环保部门年月日城建档案管理机构年月日监督验收意见:工程质量监督站(公章)年月日注:验收意见由专业管理部门明确同意不同意通过验收,并加盖单位公章,或者由建设单位记录专业管理部门认可文件(或不需要认可的依据)并加盖建设单位公章;监督验收意见由质量监督局对验收组织形式、程序、各方提供的相关资料和工程实体质量提出的意见,但不做肯定性结论。附件一:工程竣工报告工程名称莲花社区供水管网工程结构类型供水建筑面积高度/跨度m/m工程造价131.85万元层数(地上/地下)/开工日期2014-11-3完工日期2014-12-3工程竣工情况说明:该工程自开工以来,公司组建了以武余波同志为项目经理的工程项目部,并按规定配备了专职安全员、质检员,对工程质量、安全进行检查,并就工程特点制定了一系列规章制度,对工程质量、安全进度等进行了组织设计,随时跟踪并进行纠编,该工程未发现管道渗漏现象。各分部分项工程经各相关单位验收均合格,相关质保资料齐全,真实有效,各功能检测符合规范及设计要求。施工现场已清理干净,经我公司自检符合施工技术...

1、当您付费下载文档后,您只拥有了使用权限,并不意味着购买了版权,文档只能用于自身使用,不得用于其他商业用途(如 [转卖]进行直接盈利或[编辑后售卖]进行间接盈利)。
2、本站所有内容均由合作方或网友上传,本站不对文档的完整性、权威性及其观点立场正确性做任何保证或承诺!文档内容仅供研究参考,付费前请自行鉴别。
3、如文档内容存在违规,或者侵犯商业秘密、侵犯著作权等,请点击“违规举报”。

碎片内容

工程竣工验收报告范例

确认删除?
VIP
微信客服
  • 扫码咨询
会员Q群
  • 会员专属群点击这里加入QQ群
客服邮箱
回到顶部