电脑桌面
添加小米粒文库到电脑桌面
安装后可以在桌面快捷访问

工艺配管布置VIP免费

工艺配管布置_第1页
1/25
工艺配管布置_第2页
2/25
工艺配管布置_第3页
3/25
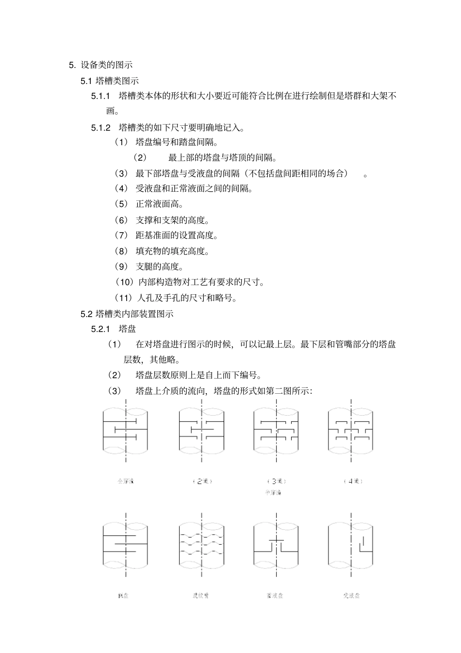
工艺及公用工程详细作业系统图绘制要领(JGC)目录1.适用范围2.用纸3.线条4.文字5.设备类的图示6.配管系的表示7.仪表的表示8.其他表示9.制图要领10.公用工程系统图1.适用范围:1.1该要领适用于工艺及公用工程详细作业系统图的制图。1.2工艺系统的范围是构成其装置主体的通过工艺流体的系统。1.3公用工程系统的范围是流通用于工艺操作的辅助系统,一般如下:(1)蒸汽(5)惰性气(2)冷凝水(6)燃料气(3)水(7)燃料油(4)空气(8)火炬排放废液与废气2.用纸其用纸原则上采用日挥的规格[P&I图图面用纸(B版)](形式1801A)。但是在特殊场合也使用日挥规格[P&I图图面用纸](形式1772A),可以使用任意长度。3.线条用于制图的线条以第1表为基准第1表制图项目线的种类线的粗细设备、仪表及尺寸线细实线0.1~0.2mm工艺配管粗实线0.5~0.8在其他系统图中表示的配管中粗实线0.2~0.3增设预定配管虚线0.3~0.4撤去配管点划线0.3~0.4既设配管假象线0.3~0.4仪表控制信号线细点划线0.1~0.24.文字4.1文字取如下四种文字:阿拉伯数字,字母,汉字,假名文字。4.2字母原则上使用记号以外的大字型。4.3假名文字原则上片假名用于固定名词,平假名用于说明文字。4.4数字、字母取75O的倾斜体,长宽之比为2:1。4.5汉字、假名取直立体。4.6文字的大小按如下原则取:(1)标题及设备名称4~5mm(2)管线及仪表编号3~4mm(3)记事说明文字等3~4mm5.设备类的图示5.1塔槽类图示5.1.1塔槽类本体的形状和大小要近可能符合比例在进行绘制但是塔群和大架不画。5.1.2塔槽类的如下尺寸要明确地记入。(1)塔盘编号和踏盘间隔。(2)最上部的塔盘与塔顶的间隔。(3)最下部塔盘与受液盘的间隔(不包括盘间距相同的场合)。(4)受液盘和正常液面之间的间隔。(5)正常液面高。(6)支撑和支架的高度。(7)距基准面的设置高度。(8)填充物的填充高度。(9)支腿的高度。(10)内部构造物对工艺有要求的尺寸。(11)人孔及手孔的尺寸和略号。5.2塔槽类内部装置图示5.2.1塔盘(1)在对塔盘进行图示的时候,可以记最上层。最下层和管嘴部分的塔盘层数,其他略。(2)塔盘层数原则上是自上而下编号。(3)塔盘上介质的流向,塔盘的形式如第二图所示:(4)其它如第2图以外的形式,尽可能用接近现状的略图表。5.2.2填充物如第3图那样表示填充高度。尺寸、填充物名(例-3/4B拉西环)5.2.3捕雾器的厚度表示如第四图第4图5.2.4其他内部构造的图示,如第五图,其余以概略图表示。第5图5.3储槽类图示储槽类按第6图进行图示5.4热交换器类的图示5.4.1热交换器的配管原则上按如下各项:(1)壳侧垂直,管侧水平。(2)加热操作的场合向上,冷却的场合向下。(3)管侧的出入口的两侧,要根据单侧的配管的方向是否相碰撞来确定。5.4.2管壳式换热器的图示可以从7-A,7-B选择。第7-A图第7-B图5.4.3其他特殊型式的换热器的图示按第8图的要领处理。第8图注:BFT等翅片管要在名称的后面附上BFT等记号。5.4.4空冷器的表示为第9图表示,风机的数目在位号的后面用数字表示之。仪表关系全部图示,不能图示的用文字表示之。第9图注:驱动机的形式在园图内表示。M:马达5.5泵类、压缩机和送风机的图示5.5.1泵类的图示如图10,按其形式做不同的图示。5.5.2压缩机及送风机类按其型式如第11图进行图示。5.5.3泵、压缩机的驱动机如电机、透平、发动机等的区别如第10图和第11图那样的图示。用圆圈表示驱动机时,M为电动机,T为透平。透平的表示有两种,要注意使用统一。第10图第11图5.6加热炉的图示如加热炉要尽可能按比例如第12图所示第12图6配管系的表示6.1配管交叉部位如第13图那样区别。第13图6.2蒸汽伴热配管、夹套管和保温配管按第14图表示。第14图6.3阀门的表示如下:6.3.1表示记号6.3.2阀门规格表示符号需要表示阀门的特殊规格时,要在记号下面或右面写上第2表的符号。第2表字母符号规格A蒙乃尔合金衬里(润滑脂密封)B蒙乃尔阀CN卡班达-20或不锈钢阀M蒙乃尔合金衬里N针形阀P旋塞阀PTP管线引出旋塞阀S采样阀SS不锈钢T蒙乃尔合金衬里X316不锈钢衬里XX18Cr-8Ni不锈钢衬里Q玻璃衬里R橡胶衬里CR陶瓷阀6.4其它的配管零件按第15图表示第15图7.仪...

1、当您付费下载文档后,您只拥有了使用权限,并不意味着购买了版权,文档只能用于自身使用,不得用于其他商业用途(如 [转卖]进行直接盈利或[编辑后售卖]进行间接盈利)。
2、本站所有内容均由合作方或网友上传,本站不对文档的完整性、权威性及其观点立场正确性做任何保证或承诺!文档内容仅供研究参考,付费前请自行鉴别。
3、如文档内容存在违规,或者侵犯商业秘密、侵犯著作权等,请点击“违规举报”。

碎片内容

工艺配管布置

确认删除?
VIP
微信客服
  • 扫码咨询
会员Q群
  • 会员专属群点击这里加入QQ群
客服邮箱
回到顶部