电脑桌面
添加小米粒文库到电脑桌面
安装后可以在桌面快捷访问

常用贸易术语剖析VIP专享VIP免费

常用贸易术语剖析_第1页
1/10
常用贸易术语剖析_第2页
2/10
常用贸易术语剖析_第3页
3/10
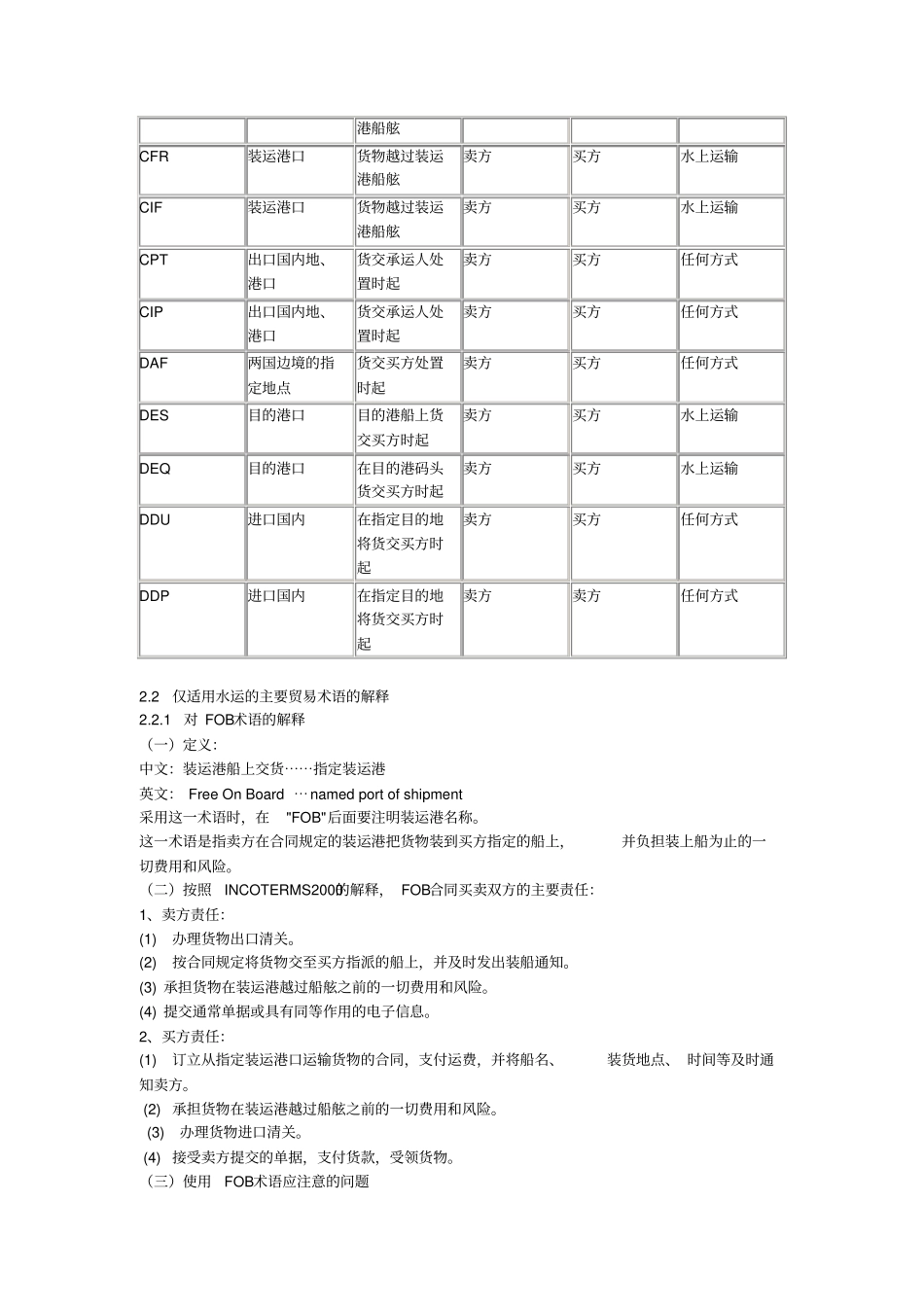
国际贸易术语2.1贸易术语的含义和有关的国际贸易惯例2.1.1贸易术语的概念贸易术语(TradeTerms)又称价格术语(PriceTerms),俗称价格条件,是指用一个简短的概念或英文缩写来表示商品的价格构成,说明买卖双方在交接货物过程中各自承担的责任、风险、费用的划分问题。2.1.2贸易术语的作用(一)用来确定交货条件1、风险的划分界线2、责任的分担3、费用的负担(二)表示商品的价格构成因素(三)规范、简化手续,缩短洽商时间,从而节约费用开支(四)影响国际货物买卖合同的性质2.1.3国际贸易惯例(一)定义由国际组织将在国际贸易业务中反复实践的习惯做法,加以编纂与解释所形成的非强制性文件。(二)国际贸易惯例的性质1、惯例本身不是法律,对当事人不具有强制性或法律约束力。2、惯例的采纳与适用以当事人的意思自治为基础3、惯例对国际贸易实践具有指导作用(三)在国际上有较大影响的有关贸易术语的国际惯例:1、《1932年华沙--牛津规则》(Warsaw一OxfordRu1es1932)该规则只对CIF作了解释,但其解释有一定的代表性。2、《1941年美国对外贸易定义修正本》(RevisedAmericanforeignTradeDefinitions1941)(1)该定义对ExPointofOrigin,FOB.FAS.C&F.ExDock等六种贸易术语进行了解释。(2)对FOB合同有与《2000年国际贸易术语解释通则》解释不同的地方。(3)主要在美洲地区采用。3、《2000年国际贸易术语解释通则》(1)该通则由国际商会制订,曾多次进行过修订和补充。(2)是使用最广、影响最大的有关贸易术语的国际惯例。(3)2000年修订通则的主要内容。贸易术语交货地点风险转移界限出口报关责任、费用负担进口报关责任、费用负担适用的运输方式EXW商品产地、所在地货交买方买方买方任何方式FCA出口国内地、港口货交承运人卖方买方任何方式FAS装运港口货交船边后卖方买方水上运输FOB装运港口货物越过装运卖方买方水上运输港船舷CFR装运港口货物越过装运港船舷卖方买方水上运输CIF装运港口货物越过装运港船舷卖方买方水上运输CPT出口国内地、港口货交承运人处置时起卖方买方任何方式CIP出口国内地、港口货交承运人处置时起卖方买方任何方式DAF两国边境的指定地点货交买方处置时起卖方买方任何方式DES目的港口目的港船上货交买方时起卖方买方水上运输DEQ目的港口在目的港码头货交买方时起卖方买方水上运输DDU进口国内在指定目的地将货交买方时起卖方买方任何方式DDP进口国内在指定目的地将货交买方时起卖方卖方任何方式2.2仅适用水运的主要贸易术语的解释2.2.1对FOB术语的解释(一)定义:中文:装运港船上交货⋯⋯指定装运港英文:FreeOnBoard⋯namedportofshipment采用这一术语时,在"FOB"后面要注明装运港名称。这一术语是指卖方在合同规定的装运港把货物装到买方指定的船上,并负担装上船为止的一切费用和风险。(二)按照INCOTERMS2000的解释,FOB合同买卖双方的主要责任:1、卖方责任:(1)办理货物出口清关。(2)按合同规定将货物交至买方指派的船上,并及时发出装船通知。(3)承担货物在装运港越过船舷之前的一切费用和风险。(4)提交通常单据或具有同等作用的电子信息。2、买方责任:(1)订立从指定装运港口运输货物的合同,支付运费,并将船名、装货地点、时间等及时通知卖方。(2)承担货物在装运港越过船舷之前的一切费用和风险。(3)办理货物进口清关。(4)接受卖方提交的单据,支付货款,受领货物。(三)使用FOB术语应注意的问题1、FOB的变形:明确装船费用由谁负担。(1)FOBLinerTerms班轮条件买方负担(2)FOBUndertackle钓钩下交货卖方:将货物交到买方指派船只的钓钩所及之处买方:吊货入舱并负担其他费用(3)FOBStowed包括理舱费卖方承担包含理舱费在内的装船费用(4)FOBTrimmed包括平舱费卖方承担包含平舱费在内的装船费用(5)FOBST(StowedTrimmed)包括理舱费和平舱费卖方承担包含理舱费和平舱费在内的装船费用2、船货衔接(1)慎重规定装运期和装运港。(2)签约后,有关备货和派船事宜双方应加强联系,密切配合。3、卖方应及时发出装船通知:(1)便于买方及时投保(2)便于买方准备接货4、《1941年美国对外贸易定义修订本》对FOB的不同解释:(1)定...

1、当您付费下载文档后,您只拥有了使用权限,并不意味着购买了版权,文档只能用于自身使用,不得用于其他商业用途(如 [转卖]进行直接盈利或[编辑后售卖]进行间接盈利)。
2、本站所有内容均由合作方或网友上传,本站不对文档的完整性、权威性及其观点立场正确性做任何保证或承诺!文档内容仅供研究参考,付费前请自行鉴别。
3、如文档内容存在违规,或者侵犯商业秘密、侵犯著作权等,请点击“违规举报”。

碎片内容

常用贸易术语剖析

文库响当当+ 关注
实名认证
内容提供者

该用户很懒,什么也没介绍

确认删除?
VIP
微信客服
  • 扫码咨询
会员Q群
  • 会员专属群点击这里加入QQ群
客服邮箱
回到顶部