电脑桌面
添加小米粒文库到电脑桌面
安装后可以在桌面快捷访问

建筑安装施工质量控制点一览表VIP免费

建筑安装施工质量控制点一览表_第1页
1/20
建筑安装施工质量控制点一览表_第2页
2/20
建筑安装施工质量控制点一览表_第3页
3/20
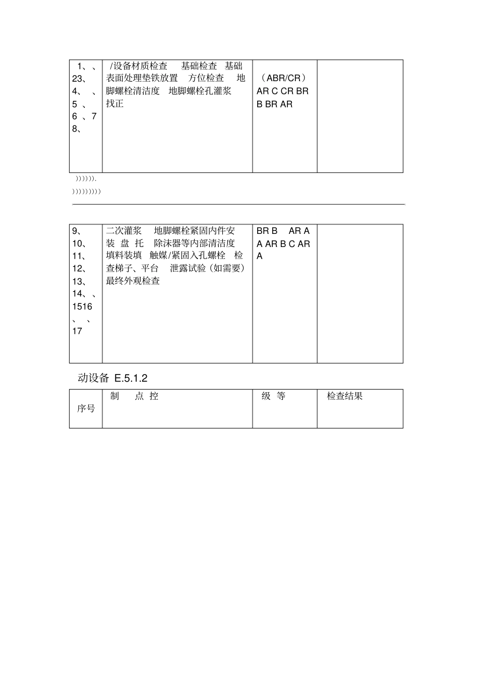
)))))))))质量控制点一览表E.5质量控制点等级“A”,“B”,“C”,“AR”,“BR”,“CR”的定义如下:“A”—应由业主见证确认后,才能进行下一道工序。“AR”—应备有施工纪录文件并由业主专业工程师确认后,才能进行下一道工序。“B”—应由承包者质检人员见证确认后,才能进行下一道工序。“BR”—应备有施工记录文件并由承包者质检人员签认后,才能进行下一道工序。“C”—应由分包者之间人员见证确认后,才能进行下一道工序。“CR”—应备有施工记录文件并由分包者质检人员签认后,才能进行下一道工序。E.5.1安装工程E.5.1.1静设备包括:塔、容器、反应器、再生器、热交换器。序号控制点等级检查结果1、、23、4、、5、6、78、/设备材质检查基础检查基础表面处理垫铁放置方位检查地脚螺栓清洁度地脚螺栓孔灌浆找正(ABR/CR)ARCCRBRBBRAR)))))).)))))))))9、10、11、12、13、14、、1516、、17二次灌浆地脚螺栓紧固内件安装盘托除沫器等内部清洁度填料装填触媒/紧固入孔螺栓检查梯子、平台泄露试验(如需要)最终外观检查BRBARAAARBCARA动设备E.5.1.2序号制点控级等检查结果1、、23、4、5、6、7、、89、、1011、、1213、、14、15、1617、、18/设备材质检查基础检查基础表面处理垫铁放置底座找正地脚螺栓清洁度地脚螺栓孔灌浆二次灌浆地脚螺栓紧固联轴节对中管前配配管后内部清洁度(如需要)辅助件安装最终外观检查盘车油洗、吹扫驱动装置转向检查联轴节最终对中试车)(ABR/CRARCBRARBBRBRBBRBRACABARBRARAR工业炉E.5.1.3包括:工业炉、加热器、蒸汽锅炉。)))))).)))))))))序号制点控等级检查结果1、、23、4、5、6、7、、89、10、、1112、、1314、、15、1617、18、、1920、、2122、、23设备/材质检查基础检查主结构找正(垂直度、标高)主墙方度(跨距、对角线)结构焊接/墙板螺栓/管、盘管、输气管对中顶部弹簧吊架调校焊接工艺规程/焊接工艺评定焊工考试受压部分焊接检查着色、磁探射线外观焊后热处理(如需要)水压试验/渗漏试验/气溶性试验燃烧器辅助件焊接筑炉清理表面准备/焊放筑炉锚钉膨胀节筑炉筑炉外观检查内部清洁度烟囱找正(中心线、垂直度)最终外观检查化学清洗烘炉触媒装填A(BR/CR)ARBRBRCBBARA/BRBRBRCBRARCBBBAABRAARARAR拼装罐(现场组对设备)E.5.1.4序号控制点等级检查结果1、、23、、45、、6焊接工艺规程/焊接工艺评定焊工考试材质检查基础检查焊缝外观检查无损检测着色、磁探射线ARA/BRA(BR/CR)ARCBRBR)))))).)))))))))7、、89、10、11、12、13、14、、1516、、1718、19、20、、21、22真空试验(底板)方位(管口、入孔)垂直度检查标高检查椭圆度检查尺寸检查焊后热处理(如需要)水压试验渗漏试验产品试板试验(如需要)附件安装衬里和涂层检查(内部)内部清洁度紧固入孔螺栓检查平台和梯子最终外观检查A/BRBRBRBRBRBRBRARARARCAABCA冷却器E.5.1.5序号制点控级等检查结果、12、、34、、56、、7、8、9、10、1112、设备/材质检查/标高基础水平放置地脚螺栓/垂直度主钢结构水平紧固螺栓驱动装置对中扇套和翼轮的间隙辅助件安装检查平台和梯子驱动机转向检查最终外观检查试车)A(BR/CRACCBARBRCCBRAAR输送带、装卸船机、桥式刮料机、包装机、打包称重机、皮E.5.1.6带秤序号控制点等级检查结果1、、2/设备材质检查结构的水平和中心/基础(ABR/CR)AR)))))).)))))))))3、4、5、6、、78、9、10、、11紧固地脚螺栓/水平/垂直度)设备找正(中心线驱动和尾端拉紧装置检查(输送带)驱动机对中驱动机转向检查最终外观检查试车秤的调校/连锁试验程序试验BARBARBRAARA/BRA/BRE.5.1.7翅片式空气冷却器、风扇、风机序号点制控等级检查结果1、2、、34、5、6、7、、89、、1011、、1213、、1415、设备/材质检查基础检查垫铁放置结构找正(垂直度、标高)管束安装风扇环安装风扇环间隙检查风扇角度驱动装置对中型皮带松紧度检查V紧固螺栓检查平台附件安装最终外观检查驱动机转向检查(方向、电流、温度检查)试车(振动、温度、噪声的检查)BR/CR)A(ARCRBRBRCBRBRARBRBCCABRAR行车、...

1、当您付费下载文档后,您只拥有了使用权限,并不意味着购买了版权,文档只能用于自身使用,不得用于其他商业用途(如 [转卖]进行直接盈利或[编辑后售卖]进行间接盈利)。
2、本站所有内容均由合作方或网友上传,本站不对文档的完整性、权威性及其观点立场正确性做任何保证或承诺!文档内容仅供研究参考,付费前请自行鉴别。
3、如文档内容存在违规,或者侵犯商业秘密、侵犯著作权等,请点击“违规举报”。

碎片内容

建筑安装施工质量控制点一览表

您可能关注的文档

文库当当响+ 关注
实名认证
内容提供者

该用户很懒,什么也没介绍

确认删除?
VIP
微信客服
  • 扫码咨询
会员Q群
  • 会员专属群点击这里加入QQ群
客服邮箱
回到顶部