电脑桌面
添加小米粒文库到电脑桌面
安装后可以在桌面快捷访问

建筑玻璃应用技术规程JGJ112009VIP免费

建筑玻璃应用技术规程JGJ112009_第1页
1/8
建筑玻璃应用技术规程JGJ112009_第2页
2/8
建筑玻璃应用技术规程JGJ112009_第3页
3/8
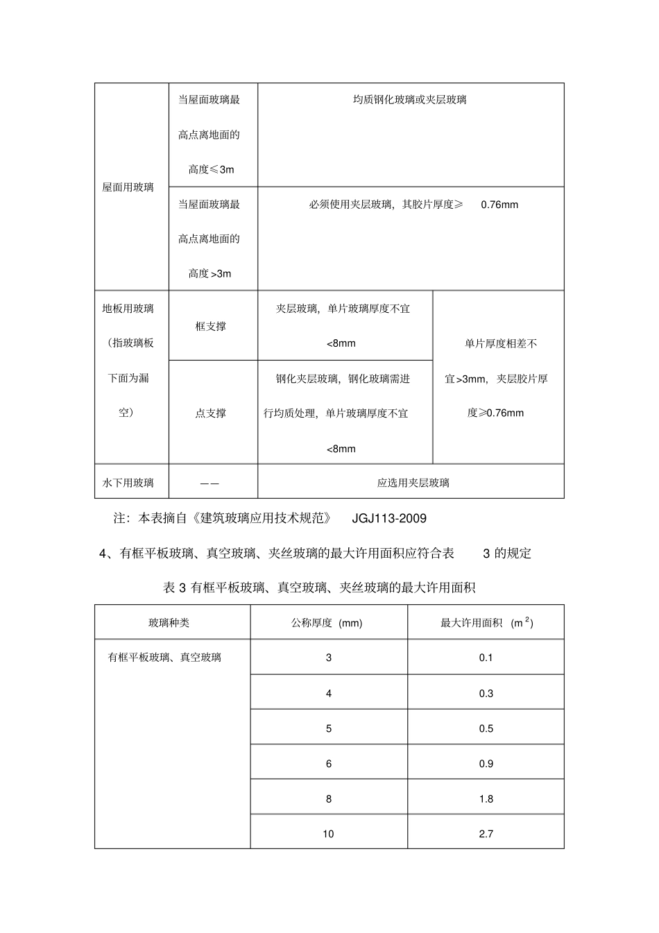
《建筑玻璃应用技术规程》JGJ113-2009及相关规范内容解读2009年7月9日住建部第347号公告批准《建筑玻璃应用技术规程》为行业标准,编号为JGJ113-2009,自2009年12月1日起实施。其中,第,必须严格执行。原《建筑玻璃应用技术规程》JGJ113-2003同时废止。该标准实施半年来,仍有相当多参建单位对规范内容掌握不透,导致工程实施中违反该标准用错玻璃类型及规格的事件反复发生。笔者通过对比JGJ113-2009及JGJ113-2003、四部委联合下发的《建筑安全玻璃管理规定》、江苏省《铝合金门窗工程技术规程》DGJ32/J07-2009、《住宅工程质量通病控制标准》DGJ32/J16-2005等标准,就此次规范调整涉及部分内容解读如下:一、门窗中常用玻璃种类:平板玻璃、中空玻璃、真空玻璃、钢化玻璃、夹层玻璃、夹丝玻璃、着色玻璃、镀膜玻璃、压花玻璃等。二、安全玻璃1、安全玻璃:是指符合现行国家标准的钢化玻璃、夹层玻璃及由钢化玻璃或夹层玻璃组合加工而成的其他玻璃制品,如安全中空玻璃。单片半钢化玻璃(热增强玻璃)、单片夹丝玻璃不属于安全玻璃。2、安全玻璃的最大许用面积应符合表1的规定。表1安全玻璃最大许用面积玻璃总类公称厚度(mm)最大许用面积(m2)钢化玻璃456810122.03.04.06.08.09.0夹层玻璃6.38、6.76、7.528.38、8.76、9.5210.38、10.76、11.523.05.07.012.38、12.76、13.528.0注:本表摘自《建筑玻璃应用技术规范》JGJ113-20093、安全玻璃的选用,见表2表2安全玻璃的选用应用部位应用条件玻璃种类、规格要求活动门、固定门用玻璃落地窗用玻璃有框应符合表1的规定无框应使用公称厚度不小于12mm的钢化玻璃人员集中的公共场所、运动场所中装配室内隔断用玻璃有框应符合表1的规定,且公称厚度不小于5mm的钢化玻璃或公称厚度不小于6.38mm的夹层玻璃无框应符合表1的规定,且公称厚度不小于10mm的钢化玻璃;浴室内无框玻璃隔断应选用公称厚度不小于5mm的钢化玻璃室内栏板用玻璃不承受水平荷载应符合表1的规定,且公称厚度不小于5mm的钢化玻璃或公称厚度不小于6.38mm的夹层玻璃承受水平荷载应符合表1的规定,且公称厚度不小于12mm的钢化玻璃或公称厚度不小于16.78mm的夹层玻璃3m≤栏板玻璃最低点离一侧楼地面高度≤5m应选用公称厚度不小于16.78的钢化夹层玻璃栏板玻璃最低点离一侧楼地面高度>5m不得使用承受水平荷载的栏板玻璃屋面用玻璃当屋面玻璃最高点离地面的高度≤3m均质钢化玻璃或夹层玻璃当屋面玻璃最高点离地面的高度>3m必须使用夹层玻璃,其胶片厚度≥0.76mm地板用玻璃(指玻璃板下面为漏空)框支撑夹层玻璃,单片玻璃厚度不宜<8mm单片厚度相差不宜>3mm,夹层胶片厚度≥0.76mm点支撑钢化夹层玻璃,钢化玻璃需进行均质处理,单片玻璃厚度不宜<8mm水下用玻璃——应选用夹层玻璃注:本表摘自《建筑玻璃应用技术规范》JGJ113-20094、有框平板玻璃、真空玻璃、夹丝玻璃的最大许用面积应符合表3的规定表3有框平板玻璃、真空玻璃、夹丝玻璃的最大许用面积玻璃种类公称厚度(mm)最大许用面积(m2)有框平板玻璃、真空玻璃30.140.350.560.981.8102.7124.5夹丝玻璃60.971.8102.4三、必须使用安全玻璃的情形1、综合国家发改委、建设部、质检总局和工商总局联合发布的《建筑安全玻璃管理规定》(发改运行[2003]2116号)、《建筑玻璃应用技术规程》JGJ113-2009、江苏省《铝合金门窗工程技术规程》DGJ32/J07-2009及《塑料门窗工程技术规程》DGJ32/J62-2008等规范标准的要求,下列部位必须使用安全玻璃:(1)地弹簧门用玻璃及无框玻璃门;(2)有框门玻璃、无框门窗玻璃(无框门窗玻璃公称厚度不小于12mm);(3)7层及7层以上建筑物外开窗;(4)面积大于1.5m2的窗玻璃或玻璃底边离最终装修面小于500mm的落地窗;(5)幕墙(全玻幕除外);(6)倾斜装配窗、各类天棚(含天窗、采光顶)、吊顶;(7)观光电梯及其外围护;(8)室内隔断、浴室围护和屏风;(9)楼梯、阳台、平台走廊的栏板和中庭内栏板;(10)用于承受行人行走的地面板;(11)水族馆和游泳池的观察窗、观察孔;(12)公共建筑物的出入口、门厅等部位;(13)幼儿园或其他儿童活动场所的门;(14)易遭受撞击、冲击而造成人体...

1、当您付费下载文档后,您只拥有了使用权限,并不意味着购买了版权,文档只能用于自身使用,不得用于其他商业用途(如 [转卖]进行直接盈利或[编辑后售卖]进行间接盈利)。
2、本站所有内容均由合作方或网友上传,本站不对文档的完整性、权威性及其观点立场正确性做任何保证或承诺!文档内容仅供研究参考,付费前请自行鉴别。
3、如文档内容存在违规,或者侵犯商业秘密、侵犯著作权等,请点击“违规举报”。

碎片内容

建筑玻璃应用技术规程JGJ112009

您可能关注的文档

确认删除?
VIP
微信客服
  • 扫码咨询
会员Q群
  • 会员专属群点击这里加入QQ群
客服邮箱
回到顶部