电脑桌面
添加小米粒文库到电脑桌面
安装后可以在桌面快捷访问

建筑给排水课程设计VIP免费

建筑给排水课程设计_第1页
1/9
建筑给排水课程设计_第2页
2/9
建筑给排水课程设计_第3页
3/9
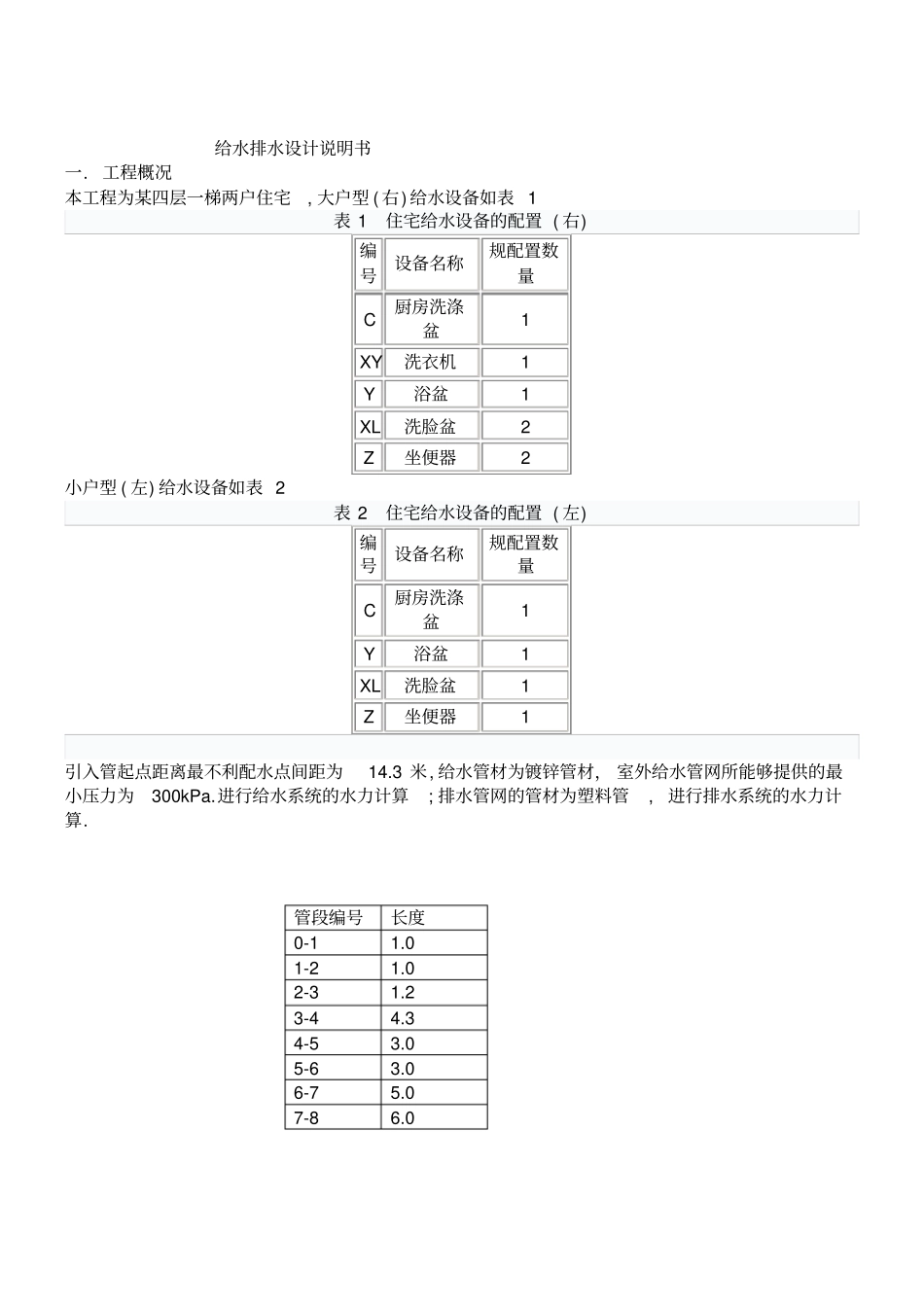
目录一.工程概况二.参考文献三.给排水设计内容四.管材与接口五.管道敷设六.管道和设备保温七.水力计算内容八.给水排水系统图给水排水设计说明书一.工程概况本工程为某四层一梯两户住宅,大户型(右)给水设备如表1表1住宅给水设备的配置(右)编号设备名称规配置数量C厨房洗涤盆1XY洗衣机1Y浴盆1XL洗脸盆2Z坐便器2小户型(左)给水设备如表2表2住宅给水设备的配置(左)编号设备名称规配置数量C厨房洗涤盆1Y浴盆1XL洗脸盆1Z坐便器1引入管起点距离最不利配水点间距为14.3米,给水管材为镀锌管材,室外给水管网所能够提供的最小压力为300kPa.进行给水系统的水力计算;排水管网的管材为塑料管,进行排水系统的水力计算.管段编号长度0-11.01-21.02-31.23-44.34-53.05-63.06-75.07-86.0二.参考文献:1.《建筑给水排水设计规范》GB50015-20032.《建筑设计防火规范》GBJ50016-20063.《05系列建筑标准设计图集》05S1~4、05S7、05S94.《建筑给水排水工程》(教材)5.设单位提供的设计要求和相关资料6.筑和有关专业提供的作用图及其他专业提供的有关资料.765432108CCXYYYXLXLXLZZZ三.设计内容(一)生活给水系统1.市政给水管网供水压力为300KPa,采用直接供水。2.本楼最高日供水量为12600L/d。3.生活给水系统下供上给支状系统。4.每户设一块湿式旋翼式水表,公称直径20mm,总水表设在户外水表井内,公称直径为50mm.。(二)排水系统1.排水系统为污、废、雨水合流制,建筑物室内地坪正负零以上重力自流排水。2.排水立管采用伸顶通气管,顶部设排气帽,排气帽高出坡屋面500mm。四.管材与接口1.生活给水管采用铝塑PPR管,热熔热接。2.生活排水管采用U-PVC排水管,承插粘接。五.管道敷设1.给水引入管及排水出户管在地下室内敷设,其余户内管道见平面及系统图。2.给水穿越楼板时应设套管,其顶部应高于装饰面200mm,安装在卫生间的套管其顶部高出装饰面500mm,底部应与楼板底相平,套管与管道间缝隙应用防燃密实材料和防水油膏填实,端部光滑。3.管道穿越钢筋混凝土墙和楼板、梁时,应根据图中所注管道标高、位置配合土建专业预留孔洞预埋套管,管道穿越地下室外墙水池壁时,应预埋刚性防水套管。4.排水立管检查口中心距地面或楼板面1.0m,立管每层设Ⅰ型伸缩节,横支管无混合管件的,直管段大于2m时,应设Ⅰ型伸缩节,最大间距不大于4m。六.管道和设备保温1.地下室的给水管用10mm橡塑套管防冻保温。2.保温应在试压合格后施工。七.水力计算内容由轴力图确定最不利点为座便器,故计算管路为0、1、2、3、4、5、6、8。该建筑为普通建筑II类,根据表2.3.2取得Uo=2.5。查表2.3.1,找出对应的ac值代入2.3.2。求出同时出流的概率U。查表2.1.1得:座便器N=0.5,浴盆N=1.0,洗衣机N=1.0,厨房洗涤盆N=1.0,算出当量总数N,同时把U和N代入公式2.3.1可求得管段的实际秒流量,查附录2.1可得管径DN和单位长度沿程水头损失i,与公式hy=iL计算出管路沿程水头损失hy,将各段有关数据列入表中。(一)给水部分根据式(1.6.3)计算平均水流概率U0:U0=100*36002.00TNmKqgh%U0平均出流概率;T用时间,取24h;αc最高用水日的用水定额取150L/(人,D);m用水人数,取3.5;Kh变化系数,取2.5;Ng计算管段的卫生面具,给水当量总数。查表1.61找出对应的αc值带入式(1.6.2)U=0.491(1)100%gcgNN计算将值带入式(1.6.1)求取计算管段的设计秒流量gq=0.2UNG。重复上述步骤,求出所有管段的设计秒流量。在流速控制允许范围内,查附录1,查得管径和单位长度沿程水头损失i,由式(1.7.2)hi=iL计算出管路的沿程水头损失Σhi;管段的局部水头损失为沿程水头损失的30%,即Σhj=30%Σhi=0.3x39.47=11.84Kpa:计算管路的水头损失为H2=(hy+hj)=39.47+11.84=51.31Kpa,计算水表的水头损失:因住宅建筑用水量小,总水表及分户水表均选用LXS湿式水表,分户水表和总水表分别安装在3—4和7—8管段上,q3-4=0.465,q7-8=1.22。查附录1.1,选用15mm口径的分户水表,其常用流量2.5立方米/h>q3-4,过载流量为5立方米/h,所以分户水表的水头损失为:Hd=q*g*g/kb=10.97Kpa选32mm口径的总水表,其常用流量为6立方米/h>q7-8,国债流量为12立方米/h,所以总水表的水...

1、当您付费下载文档后,您只拥有了使用权限,并不意味着购买了版权,文档只能用于自身使用,不得用于其他商业用途(如 [转卖]进行直接盈利或[编辑后售卖]进行间接盈利)。
2、本站所有内容均由合作方或网友上传,本站不对文档的完整性、权威性及其观点立场正确性做任何保证或承诺!文档内容仅供研究参考,付费前请自行鉴别。
3、如文档内容存在违规,或者侵犯商业秘密、侵犯著作权等,请点击“违规举报”。

碎片内容

建筑给排水课程设计

您可能关注的文档

确认删除?
VIP
微信客服
  • 扫码咨询
会员Q群
  • 会员专属群点击这里加入QQ群
客服邮箱
回到顶部