电脑桌面
添加小米粒文库到电脑桌面
安装后可以在桌面快捷访问

微机原理与接口技术考试样卷VIP免费

微机原理与接口技术考试样卷_第1页
1/26
微机原理与接口技术考试样卷_第2页
2/26
微机原理与接口技术考试样卷_第3页
3/26
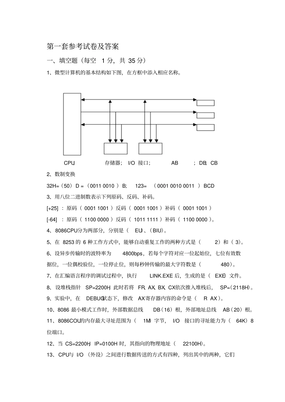
第一套参考试卷及答案一、填空题(每空1分,共35分)1、微型计算机的基本结构如下图,在方框中添入相应名称。CPU;存储器;I/O接口;AB;DB;CB2、数制变换32H=(50)D=(00110010)B;123=(000100100011)BCD3、用八位二进制数表示下列原码、反码、补码。[+25]:原码(00011001)反码(00011001)补码(00011001)[-64]:原码(11000000)反码(10111111)补码(11000000)。4、8086CPU分为两部分,分别是(EU)、(BIU)。5、在8253的6种工作方式中,能够自动重复工作的两种方式是(2)和(3)。6、设异步传输时的波特率为4800bps,若每个字符对应一位起始位,七位有效数据位,一位偶校验位,一位停止位,则每秒钟传输的最大字符数是(480)。7、在汇编语言程序的调试过程中,执行LINK.EXE后,生成的是(EXE)文件。8、设堆栈指针SP=2200H,此时若将FR、AX、BX、CX依次推入堆栈后,SP=(2118H)。9、实验中,在DEBUG状态下,修改AX寄存器内容的命令是(RAX)。10、8086最小模式工作时,外部数据总线DB(16)根,外部地址总线AB(20)根。11、8086COU的内存最大寻址范围为(1M)字节,I/O接口的寻址能力为(64K)8位端口。12、当CS=2200H,IP=0100H时,其指向的物理地址(22100H)。13、CPU与I/O(外设)之间进行数据传送的方式有四种,列出其中的两种,它们1是:(无条件、条件、中断、DMA)。14、CPU与I/O之间传送的信息有三种,它们分别是:(数据)、(状态)、(控制)。15、ADC0809是8路8位的AD转换器,若输入的模拟量电压为0-5V。其中8路的含义是:(8个模拟量输入通道)当模拟量为1.5V时,数字量为(76.5)。二、单项选择题(每题2分,共10分)1、8255工作在方式0时,它没有(C)功能。A)输入缓冲B)输出锁存C)电流放大D)总线隔离2、CPU响应可屏蔽中断请求时,其中断类型码由(D)提供。A)CPU内部B)中断指令C)类型码固定D)可屏蔽中断管理器3、若AL=10101101B,为了使其内容变为01011101B,下列那一种指令执行一次既可完成此操作(D)。A)NOT指令B)OR指令C)AND指令D)XOR指令4、8086由(A)引脚引入非屏蔽中断请求。A)NMIB)CLKC)HOLDD)INTR5、CPU执行OUTDX,AL指令时,(D)的值输出到地址总线上。A)AL寄存器B)AX寄存器C)DL寄存器D)DX寄存器三、阅读程序,回答有关问题(每题10分,共30分)1、TABDB1,2,3,4,5,6ENTRYEQU3MOVBX,OFFSETTABADDBX,ENTRYMOVAX,WORDPTR[BX]程序执行后AX=(0504H)、BX=(TAB+3)。2、MOVAX,0MOVCX,11L1:ADDAX,CXDECCXJNZL1RET程序执行后AX=(66或42H),CF=(0)。3、MOVCX,0LOP:ANDAX,AX2JZSTPSALAX,1JNCLOPINCCXJMPLOPSTP:RET该程序段的功能是(统计AX中“1”的个数,送存CX)。四、设计题(1、2题10分,3题5分,共25分)1、在BUF开始有一个字节型数组,共有1000个元素。编写一个程序将负数传送到BUF1开始的单元。(提示:采用循环结构程序实现。)参考答案:MOVSI,OFFSETBUFMOVDI,OFFSETBUF1MOVCX,1000LOP:MOVAL,[SI]ANDAL,80H;判断方法较多JZNEXTMOVAL,[SI]MOV[DI],ALINCDINEXT:INCSILOOPLOPRET2、电路如图,编写程序实现下列功能:K0闭合,红灯亮;K1闭合,绿灯亮;K2闭合,黄灯亮,其他情况全灭。附:8255A的控制字:3参考答案:MOVAL,10010000B;90HMOVDX,343HOUTDX,ALMOVDX,340HINAL,DXMOVBL,ALANDAL,01HJNZRedMOVAL,BLANDAL,02HJNZGreenMOVAL,BLANDAL,04HJNZYellowMOVDX,341HMOVAL,0FFHOUTDX,AL;关显示DONE:RETRed:MOVDX,341HMOVAL,0FEHOUTDX,AL;红灯亮JMPDONEGreen:MOVDX,341HMOVAL,0FDHOUTDX,AL;绿灯亮JMPDONEYellow:MOVDX,341HMOVAL,0FBHOUTDX,AL;黄灯亮JMPDONE3、下图为DAC08328位D/A转换器与系统的连接图。(1)根据下图说明DAC0832的工作方式。(2)编写一个程序,使输出为可控制斜率的锯齿波。(提示:利用软件延时程序实现斜率控制。DAC0832的端口地址自定)4参考答案:(1)单缓方式(2)设0832的端口地址340HMOVDX,340HMOVAL,0LOP:OUTDX,ALLCALLDELAY;延时子程序,程序中不使用ALINCALJMPLOPDELAY:MOVBX,XXXX;延时子程序可以不编写。DEL1:MOVCX...

1、当您付费下载文档后,您只拥有了使用权限,并不意味着购买了版权,文档只能用于自身使用,不得用于其他商业用途(如 [转卖]进行直接盈利或[编辑后售卖]进行间接盈利)。
2、本站所有内容均由合作方或网友上传,本站不对文档的完整性、权威性及其观点立场正确性做任何保证或承诺!文档内容仅供研究参考,付费前请自行鉴别。
3、如文档内容存在违规,或者侵犯商业秘密、侵犯著作权等,请点击“违规举报”。

碎片内容

微机原理与接口技术考试样卷

确认删除?
VIP
微信客服
  • 扫码咨询
会员Q群
  • 会员专属群点击这里加入QQ群
客服邮箱
回到顶部