电脑桌面
添加小米粒文库到电脑桌面
安装后可以在桌面快捷访问

技术规范专用技术规范—驱鸟器VIP免费

技术规范专用技术规范—驱鸟器_第1页
1/4
技术规范专用技术规范—驱鸟器_第2页
2/4
技术规范专用技术规范—驱鸟器_第3页
3/4
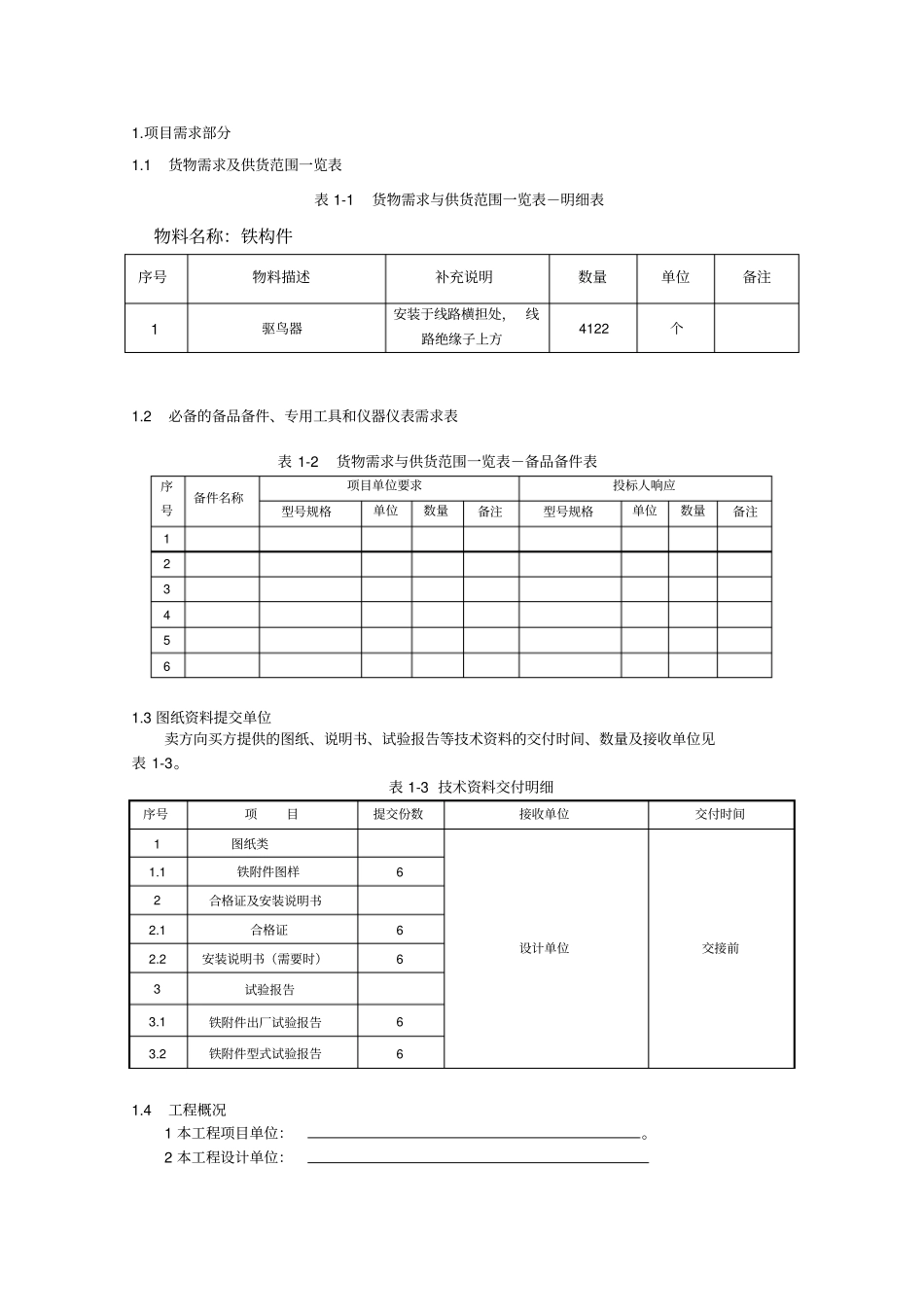
河南省电力公司(2013年第一批超市化采购)铁附件—铁构件招标文件(技术规范专用部分)目录1.项目需求部分...........................................................................................................................................31.1货物需求及供货范围一览表..........................................................................................................31.2必备的备品备件、专用工具和仪器仪表需求表..........................................................................31.3图纸资料提交单位............................................................................................................................31.4工程概况..........................................................................................................................................31.5使用条件...........................................................................................................................................41.6项目单位技术差异表......................................................................................................................42投标人响应部分.......................................................................................................................................42.1投标人应逐项响应通用部分技术规范书中的要求,如有与其技术规范书要求不一致的地方,应逐项在投标人技术偏差表中列出,必要时应提供相应的试验报告。..................................................41.项目需求部分1.1货物需求及供货范围一览表表1-1货物需求与供货范围一览表-明细表物料名称:铁构件序号物料描述补充说明数量单位备注1驱鸟器安装于线路横担处,线路绝缘子上方4122个1.2必备的备品备件、专用工具和仪器仪表需求表表1-2货物需求与供货范围一览表-备品备件表序号备件名称项目单位要求投标人响应型号规格单位数量备注型号规格单位数量备注1234561.3图纸资料提交单位卖方向买方提供的图纸、说明书、试验报告等技术资料的交付时间、数量及接收单位见表1-3。表1-3技术资料交付明细序号项目提交份数接收单位交付时间1图纸类设计单位交接前1.1铁附件图样62合格证及安装说明书2.1合格证62.2安装说明书(需要时)63试验报告3.1铁附件出厂试验报告63.2铁附件型式试验报告61.4工程概况1本工程项目单位:。2本工程设计单位:表1-4工程概况工程名称线路长度(km)最大档距(m)安装地点1.5使用条件表1-5环境条件序号项目内容序号项目内容1海拔高度(m)≤10004覆冰厚度(mm)102环境温度(℃)-20-405最大风速(m/s)403日照(W/cm2)0.11.6项目单位技术差异表项目单位原则上不能改动通用部分技术条款及专用部分固化的参数,根据工程实际情况,使用条件及相关技术参数如有差异,应逐项在技术差异表中列出。表1-6项目单位技术差异表(项目单位填写)序号项目招标人要求值项目单位要求值投标人保证值123序号项目变更条款页码、款号原表述变更后表述1232投标人响应部分2.1投标人应逐项响应通用部分技术规范书中的要求,如有与其技术规范书要求不一致的地方,应逐项在投标人技术偏差表中列出,必要时应提供相应的试验报告。表2投标人技术偏差表序号项目对应条款编号技术规范书要求偏差备注12

1、当您付费下载文档后,您只拥有了使用权限,并不意味着购买了版权,文档只能用于自身使用,不得用于其他商业用途(如 [转卖]进行直接盈利或[编辑后售卖]进行间接盈利)。
2、本站所有内容均由合作方或网友上传,本站不对文档的完整性、权威性及其观点立场正确性做任何保证或承诺!文档内容仅供研究参考,付费前请自行鉴别。
3、如文档内容存在违规,或者侵犯商业秘密、侵犯著作权等,请点击“违规举报”。

碎片内容

技术规范专用技术规范—驱鸟器

您可能关注的文档

爱的疯狂+ 关注
实名认证
内容提供者

该用户很懒,什么也没介绍

相关文档

确认删除?
VIP
微信客服
  • 扫码咨询
会员Q群
  • 会员专属群点击这里加入QQ群
客服邮箱
回到顶部