电脑桌面
添加小米粒文库到电脑桌面
安装后可以在桌面快捷访问

文氏管式蒸汽疏水阀的阀座孔设计研究VIP免费

文氏管式蒸汽疏水阀的阀座孔设计研究_第1页
1/42
文氏管式蒸汽疏水阀的阀座孔设计研究_第2页
2/42
文氏管式蒸汽疏水阀的阀座孔设计研究_第3页
3/42
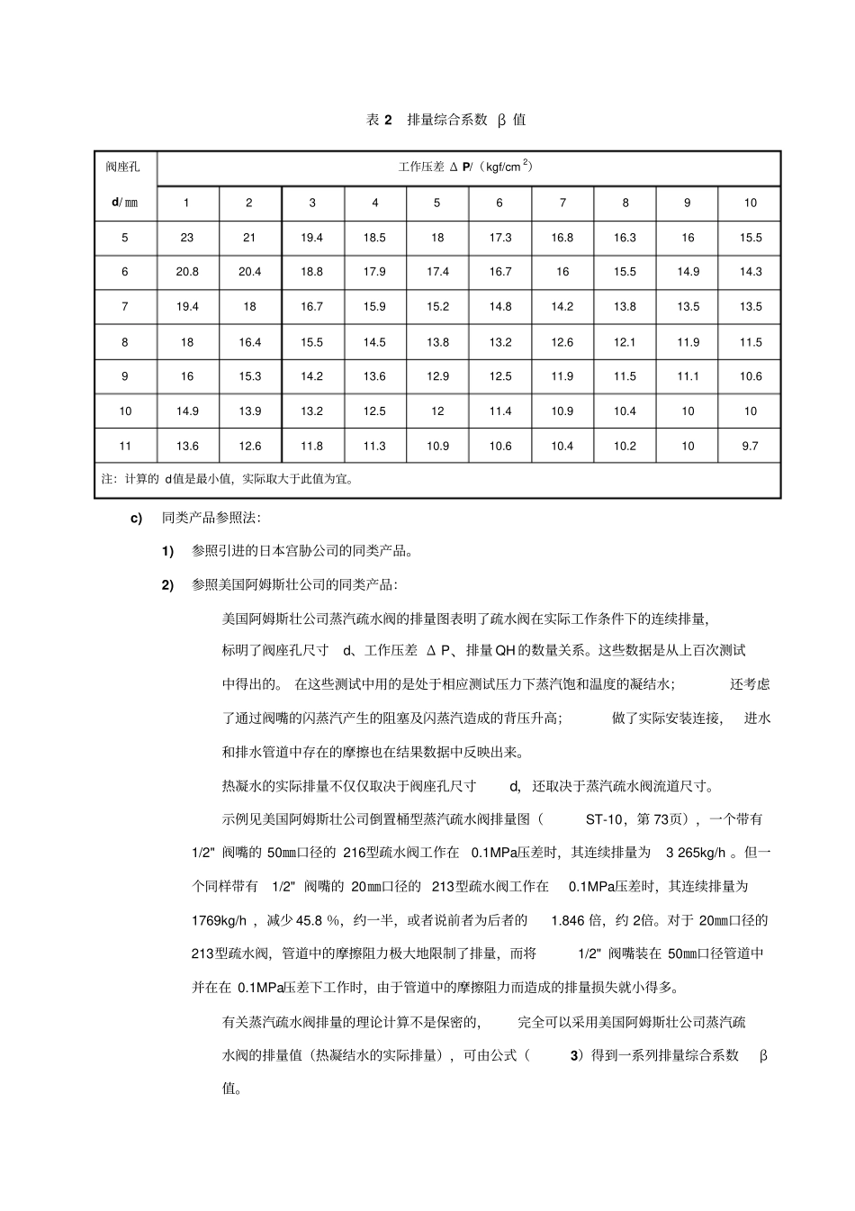
文氏管式蒸汽疏水阀的阀座孔设计研究1设计条件文氏管式蒸汽疏水阀的设计条件为已知用户要求的工艺数据和疏水阀数据,见表1。表1疏水阀设计条件1安装位号√2安装位置√3需要数量√4使用场合加热设备√5蒸汽主管线√6伴热管线√7工艺数据操作流量Kg/hQH(设计生产负荷110%时)8安全系数1.0~1.19连续流量Kg/h(1.0~1.1)QH(设计生产负荷110%~121%)10进囗压力最大MPaPMO11正常MPaPO12最小MPaPMNO13出囗压力最大MPaPMOB14正常MPaPOB15最小MPaPMNOB16压差最大MPaΔPMX17正常MPaΔP18最小MPaΔPMN19操作温度℃TO20设计压力MPa√21设计温度℃√22试验压力MPa√23疏水阀数据类型文氏管孔板式热动力型24型号S9K—d25阀座孔㎜d26规格㎜DN15、DN20、DN25、DN32~DN10027内装过滤器40目~60目28内置止回阀—29结构材料壳体√30内件√31阀芯√32过滤网304或31633连接尺寸/㎜压力等级法兰密封面形式34凝结水进囗√√√35凝结水出囗√√√36安装方式√√√37注1:阀座孔d为企业技术人员按操作流量QH、进囗压力PO、出囗压力POB设计给定。2蒸汽疏水阀排水量数学模型2.1产品交付标准中规定的蒸汽疏水阀排水量数学模型产品交付标准GB/T22654—2008中“4.9.8”条给出了“蒸汽疏水阀排水量数学模型”公式(1):12QHQH,,,,,,,,,,(1)式中:QH1——给定过冷度的热凝结水排量设计给定值或订货合同的规定,单位为kg/h;QH2——交付产品的热凝结水排量,单位为kg/h;即“给定过冷度的热凝结水排量按设计给定值或订货合同的规定。”。2.2新产品设计中的蒸汽疏水阀排水量数学模型2.2.1理论计算法根据疏水阀的试验,蒸汽疏水阀排水量按公式(2)计算:pdQH2,,,,,,,,,,(2)式中:QH——热凝结水排量,单位为kg/h;β——排量综合系数,与孔口形状与大小数值、工作压差ΔP的大小数值、凝结水的温度数值、蒸汽疏水阀流道尺寸数值、通过阀嘴的闪蒸汽产生的阻塞数值及闪蒸汽造成的背压升高数值、进水和排水管道中存在的摩擦阻力数值等有关,排量综合系数随这些数值的增大而减小;d——阀座孔直径,无阀瓣的文氏管式蒸汽疏水阀的阀座孔直径为喷嘴孔直径,有阀瓣的疏水阀的阀座孔直径小于或等于阀瓣行程的4倍,单位为㎜;ΔP——工作压差,等于入口压力与出口压力之差,单位为kgf/cm2。注:1kgf/cm2=0.098067MPa=98.067KPa≈100KPa;1MPa=10.1972kgf/cm2≈10.2kgf/cm2。2.2.2排量综合系数β排量综合系数β确定方法如下:a)根据日本JISB8401—1958蒸汽疏水阀的性能和试验方法推荐,β=16~28。b)根据疏水阀的试验,蒋兴可著《蒸汽疏水阀》列出部分排量综合系数β见表2。表2排量综合系数β值阀座孔d/㎜工作压差ΔP/(kgf/cm2)123456789105232119.418.51817.316.816.31615.5620.820.418.817.917.416.71615.514.914.3719.41816.715.915.214.814.213.813.513.581816.415.514.513.813.212.612.111.911.591615.314.213.612.912.511.911.511.110.61014.913.913.212.51211.410.910.410101113.612.611.811.310.910.610.410.2109.7注:计算的d值是最小值,实际取大于此值为宜。c)同类产品参照法:1)参照引进的日本宫胁公司的同类产品。2)参照美国阿姆斯壮公司的同类产品:美国阿姆斯壮公司蒸汽疏水阀的排量图表明了疏水阀在实际工作条件下的连续排量,标明了阀座孔尺寸d、工作压差ΔP、排量QH的数量关系。这些数据是从上百次测试中得出的。在这些测试中用的是处于相应测试压力下蒸汽饱和温度的凝结水;还考虑了通过阀嘴的闪蒸汽产生的阻塞及闪蒸汽造成的背压升高;做了实际安装连接,进水和排水管道中存在的摩擦也在结果数据中反映出来。热凝水的实际排量不仅仅取决于阀座孔尺寸d,还取决于蒸汽疏水阀流道尺寸。示例见美国阿姆斯壮公司倒置桶型蒸汽疏水阀排量图(ST-10,第73页),一个带有1/2"阀嘴的50㎜口径的216型疏水阀工作在0.1MPa压差时,其连续排量为3265kg/h。但一个同样带有1/2"阀嘴的20㎜口径的213型疏水阀工作在0.1MPa压差时,其连续排量为1769kg/h,减少45.8%,约一半,或者说前者为后者的1.846倍,约2倍。对于20㎜口径的213型疏水阀,管道中的摩擦阻力极大地限制了排量,而将1/2"阀嘴装在50㎜口径管道中并在在0.1...

1、当您付费下载文档后,您只拥有了使用权限,并不意味着购买了版权,文档只能用于自身使用,不得用于其他商业用途(如 [转卖]进行直接盈利或[编辑后售卖]进行间接盈利)。
2、本站所有内容均由合作方或网友上传,本站不对文档的完整性、权威性及其观点立场正确性做任何保证或承诺!文档内容仅供研究参考,付费前请自行鉴别。
3、如文档内容存在违规,或者侵犯商业秘密、侵犯著作权等,请点击“违规举报”。

碎片内容

文氏管式蒸汽疏水阀的阀座孔设计研究

您可能关注的文档

确认删除?
VIP
微信客服
  • 扫码咨询
会员Q群
  • 会员专属群点击这里加入QQ群
客服邮箱
回到顶部