电脑桌面
添加小米粒文库到电脑桌面
安装后可以在桌面快捷访问

物料编码范例VIP免费

物料编码范例_第1页
1/11
物料编码范例_第2页
2/11
物料编码范例_第3页
3/11
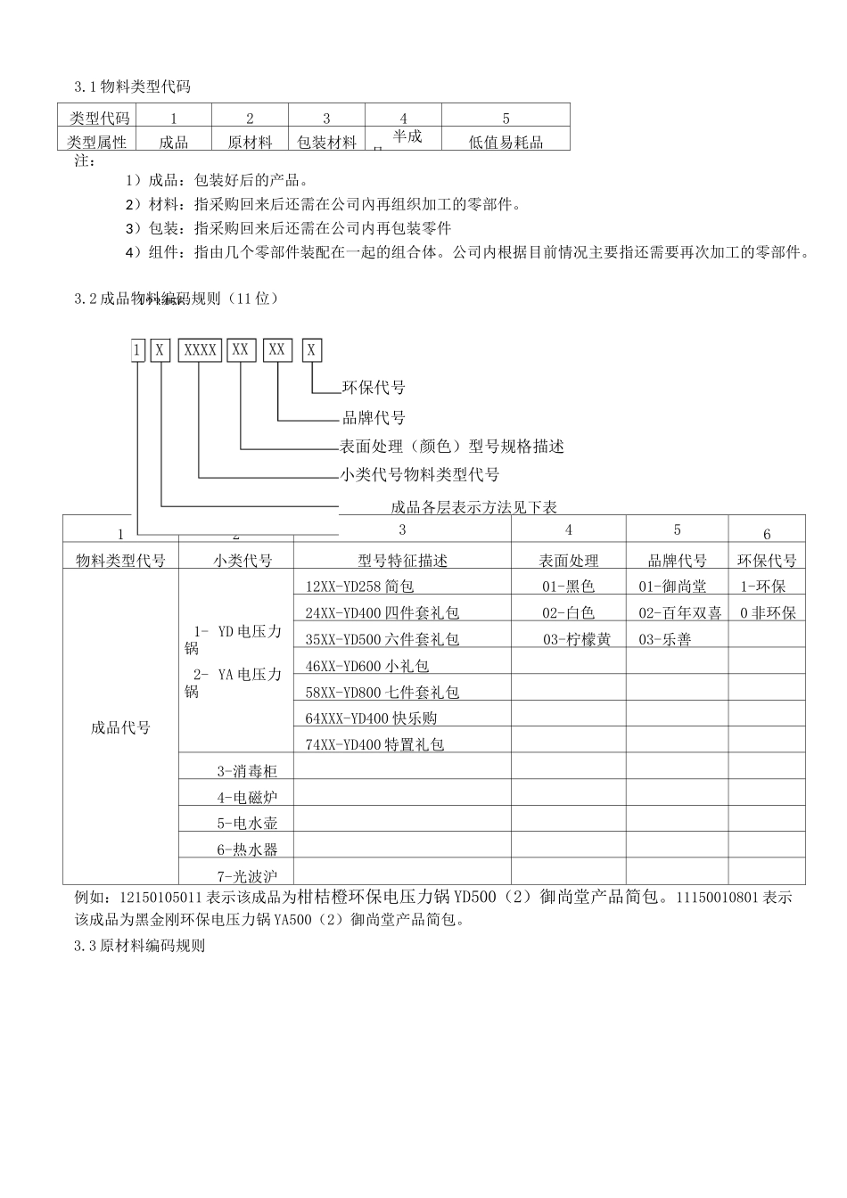
XXX公司物料编码方案书文件名称:物料编码规则文件编号:生效日期:版本号:受控正本受控副本编制:校核:批准:1目的与用途1.1规范物料描述与物料编码规则。1.2适用于本公司ERP系统用户。2物料描述2.1物料描述内容必须含有按各产品术语标准确定的图样名称。2.2物料描述内容应力求简洁明了。2.3物料描述的具体要求2.4.1成品——基本型号+电压功率+颜色或标准规定名称。例如:YA500(2)220V900W磨砂YD500(2)220V900W磨砂2.4.2原材料——标准规定名称+规格+材质+形态+颜色或型号+热变形温度+阻燃等级+颜色例如:不锈钢板0.33*879.5*193/SUS430PP-338/热变形温度130°C/黑色(308色板)2.4.3标准件——标准规定名称+规格+材质+表面处理,根据对象而定。例如:螺钉ST3xl0十字槽盘头锥尾/镀镍3物料编码规则3.1物料类型代码类型代码12345类型属性成品原材料包装材料半成品低值易耗品注:1)成品:包装好后的产品。2)材料:指采购回来后还需在公司內再组织加工的零部件。3)包装:指采购回来后还需在公司内再包装零件4)组件:指由几个零部件装配在一起的组合体。公司内根据目前情况主要指还需要再次加工的零部件。3.2成品物料编码规则(11位)环保代号品牌代号表面处理(颜色)型号规格描述小类代号物料类型代号成品各层表示方法见下表123456物料类型代号小类代号型号特征描述表面处理品牌代号环保代号成品代号1-YD电压力锅2-YA电压力锅12XX-YD258简包01-黑色01-御尚堂1-环保24XX-YD400四件套礼包02-白色02-百年双喜0非环保35XX-YD500六件套礼包03-柠檬黄03-乐善46XX-YD600小礼包58XX-YD800七件套礼包64XXX-YD400快乐购74XX-YD400特置礼包3-消毒柜4-电磁炉5-电水壶6-热水器7-光波沪例如:12150105011表示该成品为柑桔橙环保电压力锅YD500(2)御尚堂产品简包。11150010801表示该成品为黑金刚环保电压力锅YA500(2)御尚堂产品简包。3.3原材料编码规则123456123456XXXXXXXXXXX环保代号表面处理流水号/型号规则描述小类代码大类代码物料类型代码原材料各层表示见下表:大类物料类别代码小类物料类别代码大类物料类别代码小类物料类别代码五金类1其他00标准类4其它00外壳01螺钉、螺丝01锅盖铝盖P锅盖、^铝丨02平垫、弹垫02中层03内部连接03内胆04塑料类2其它00原材料类5其它00塑料面板01普通塑料01提手、提手盖02色粉02底座、底板03不锈钢03中环、隔热环04不锈铁04旋钮、透明镜05冷板05电子类3其它00其它类6密封圈发热盘01硅胶温控器、定时器02开关03连接器、电源线041234563.31五金件编码规物料类型代号大类代码小类代码流水号表面处理环保代码2100-其它4XXX-4L外壳01-白色0-非环保01-外壳2XXX-2L锅盖02-黑色1-环保02锅盖、铝盖5XXX-5L铝盖03-柠檬黄03-中层8XXX-8L中层04-内胆注:如果没有升数流水号最前一位为0表示。例如:21015001091表示本材料为表面黑金刚五金件,5001代表着它是5L(2)外壳21060001121表示本材料为表面镀彩锌五金件,0001代表着它是底座支架环保表面处理流水号小类代码大类代码物料类型代码1234563XXXXXXXXXX物料类型代号大类代码小类代码流水号表面处理环保代码2200-其它01-白色0-非环保01-塑料面板4XXX-4L底座02-黑色1-环保02提手、提手盖6XXX-6L隔热环03-底座、底板8XXX-8L中环04-中环、隔热环4XXX-4L内胆05-旋钮、透明镜注:如果没有升数流水号最前一位为0表示。例如:22045001011表示本材料为表面黑色5L中环,,5001代表5L(2)中环;22010001011表赤本材料为环保02款黑色塑料面板,0001代表塑料面板3.33电子类编码规则123456XX北XX」|_XXXX_||_XX_||_X环保代号生产厂家流水号小类代号大类代号物料类型代号123456XXXXXXXXXXX物料类型代号大类代码小类代码流水号表面处理环保代码2300-其它XXX1-220V50Hz800W01-白色0-非环保01-发热盘02-黑色1-环保02-温控器、定时器03-开头04-电路板05-连接器、电源线例如:23040001011表示为环保电路控制面板,0001代表电路控制面板(02)。23040002011表示为环保电路控制面板,0002代表电路控制面板(03)3.34标准类编码规则123456X囚回|XXXX|[x^区TTT―—环保表面处理流水号小类代码大类代码物料类型代码123456XXXXXXXXXXX物料类型代号大...

1、当您付费下载文档后,您只拥有了使用权限,并不意味着购买了版权,文档只能用于自身使用,不得用于其他商业用途(如 [转卖]进行直接盈利或[编辑后售卖]进行间接盈利)。
2、本站所有内容均由合作方或网友上传,本站不对文档的完整性、权威性及其观点立场正确性做任何保证或承诺!文档内容仅供研究参考,付费前请自行鉴别。
3、如文档内容存在违规,或者侵犯商业秘密、侵犯著作权等,请点击“违规举报”。

碎片内容

物料编码范例

确认删除?
VIP
微信客服
  • 扫码咨询
会员Q群
  • 会员专属群点击这里加入QQ群
客服邮箱
回到顶部