电脑桌面
添加小米粒文库到电脑桌面
安装后可以在桌面快捷访问

车站结构施工作业指导书VIP免费

车站结构施工作业指导书_第1页
1/40
车站结构施工作业指导书_第2页
2/40
车站结构施工作业指导书_第3页
3/40
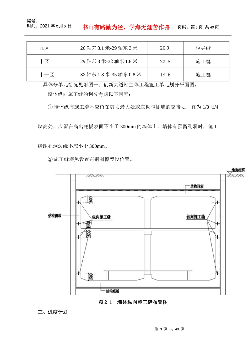
第1页共40页编号:时间:2021年x月x日书山有路勤为径,学海无涯苦作舟页码:第1页共40页合肥轨道交通二号线TJ11标石莲北路站、创新大道站车站主体结构施工作业指导书编制:复核:审核:中铁十三局集团有限公司合肥市轨道交通2号线土建TJ11标项目经理部2014年6月一、总体计划根据本车站总体进度及节点工期要求,施工时充分考虑时间、空间效应,主体结构先施工车站西端头并从下至上逐层拆除端头钢管支撑;车站主体结构逐段、分层由西向东按顺序施工,以确保全部车站主体在业主要求时间前全部完工。二、施工节段划分第2页共40页第1页共40页编号:时间:2021年x月x日书山有路勤为径,学海无涯苦作舟页码:第2页共40页主体结构施工遵循“竖向分层,从下至上”的施工原则,即竖向从车站底板开始自下而上施作,即:底板→侧墙、柱→顶板。施工节段的划分主要考虑了以下因素:(1)在满足盾构接收的工期要求的前提下,结合现场用地条件,创新大道车站主体结构考虑从车站西端向东端依次施作。(2)混凝土节段的施工缝应避开梁柱节点位置,设于纵梁受力较小部位,即纵梁跨度(纵向柱与柱之间)的1/3~1/4处。(3)混凝土节段的施工缝尽量避免设在预留孔洞位置。针对车站特点,拟将创新大道车站主体结构工程自西向东划分11个施工单元依次施工,主体结构设置环向施工缝6道、诱导缝4道。表2-1创新大道站车站主体结构施工单元划分施工单元施工段长度(m)划分依据一区1轴西0.8米-5轴东2.7米29施工缝二区5轴东2.7米-9轴东2.2米31.5施工缝三区9轴东2.2米-12轴东3米24.8诱导缝四区12轴东3米-15轴东6米30诱导缝五区15轴东6米-18轴东7米27.5施工缝六区18轴东7米-21轴东6米26诱导缝七区21轴东6米-24轴东5.6米26.6施工缝八区24轴东5.6米-26轴东3.1米15.5施工缝第3页共40页第2页共40页编号:时间:2021年x月x日书山有路勤为径,学海无涯苦作舟页码:第3页共40页九区26轴东3.1米-29轴东3米26.9诱导缝十区29轴东3米-32轴东1.8米22.8施工缝十一区32轴东1.8米-35轴东0.8米18.5施工缝具体分单元情况见附图一:创新大道站主体工程施工单元划分平面图。墙体纵向施工缝的划分考虑以下因素:①墙体纵向施工缝不应留在剪力最大处或底板与侧墙的交接处,宜为1/3~1/4墙高处,应留在高出底板表面不小于300mm的墙体上。墙体有预留孔洞时,施工缝距孔洞边缘不应小于300mm。②施工缝避免设置在钢围檩架设位置。图2-1墙体纵向施工缝布置图三、进度计划第4页共40页第3页共40页编号:时间:2021年x月x日书山有路勤为径,学海无涯苦作舟页码:第4页共40页(1)西端头井主体结构:2014年5月10日至2014年8月24日,共104天;(2)标准段主体结构:2014年5月20日至2015年1月14日完工,共240天;(3)东端头井主体结构:2014年7月10日至2015年1月21日,共196天;车站主体结构施工进度计划横通道图如下图3-1、3-2、3-3所示:图3-1车站主体结构西端头井施工进度计划横通道图图3-2车站主体结构标准段施工进度计划横通道图图3-3车站主体结构东端头井施工进度计划横通道图四、施工机械设备、劳动力配置4.1施工设备车站主体结构施工拟投入设备如表4-1所示:第5页共40页第4页共40页编号:时间:2021年x月x日书山有路勤为径,学海无涯苦作舟页码:第5页共40页表4-1车站主体结构施工拟投入设备表序号机械名称规格型号额定功率(kw)数量(台)1门式起重机MHH10T12汽车吊25T13电动空压机12m3/min24电焊机BX1—50045钢筋弯曲机GW4026钢筋切断机GQ4027钢筋调直机JM118钢筋滚丝机HGS-4029气割设备氧-乙炔210插入式振捣器ZN-5044.2劳动力为了确保施工正常进行,施工时根据进度情况进行相应调整人员投入,以保障施工进度计划的实现。车站主体结构施工阶段主要投入劳动力如表3-3所示:表4-2劳动力表工种人数工种人数安全员2电工2技术员3专业工长3测量员5机械维修工2钢筋工50木工30电焊工8混凝土工20防水工20勤杂人员6五、主要试验、检测设备配置第6页共40页第5页共40页编号:时间:2021年x月x日书山有路勤为径,学海无涯苦作舟页码:第6页共40页工程试验委托有相应资质的试验室进行,试验设备配备主要满足现场混凝土取样、养护需要及现场试验需要,主要有:...

1、当您付费下载文档后,您只拥有了使用权限,并不意味着购买了版权,文档只能用于自身使用,不得用于其他商业用途(如 [转卖]进行直接盈利或[编辑后售卖]进行间接盈利)。
2、本站所有内容均由合作方或网友上传,本站不对文档的完整性、权威性及其观点立场正确性做任何保证或承诺!文档内容仅供研究参考,付费前请自行鉴别。
3、如文档内容存在违规,或者侵犯商业秘密、侵犯著作权等,请点击“违规举报”。

碎片内容

车站结构施工作业指导书

确认删除?
VIP
微信客服
  • 扫码咨询
会员Q群
  • 会员专属群点击这里加入QQ群
客服邮箱
回到顶部