电脑桌面
添加小米粒文库到电脑桌面
安装后可以在桌面快捷访问

数控车(300分钟)VIP专享VIP免费

数控车(300分钟)_第1页
1/6
数控车(300分钟)_第2页
2/6
数控车(300分钟)_第3页
3/6
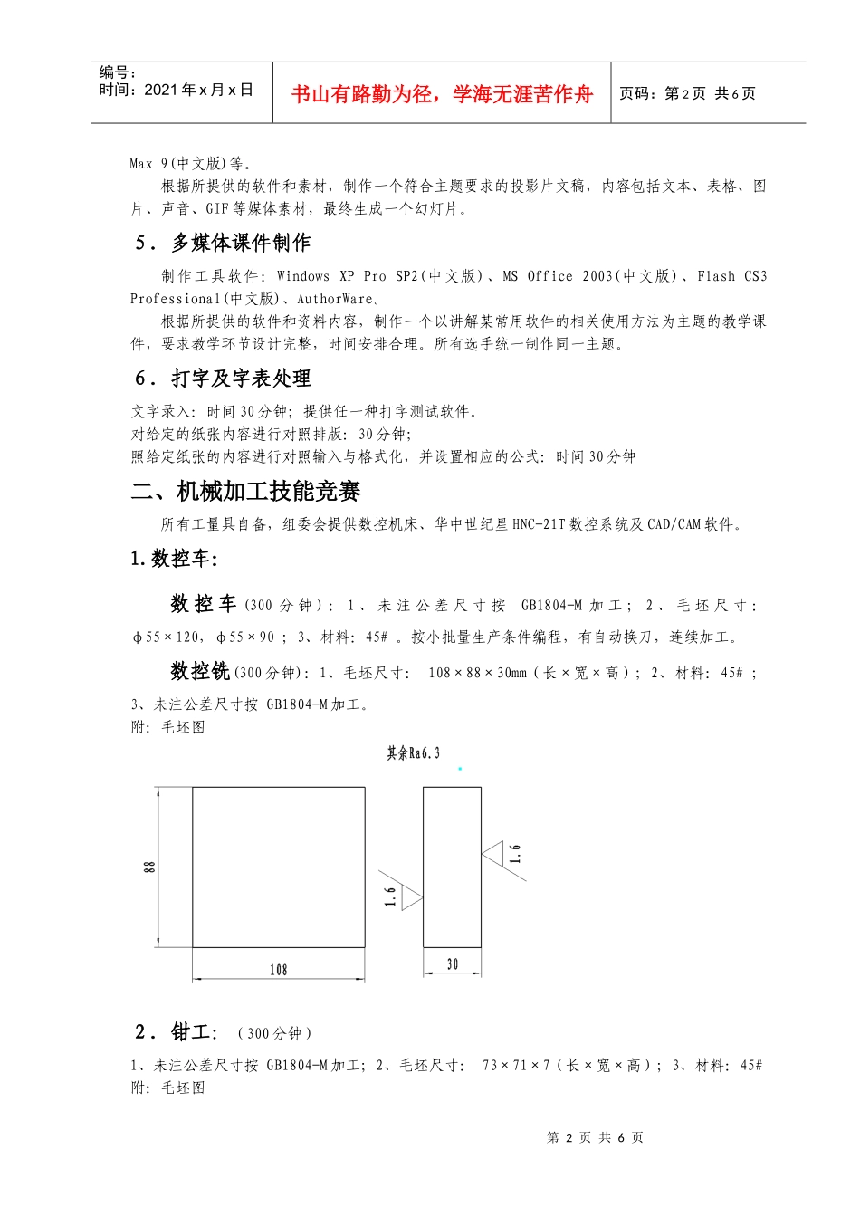
第1页共6页编号:时间:2021年x月x日书山有路勤为径,学海无涯苦作舟页码:第1页共6页2009年荆门市中等职业学校技能竞赛要求各参赛单位,竞赛承办学校:现将竞赛的材料准备及竞赛的有关要求,通知你们,请按此要求做好相关准备工作。2009年4月21日一、计算机技能1.企业网络搭建及应用按照拓扑结构图安装操作系统与组建网络,设置堡垒主机(安装防火墙、杀毒软件,配置网关服务等),设置FTP文件服务器并,安装虚拟Windows操作系统、虚拟Linux操作系统,所有计算机都能访问Internet。2.园区网互联及网站建设按指定的主题制作网站,制作与网站主题相关的Logo(JPG图片)与Banner(Flash动画),制作网页的页面不能少于3页,有用户登录栏。以上两项的软件环境:WindowsXPProSP2(中文版)、Fedora5、VMwareServer1.0.4(英文版)、DreamweaverCS3(中文版)、FlashCS3Professional(中文版)、FireworksCS3(中文版)、PhotoshopCS3Extended(中文版)、MicrosoftOffice2003(中文版)、FrontPage2003(中文版)、PHP5+Apache2.2+MySQL5、UleadGifAnimator5(英文版)、ACDSee6(英文版)、RAR3.71(中文版)、SQLServer2000中文版SP4、WindowsServer2003R2中文版SP2、Linux操作系统。3.动画片制作软件环境:WindowsXPProSP2(中文版)、MSOffice2003(中文版)、FlashCS3Professional(中文版)、PhotoshopCS3Extended(中文版)、CorelDraw12(中文版)。根据所提供的软件和素材,制作一个4分钟左右的,符合主题要求的视频软件,存储格式为SWF格式,能脱离制作环境独立播放。4.投影片制作软件环境:WindowsXPProSP2(中文版)、MSOffice2003(中文版)、FlashCS3Professional(中文版)、PhotoshopCS3Extended(中文版)、CorelDraw12(中文版)、3ds第2页共6页第1页共6页编号:时间:2021年x月x日书山有路勤为径,学海无涯苦作舟页码:第2页共6页Max9(中文版)等。根据所提供的软件和素材,制作一个符合主题要求的投影片文稿,内容包括文本、表格、图片、声音、GIF等媒体素材,最终生成一个幻灯片。5.多媒体课件制作制作工具软件:WindowsXPProSP2(中文版)、MSOffice2003(中文版)、FlashCS3Professional(中文版)、AuthorWare。根据所提供的软件和资料内容,制作一个以讲解某常用软件的相关使用方法为主题的教学课件,要求教学环节设计完整,时间安排合理。所有选手统一制作同一主题。6.打字及字表处理文字录入:时间30分钟;提供任一种打字测试软件。对给定的纸张内容进行对照排版:30分钟;照给定纸张的内容进行对照输入与格式化,并设置相应的公式:时间30分钟二、机械加工技能竞赛所有工量具自备,组委会提供数控机床、华中世纪星HNC-21T数控系统及CAD/CAM软件。1.数控车:数控车(300分钟):1、未注公差尺寸按GB1804-M加工;2、毛坯尺寸:φ55×120,φ55×90;3、材料:45#。按小批量生产条件编程,有自动换刀,连续加工。数控铣(300分钟):1、毛坯尺寸:108×88×30mm(长×宽×高);2、材料:45#;3、未注公差尺寸按GB1804-M加工。附:毛坯图2.钳工:(300分钟)1、未注公差尺寸按GB1804-M加工;2、毛坯尺寸:73×71×7(长×宽×高);3、材料:45#附:毛坯图第3页共6页第2页共6页编号:时间:2021年x月x日书山有路勤为径,学海无涯苦作舟页码:第3页共6页三、电工电子技术技能大赛1.电子产品装配与调试组装中夏牌ZXAY5.5英寸黑白电视机:元器件识别、筛选、检测,电路板焊接,电子产品装配,整机调试及效果2.机电一体化设备组装与调试亚龙YL-235A设备组装与调试零件加工与分拣设备组装与调试:组装设备,根据控制要求画出PLC的I/O端子分配图、变频器回路电路图并根据设备的生产功能连接设备的电路,根据设备的气动元件的动作要求和控制要求连接气路,根据该设备正常生产的动作要求和特殊情况下的动作要求编写PLC的控制程序和设置变频器的参数,调试机械部件、检测元件的位置和编写PLC控制程序满足设备的生产和控制要求。四、烹饪技能竞赛职教集团东校区自行命题并于五月一日前报竞赛组委会。五、服务礼仪技能竞赛竞赛分为自我介绍和问答、形体展示、礼仪展示、才艺展示四部分.第一节:自编20秒自我介绍,并接受服...

1、当您付费下载文档后,您只拥有了使用权限,并不意味着购买了版权,文档只能用于自身使用,不得用于其他商业用途(如 [转卖]进行直接盈利或[编辑后售卖]进行间接盈利)。
2、本站所有内容均由合作方或网友上传,本站不对文档的完整性、权威性及其观点立场正确性做任何保证或承诺!文档内容仅供研究参考,付费前请自行鉴别。
3、如文档内容存在违规,或者侵犯商业秘密、侵犯著作权等,请点击“违规举报”。

碎片内容

数控车(300分钟)

确认删除?
VIP
微信客服
  • 扫码咨询
会员Q群
  • 会员专属群点击这里加入QQ群
客服邮箱
回到顶部