电脑桌面
添加小米粒文库到电脑桌面
安装后可以在桌面快捷访问

山东临清四所高中化学 第四章第三节 电解池学案 选修4VIP免费

山东临清四所高中化学 第四章第三节 电解池学案 选修4_第1页
1/11
山东临清四所高中化学 第四章第三节 电解池学案 选修4_第2页
2/11
山东临清四所高中化学 第四章第三节 电解池学案 选修4_第3页
3/11
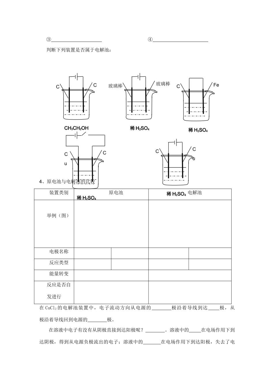
选修四第四章第3节电解池第一课时电解原理课前预习学案一、预习目标预习实验“电解池原理”,初步把握实验原理、目的要求、材料用具和方法步骤。二、预习内容“电解池原理”实验1.实验原理:2.材料用具实验仪器:小烧杯、玻璃棒、碳棒、导线、电流表、电源、改进的塑料制电解槽;实验药品:CuCl2溶液、淀粉碘化钾试纸、NaOH溶液、CuSO4溶液、片、片。3.实验步骤:⑴;⑵;⑶4.观察和记录:三、提出疑惑同学们,通过你的自主学习,你还有哪些疑惑,请把它填在下面的表格中疑惑点疑惑内容课内探究学案一、学习目标1.知道电解的基本原理,会判断一般电解反应产物;与外电源正极相连的电极,与外电源正极相连的电极,电子,电子,反应。反应。与外电源负极相连的电极,与外电源负极相连的电极,电子,电子,反应。反应。定义:定义:把把转化为转化为的装置。的装置。组成:组成:两个电极两个电极、电解质溶液电解质溶液、直流电源直流电源电电极极极:极:极:极:电解池电解池2.能说出电解、电解池及形成条件;3.正确使用实验器材,完成“电解池原理”实验操作。学习重难点:知道电解的基本原理,会判断一般电解反应产物。二、学习过程(一)电解原理1、试验探究如图所示:与电源正极相连的电极叫极,与电源负极相连的电极叫极。若烧杯中的液体为CuCl2溶液,合上电源开关,能否看到小灯泡发光?。给CuCl2溶液通电时现象:阴极上,经检验该物质是。阳极上:,经检验该物质是。两支电极上发生的反应为:阳极:。反应类型:反应。阴极:。反应类型:反应。总反应式:。过程分析:CuCl2溶液能导电是因为存在,通电后这些自由移动的离子,在电场作用下作移动,根据相互吸引的原理,带负电的氯离子向极移动,在阳极,氯离子失去电子被为氯原子,并两两结合成氯分子,从阳极放出,带正电的铜离子向极移动,在阴极铜离子获得电子被成铜原子,覆盖在阴极上。2、电解:使电流通过溶液而在阴、阳两极引起的过程。所用电流一般为直流电还是交流电较好?!该过程中能转化为能!这是一个物理过程还是一个化学过程?过程!显然:电解质溶液的导电过程就是的过程。3、电解池:将能转化为能的装置。构成电解池的条件:①②CuCl2溶液CC×CCCH3CH2OH稀H2SO4CuC稀H2SO4FeC稀H2SO4玻璃棒玻璃棒稀H2SO4CCu③④判断下列装置是否属于电解池:4、原电池与电解池的比较装置类别原电池电解池举例(图)电极名称反应类型能量转变反应是否自发进行在CuCl2的电解池装置中,电子流动方向从电源的极沿着导线到达极,从极沿着导线回到电源的极。在溶液中电子有没有从阴极直接到达阳极呢?。溶液中的在电场作用下到达阴极,得到从电源负极流出的电子;溶液中的在电场作用下到达阳极,失去了电子流向电源的正极。就是说:在电解质溶液中依靠的定向移动而形成闭合回路的。对CuCl2溶液而言,溶液中是否只有Cu2+和Cl-两种离子呢?。水电离出少量的H+和OH--在电场作用下是否也要做定向移动呢?。通电时,溶液中的两种离子都要向阴极移动,都要向阳极移动。5、放电顺序阴极上:由于阴极上要电子,不管阴极材料是金属还是石墨,此时都不能得电子,因此只能是溶液中的得电子。阳离子氧化性越强就越得电子。因此阴极上氧化性强的离子得电子。金属越不活泼,对应阳离子氧化性越,越得电子。由此根据金属活动顺序表,分析下列离子得电子能力的强弱:金属活动顺序表Ag+Cu2+H+(酸)Pb2+Fe2+Zn2+H+(水)Al3+…严格讲:离子的放电能力与其浓度也有一定的关系,如酸溶液中:c[H+(酸)]>c[H+(水)],因而放电能力>。但在中学范围内一般不考虑上述金属离子浓度对其放电能力的影响。、、、、、等活泼金属阳离子在水溶液中电解时不得电子。小结:质量增加,或有氢气产生的电极一定是极。阳极上:电解池中阳极上要电子,而与溶液中的都可失电子,因此阳极上的电极反应与有关。由于一般的比阴离子更容易失去电子,因此如果用一般的金属材料做阳极,电解时阳极上是失去电子。而阳极如果用石墨或金属铂(Pt)等难失电子的物质做惰性电极时,则是溶液中失去电子。阴离子还原性越强就越失去电子。根据非金属性的强弱,分析下列离子失电子...

1、当您付费下载文档后,您只拥有了使用权限,并不意味着购买了版权,文档只能用于自身使用,不得用于其他商业用途(如 [转卖]进行直接盈利或[编辑后售卖]进行间接盈利)。
2、本站所有内容均由合作方或网友上传,本站不对文档的完整性、权威性及其观点立场正确性做任何保证或承诺!文档内容仅供研究参考,付费前请自行鉴别。
3、如文档内容存在违规,或者侵犯商业秘密、侵犯著作权等,请点击“违规举报”。

碎片内容

山东临清四所高中化学 第四章第三节 电解池学案 选修4

您可能关注的文档

确认删除?
VIP
微信客服
  • 扫码咨询
会员Q群
  • 会员专属群点击这里加入QQ群
客服邮箱
回到顶部