电脑桌面
添加小米粒文库到电脑桌面
安装后可以在桌面快捷访问

剧院设计规范VIP免费

剧院设计规范_第1页
1/4
剧院设计规范_第2页
2/4
剧院设计规范_第3页
3/4
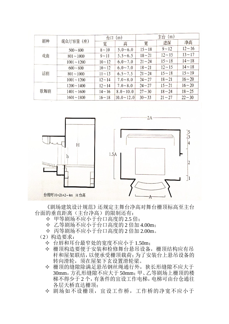
舞台设计规范基于镜框式舞台的固定结构:建筑台口:剧场建筑结构舞台面向观众厅的开口。台口的大小(宽与高)是舞台设计的基础尺寸。主舞台:台口线以内的主要表演空间。台塔:主舞台台面以上至屋盖结构下缘的空间。是舞台表演和台上机械设备运行、安装及检修的基本空间。工作栅顶(葡萄架):舞台上部为安装和检修台上设备、并能使悬吊元件通过的专用工作层。工作天桥:沿主舞台的侧墙、后墙墙身一定高度设置的工作走廊。一般舞台均设有多层天桥,通常一层天桥还有布置灯具的功能。台仓:舞台面以下的空间。是台下机械设备运行、安装及检修的基本空间。机坑:为台下机械设备驱动装置的安装、检修空间。台唇(前舞台):台口线以外伸向观众席的台面。乐池:为歌剧、舞剧等剧种表演配乐的乐队使用的空间,一般设在台唇的下面和前方。侧舞台:设在主舞台两侧,为迁换布景、演员候场、临时存放道具和景片的区域。后舞台:设在主舞台后部,可增加纵深方向表演区的区域。台口墙轴线:土建设计图上标注的台口承重墙结构定位轴线。台口线:台口内侧边线在舞台面上的投影线。舞台机械定位以此为基准。大幕线:大幕中心位置在舞台平面上的投影线。通常是表演划分景区和设置布景的基准线。舞台地板:由龙骨和面层木板(原木板、层压板、指接板等)构成的、经表面精修的舞台表面结构的总称。1、主舞台的基本尺度和构造要求:(1)基本尺度:《剧场建筑设计规范》还规定主舞台净高对舞台栅顶标高至主台台面的垂直距离(主台净高)的限制还有:甲等剧场不应小于台口高度的2.5倍;乙等剧场不应小于台口高度的2倍加4.00m;丙等剧场不应小于台口高度的2倍加2.00m。(2)构造要求:台唇和耳台最窄处的宽度不应小于1.50m;栅顶构造要便于安装和检修舞台悬吊设备,栅顶结构应有吊杆和屋架联结,以便承受栅顶载荷;为了安装台上悬吊设备的转向滑轮,须在屋架下玄设置滑轮梁。栅顶的缝隙除满足悬吊钢丝绳通行外,狭长形缝隙不应大于30mm,方孔形缝隙不应大于50mm;甲、乙等剧场上栅顶的楼梯不得少于2个,有条件的宜设工作电梯,电梯可由台仓通往各层天桥直达栅顶;剧场如不设栅顶,宜设工作桥,工作桥的净宽不应小于0.60m,净高不应小于1.80m,位置应满足工作人员安装、检修舞台悬吊设备的需要;主舞台天桥应符合下列规定:天桥应沿主舞台侧墙和后墙三面布置,底边沿应有0.10m高的护板。第一层侧天桥标高,应使侧光射向表演区有良好的角度,还应保证主舞台与侧舞台间的洞口高度不妨碍布景通行;第一层侧天桥栏杆应满足安装灯具的技术要求;各层侧天桥除满足设备安装所占用的空间外,其通行净宽不应小于1.00m,后天桥通行净宽宜为0.60m。2、侧舞台:(1)侧舞台应符合下列规定:1)靠近主舞台前部位置的两侧一般应设置侧舞台,两个侧舞台的总面积:※甲等剧场不得小于主舞台面积的1/2;※乙等剧场不得小于主舞台面积的1/3。剧场受条件限制时可设一个侧舞台。2)侧舞台与主舞台间的洞口净宽:※甲等剧场不应小于8.00m;※乙等剧场不应小于6.00m。3)侧舞台与主舞台间的洞口净高:※甲等剧场不应小于7.00m;※乙等剧场不应小于6.00m。3、乐池

1、当您付费下载文档后,您只拥有了使用权限,并不意味着购买了版权,文档只能用于自身使用,不得用于其他商业用途(如 [转卖]进行直接盈利或[编辑后售卖]进行间接盈利)。
2、本站所有内容均由合作方或网友上传,本站不对文档的完整性、权威性及其观点立场正确性做任何保证或承诺!文档内容仅供研究参考,付费前请自行鉴别。
3、如文档内容存在违规,或者侵犯商业秘密、侵犯著作权等,请点击“违规举报”。

碎片内容

剧院设计规范

您可能关注的文档

确认删除?
VIP
微信客服
  • 扫码咨询
会员Q群
  • 会员专属群点击这里加入QQ群
客服邮箱
回到顶部